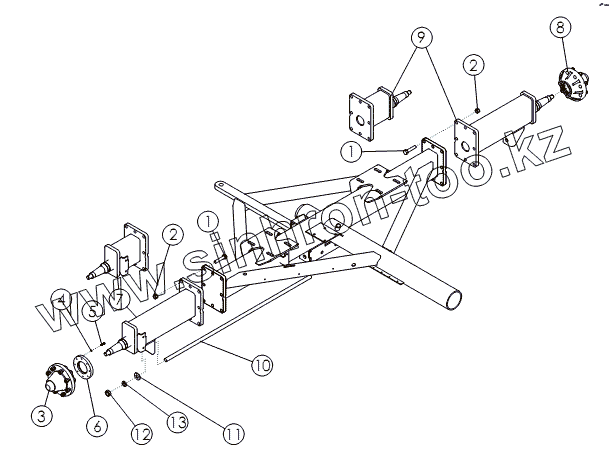
Каталог запасных частей к технике: Amity-2800 (3350). ASSY-AXLES REAR 150"
1
1
2
2
3
4
5
6
7
8
9
10
11
12
13
| Позиция на иллюстрации | Заводской номер детали | Название детали | |
|---|---|---|---|
| 65943 | 65943 | WLDMT-SPINDLE RH | |
| 65177 | 65177 | WLDMT-SPINDLE LH | |
| 1 | 58369 | BOLT-HEX: .75 X 3.50 NC GR5 ZP | |
| 2 | 1013834 | NUT-NYLOCK: .75 NC GR2 ZP | |
| 3 | 320159 | ASSY-HUB 8 BOLT W/BRAKE | |
| 4 | 1013242 | WASHER-LOCK: .25 ZP | |
| 5 | 1013940 | BOLT: .25 X 1.25 NC ZP | |
| 6 | 65425 | FLANGE AND SPROCKET | |
| 7 | 65436 | WLDMT-SPINDLE RH DRIVE | |
| 8 | 320150 | ASSY-HUB 8 BOLT W/0 BRAKE | |
| 9 | 65437 | WLDMT-SPINDLE LH | |
| 10 | 65683 | ROD-TRUSS ZP | |
| 11 | 1020685 | WASHER-FLAT: 1.00 ZP | |
| 12 | 1012664 | NUT-HEX: 1.00 NC GR2 ZP | |
| 13 | 1013539 | WASHER-LOCK: 1.00 ZP |
Содержащиеся в справочниках-каталогах запасные части и детали не предлагаются к продаже, а носят исключительно информационный характер