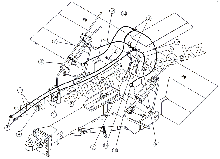
Каталог запасных частей к технике: Amity-2011 WIC 8-6 row. HITCH HYDRAULICS
1
2
3
4
5
6
7
8
9
9
10
10
11
12
12
13
13
14
| Позиция на иллюстрации | Заводской номер детали | Название детали | |
|---|---|---|---|
| 1 | 54800 | WLDMT-HOSE SUPPORT | |
| 2 | 1011611 | BOLT-HEX: .50 X 3.00 NC GR5 ZP | |
| 3 | 1027461 | NUT-TOPLOCK: .50 NC GR5 ZP | |
| 4 | 63869 | CAPLUG-2 SQ | |
| 5 | 53631 | PIONEER TIP 8010-4 | |
| 6 | 50714 | CLAMP .50 ZP | |
| 7 | 1011601 | BOLT-HEX: .38 X 1.25 NC GR5 ZP | |
| 8 | 57667 | FTG-TEE: 8MJ-8MJ-8MJ | |
| 9 | 58515 | FTG-ELBOW: 8MB-8MJ-45 | |
| 10 | 58560 | FTG-ELBOW: 8MB-8MJ-90 | |
| 11 | 58376 | HOSE: .50 X 108 8MP-8FJX | |
| 12 | 57000 | HOSE .50 X 34 8FJX-8FJX | |
| 13 | 44174 | HOSE: .50 X 24 8FJX-8FJX | |
| 14 | 1011586 | WASHER-LOCK: .38 ZP |
Содержащиеся в справочниках-каталогах запасные части и детали не предлагаются к продаже, а носят исключительно информационный характер