Каталог запасных частей к технике: Amity-2009 WIC 9 row. SCALPER HYDRAULICS
1
2
3
3
4
4
5
5
6
7
8
9
10
10
11
11
12
13
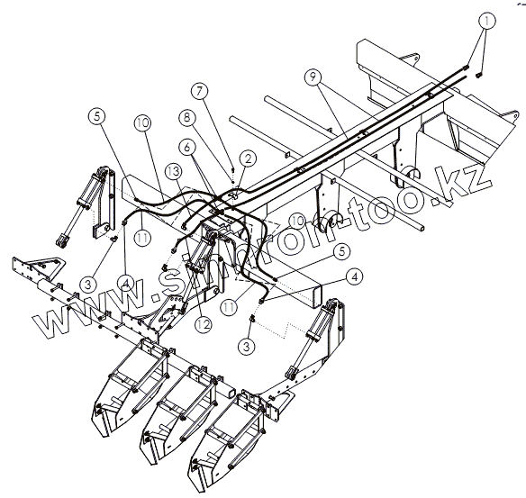
| Позиция на иллюстрации | Заводской номер детали | Название детали | |
|---|---|---|---|
| 1 | 53631 | PIONEER TIP 8010-4 | |
| 2 | 50714 | CLAMP .50 ZP | |
| 3 | 58560 | FTG-ELBOW: 8MB-8MJ-90 | |
| 4 | 1019844 | FITTING-RESTRICTOR | |
| 5 | 56226 | FTG-ADAPTER: 8MB-8MJ | |
| 6 | 68160 | FTG-CROSS: 8MJ | |
| 7 | 1011600 | BOLT-HEX: .38 X 1.00 NC GR5 ZP | |
| 8 | 1011586 | WASHER-LOCK: .38 ZP | |
| 9 | 68249 | HOSE: .38 X 220 8MP-8FJX | |
| 10 | 69078 | HOSE: .38 X 132 8FJX-8FJX | |
| 11 | 69079 | HOSE: .38 X 144 8FJX-8FJX | |
| 12 | 62998 | HOSE: .38 X 20 8FJX-8FJX | |
| 13 | 68719 | HOSE: .38 X 10 8FJX-8FJX |
Содержащиеся в справочниках-каталогах запасные части и детали не предлагаются к продаже, а носят исключительно информационный характер