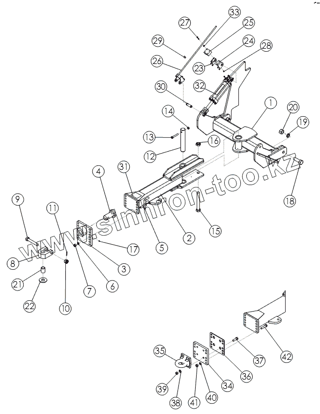
Каталог запасных частей к технике: Amity-2007 WIC 6 row. Сцепка
1
2
3
4
5
6
7
8
9
10
11
12
13
14
15
16
17
18
19
20
21
22
22
23
24
25
26
27
28
29
30
31
32
33
34
35
36
37
38
39
40
41
42
| Позиция на иллюстрации | Заводской номер детали | Название детали | |
|---|---|---|---|
| 1 | 63192 | Кронштейн дышла | |
| 2 | 63195 | Дышло | |
| 3 | 57930 | WLDMT-HITCH PLATE | |
| 4 | 62101 | WLDMT-PIN | |
| 5 | 1012059 | BOLT-HEX: .75 X 3.00 NC GR5 ZP | |
| 6 | 1012061 | WASHER-LOCK: .75 ZP | |
| 7 | 1011620 | NUT-HEX: .75 NC GR2 ZP | |
| 8 | 64476 | PLATE-PULL HITCH | |
| 9 | 62477 | BOLT-HITCH DRILLED | |
| 10 | 62088 | NUT-SLOTTED: 1.13 NC GR5 ZP | |
| 11 | 1013473 | PIN-COTTER: .19 X 2.00 NP | |
| 12 | 50678 | PIN | |
| 13 | 1015117 | BOLT-HEX: .63 X 4.00 NC GR8 ZP | |
| 14 | 1016595 | NUT-TOPLOCK: .63 NC GR5 ZP | |
| 15 | 1030756 | BOLT-HEX: 1.25 X 10.50 NC GR5 ZP | |
| 16 | 1030759 | NUT-TOPLOCK: 1.25 NC ZP | |
| 17 | 1011748 | ZERK-GREASE | |
| 18 | 1030757 | BOLT-HEX: 1.38 X 4.25 NC GR5 ZP | |
| 19 | 1030760 | WASHER-LOCK: 1.38 ZP | |
| 20 | 1030758 | NUT-HEX: 1.38 NC ZP | |
| 21 | 64614 | SLEEVE 1.38 | |
| 22 | 58925 | WASHER-HARDENED: 4.00 X 1.63 | |
| 22 | 68645 | WASHER-FLAT: 2.00 ZP GR8 | |
| 23 | 63995 | TOP BRACKET - RH | |
| 24 | 63996 | TOP BRACKET - LH | |
| 25 | 63383 | POLY GUIDE BLOCK | |
| 26 | 63999 | WLDMT - BOTTOM BRACKET | |
| 27 | 1016211 | BOLT-HEX: .25 X 2.00 NC GR5 | |
| 28 | 1030946 | NUT-TOPLOCK | |
| 29 | 63359 | COLLAR-SET: .563 ZP | |
| 30 | 63406 | PIN-CLEVIS: 1.00 X 4.00 ZP | |
| 31 | 52248R | DECAL-CAUTION | |
| 32 | 63405 | DECAL-DEPTH GAUGE | |
| 33 | 1020416 | WASHER-FLAT: .25 ZP | |
| 34 | 64201 | Плит а сцепки | |
| 35 | 64200 | Скоба для ХТЗ | |
| 36 | 64254 | Плита-проставка | |
| 37 | 62096 | BOLT-HEX: .75 X 2.50 NC GR8 ZP | |
| 38 | 1021584 | Шайба | |
| 39 | 1011434 | NUT-TOPLOCK | |
| 40 | 1012061 | WASHER-LOCK: .75 ZP | |
| 41 | 1011620 | NUT-HEX: .75 NC GR2 ZP | |
| 42 | 1032271 | Болт |
Содержащиеся в справочниках-каталогах запасные части и детали не предлагаются к продаже, а носят исключительно информационный характер