Вернуться на главную
Поиск
Каталоги запчастей к технике
Сельхозтехника
Amity
Amity-2007 WIC 6 row
Распределитель копира 62350
Каталог запасных частей к технике: Amity-2007 WIC 6 row. Распределитель копира 62350
zoom-in
zoom-out
enlarge
shrink
circle-right
circle-left
file-text2
info
cart
Тип техники
Не выбрано
Легковые автомобили
Грузовые автомобили и прицепы
Автобусы
Сельхозтехника
Спецтехника
Двигатели
Мототехника
Марка
Не выбрано
AGCO
Amity
CASE IH
DongFeng
Fortschritt
Foton
Franz Kleine
Gaspardo
Great Plains
KRONE
KUHN
Lemken
Lovol
MacDon
Massey Ferguson
New Holland
TIGARBO
Vaderstad
Versatile
Wirax
Агро
Агротехмаш
Бобруйскагромаш (ОАО «УКХ «Бобруйскагромаш»)
БЭМЗ
ВгТЗ
Воронежсельмаш
ВТЗ
Гомсельмаш
ДКЗ
ЗАО "Техника-сервис"
ЗиД
КЗК
Кировец-Ландтехник
Клевер
Красная Звезда
Лидагропроммаш
Лидсельмаш
ЛТЗ
Машстройхолдинг
Минитракторы
Мордовагромаш
МТЗ
Навигатор-Новое машиностроение
Нефтекамский автозавод
ПТЗ
Ремком
РСМ
Сибсельмаш
ТеКЗ
ТКЗ
ХЗТСШ
ХТЗ
ЮМЗ
Модель
Не выбрано
Air Double Disc Drill (2009)
Amity-2004 WIC 6 row (2004)
Amity-2007 WIC 6 row (2007)
Amity-2009 WIC 9 row (2009)
Amity-2011 WIC 12 row (2011)
Amity-2011 WIC 6 row (2011)
Amity-2011 WIC 8-6 row (2011)
Amity-2800 (3350) (2012)
Amity-5015/6015 (2012)
Amity-5250 (2012)
Single Disc Drill (2012)
Wic Harvester 12 row 22s (2011)
Wic Harvester 12 row 24s (2011)
Wic Harvester 6 row 22s (2011)
Wic Harvester 6 row 22w (2011)
Wic Harvester 6 row 24s (2011)
Wic Harvester 6 row 30s (2011)
Wic Harvester 6 row 30w (2011)
Wic Harvester 8 row 22s (2011)
Схема
>
Не выбрано
Сцепка
Копач
Копир
Защитные щитки и кожухи
Основная рама в сборе
Приемный транспортер-очиститель
Биттерный вал
Вальцы шнекового очистителя
Система очистительных валов в сборе
Центральный привод
Центральный привод, с автономной гидросистемой
Привод вальцов шнекового очистителя
Привод биттерного вала
Накопительный бункер
Выгрузной транспортер, привод выгрузки
Вертикальный транспортер
Ременной транспортер заднего очистителя
Привод заднего очистителя, редуктор
Стойка и колеса
Гидросхема копира и сцепки
Гидросхема копира и сцепки, с автоновмной гидростанцией
Гидросхема двойного копира и сцепки
Гидросхема двойного копира и сцепки (вариант для СНГ)
Гидравлика накопительного бункера
Гидравлика накопительного бункера (с автоновмной гидросистемой)
Гидравлический бак
Осветительные приборы
Карданный вал к ВОМ - 38мм-8 шлиц
Карданный вал к ВОМ - 1.75" - 20 шлиц
Карданный вал к ВОМ - 1.38" - 21 шлиц
Компоненты карданных валов приводов
Центральный редуктор (1.81:1) 63846
Редуктор (1.81:1) 62396 (с автоновмной гидросистемой)
Большой угловой редуктор (1.35:1) 63847
Маленький угловой редуктор (1:1.35) 63848
Гидромотор (32.3 IN3) 57686
Гидронасос 63690
Гидроцилиндр (2.5x16") 58889
Гидроцилиндр (4x8") 58891
Гидроцилиндр (4x10") 62082
Разгрузочный клапан 64687
Селекторный клапан 58470
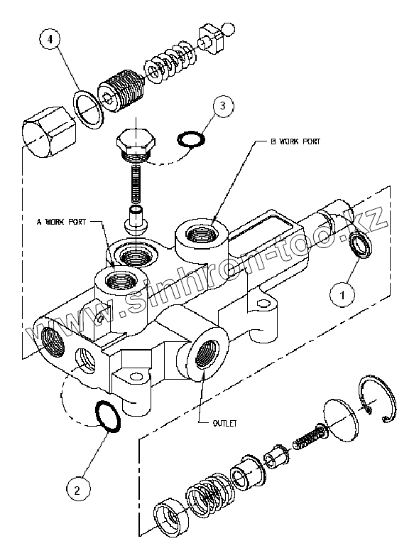
Распределитель копира 62350
Электрогидрораспределитель 63673 И 63687
Звездочка, ременной натяжитель
Предохранительная фрикционная муфта
Паразитный шкиф 56406, ролик 56851
Ролики
62757
1
2
3
4
Позиция на иллюстрации
Заводской номер детали
Название детали
62757
62757
Ремкомплект распределителя копира
1
U-CUP
U-CUP
2
O-RING
O-RING
3
O-RING
O-RING
4
WASHER
BACKUP WASHER - END CAP
Содержащиеся в справочниках-каталогах запасные части и детали не предлагаются к продаже, а носят исключительно информационный характер
Дополнительная информация
×
Название:
Номер:
Примечание: