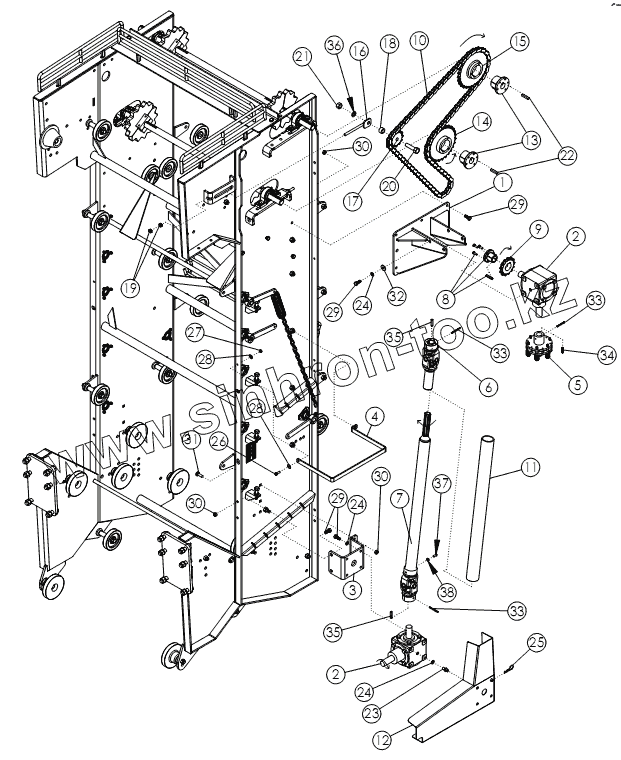
Каталог запасных частей к технике: Amity-2007 WIC 6 row. Привод заднего очистителя, редуктор
1
2
2
3
4
5
6
7
8
9
10
11
12
13
14
15
16
17
18
19
20
21
22
23
24
24
24
25
26
27
28
28
29
29
29
30
30
30
31
32
33
33
33
34
35
35
36
37
38
| Позиция на иллюстрации | Заводской номер детали | Название детали | |
|---|---|---|---|
| 1 | 62103 | Коробка под редуктор | |
| 2 | 63848 | Редуктор | |
| 3 | 59432 | Пластина | |
| 4 | 58456 | Пластина-ограничитель | |
| 5 | 57926 | Муфта предельного момента | |
| 6 | 57925 | Универсальный комплект | |
| 7 | 57923 | Короткий карданный вал | |
| 8 | 57943 | Переходная коническая втулка | |
| 9 | 56339 | Звездочка | |
| 10 | 63549 | Роликовая цепь | |
| 11 | 58015 | Втулка | |
| 12 | 57894 | Щиток | |
| 13 | 50335 | Переходная коническая втулка | |
| 14 | 57941 | Звездочка | |
| 15 | 57942 | Звездочка | |
| 16 | 63876 | Шпилька | |
| 17 | 56334 | Натяжная звездочка | |
| 18 | 58086 | Втулка | |
| 19 | 1011577 | NUT-HEX | |
| 20 | 1012059 | BOLT-HEX: .75 X 3.00 NC GR5 ZP | |
| 21 | 1011620 | NUT-HEX: .75 NC GR2 ZP | |
| 22 | 50152 | KEY .38 X .38 X 2.00 | |
| 23 | 59106 | Очиститель | |
| 24 | 1011581 | WASHER-LOCK | |
| 25 | 53687 | Клипса 14x1.94 ZP | |
| 26 | 1011600 | BOLT-HEX: .38 X 1.00 NC GR5 ZP | |
| 27 | 1016999 | NUT-TOPLOCK: .38 NC GR5 ZP | |
| 28 | 1011828 | Шайба | |
| 29 | 1011606 | BOLT-HEX: .50 X 1.25 NC GR5 ZP | |
| 30 | 1027461 | NUT-TOPLOCK: .50 NC GR5 ZP | |
| 31 | 1011660 | BOLT-CRG: .50 X 1.50 NC GR5 ZP | |
| 32 | 1014443 | WASHER-FLAT: .50 ZP | |
| 33 | 58290 | Штифт 25х2.25 | |
| 34 | 58397 | Шпонка 313x313x1.375 | |
| 35 | 58396 | Шпонка | |
| 36 | 1012061 | WASHER-LOCK: .75 ZP | |
| 37 | 1030708 | SCREW-SET: C-P .38 X .75 NC GR8 | |
| 38 | 1013519 | NUT-JAM: .38 NC GR2 ZP |
Содержащиеся в справочниках-каталогах запасные части и детали не предлагаются к продаже, а носят исключительно информационный характер