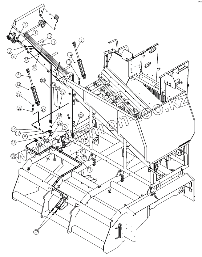
Каталог запасных частей к технике: Amity-2007 WIC 6 row. Гидравлика накопительного бункера
1
2
3
4
5
5
6
7
8
9
10
10
11
11
12
13
13
14
14
15
15
16
17
18
19
20
21
22
23
24
25
26
27
28
29
30
31
| Позиция на иллюстрации | Заводской номер детали | Название детали | |
|---|---|---|---|
| 1 | 53722 | Клапан обратный | |
| 2 | 58289 | Фитинг | |
| 3 | 58288 | Фитинг | |
| 4 | 56229 | Фитинг | |
| 5 | 58889 | Гидроцилиндр | |
| 6 | 62904 | Защитный кронштейн | |
| 7 | 1011828 | Шайба | |
| 8 | 59390 | BOLT-HEX: .38 X 2.25 NC G5 ZP | |
| 9 | 58470 | Клапан переключатель | |
| 10 | 1016999 | NUT-TOPLOCK: .38 NC GR5 ZP | |
| 11 | 50714 | CLAMP .50 ZP | |
| 12 | 50779 | Прижимная пластина | |
| 13 | 58557 | Фитинг | |
| 14 | 58547 | Фитинг | |
| 15 | 56226 | FTG-ADAPTER: 8MB-8MJ | |
| 16 | 56231 | Фитинг | |
| 17 | 64307 | Фитинг-дроссель | |
| 18 | 54825 | Крепление гидрошланга | |
| 19 | 1011602 | BOLT-HEX: .38 X 1.50 NC GR5 ZP | |
| 20 | 55733 | Фитинг | |
| 21 | 1011600 | BOLT-HEX: .38 X 1.00 NC GR5 ZP | |
| 22 | 1011586 | WASHER-LOCK: .38 ZP | |
| 23 | 1020416 | WASHER-FLAT: .25 ZP | |
| 24 | 1011595 | BOLT-HEX: .25 X .75 NC GR5 ZP | |
| 25 | 1030946 | NUT-TOPLOCK | |
| 26 | 56190 | Фитинг | |
| 27 | 53631 | PIONEER TIP 8010-4 | |
| 28 | 56234 | Гидрошланг | |
| 29 | 56233 | Гидрошланг | |
| 30 | 56235 | Гидрошланг | |
| 31 | 56232 | Гидрошланг |
Содержащиеся в справочниках-каталогах запасные части и детали не предлагаются к продаже, а носят исключительно информационный характер