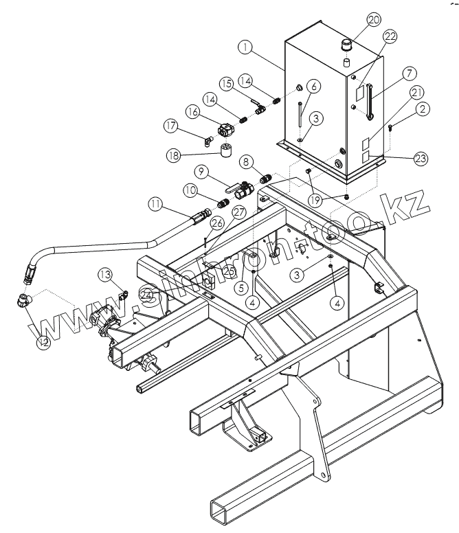
Каталог запасных частей к технике: Amity-2007 WIC 6 row. Гидравлический бак
1
2
3
3
4
4
5
6
7
8
9
10
11
12
13
14
14
15
16
17
18
19
20
21
22
23
24
25
26
27
| Позиция на иллюстрации | Заводской номер детали | Название детали | |
|---|---|---|---|
| 1 | 58079 | Гидробак | |
| 2 | 1011606 | BOLT-HEX: .50 X 1.25 NC GR5 ZP | |
| 3 | 1014443 | WASHER-FLAT: .50 ZP | |
| 4 | 1027461 | NUT-TOPLOCK: .50 NC GR5 ZP | |
| 5 | 58204 | Пластина | |
| 6 | 1032514 | BOLT-HEX | |
| 7 | 58914 | Указатель уровня масла | |
| 8 | 58978 | Фитинг | |
| 9 | 58979 | Кран | |
| 10 | 62209 | Фитинг | |
| 11 | 62210 | Гидрошланг | |
| 12 | 63698 | Фитинг | |
| 13 | 64060 | FTG-ELBOW: 12MB-12MJ-90 | |
| 14 | 58196 | Фитинг | |
| 15 | 59165 | Кран | |
| 16 | 58690 | Корпус фильтра | |
| 17 | 59044 | Фитинг | |
| 18 | 58691 | Фильтр | |
| 19 | 55718 | Фитинг | |
| 20 | 58197 | Сапун-крышка | |
| 21 | 62964R | Табличка | |
| 22 | 64428R | Табличка | |
| 23 | 64429R | Табличка | |
| 24 | 64612 | Крепление шланга | |
| 25 | 64613 | Пластина | |
| 26 | 1032287 | Болт | |
| 27 | 1013242 | WASHER-LOCK: .25 ZP |
Содержащиеся в справочниках-каталогах запасные части и детали не предлагаются к продаже, а носят исключительно информационный характер