Каталог запасных частей к технике: Amity Air Double Disc Drill. TANK TO TRACTOR HYDRAULICS
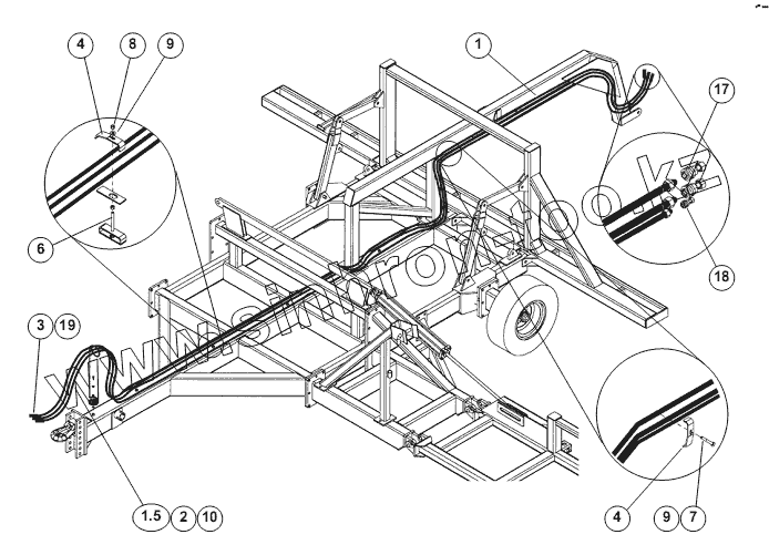
1
1.5
2
3
4
4
6
7
8
9
9
10
17
18
19
| Позиция на иллюстрации | Заводской номер детали | Название детали | |
|---|---|---|---|
| 1 | 66065 | HOSE .75 X 186 12MP-12MJ | |
| 1.5 | 66066 | HOSE .75 X 168 12FJX-8MP | |
| 2 | 65382 | HOSE .50 X 354 8MP-8MP | |
| 3 | 53631 | PIONEER TIP 8010-4 | |
| 4 | 65814 | CLAMP-HOSE 4.375 ZP | |
| 6 | 65379 | STUD-.38 X 3.00 UNC GR5 ZP | |
| 7 | 1011602 | BOLT-HEX: .38 X 1.50 NC GR5 ZP | |
| 8 | 1011576 | NUT-HEX: .38 NC GR2 ZP | |
| 9 | 1013043 | WASHER-FLAT SAE .38 ZP | |
| 10 | 1013122 | TIE-CABLE, NYLON 14.00 | |
| 17 | 65318 | QUICK COUPLING - FEMALE -12-12 | |
| 18 | 65319 | QUICK COUPLING - FEMALE -8-10 | |
| 19 | 66106 | COUPLER - FEMALE PIONEER | |
| 20 | 65982 | PLATE-HOSE MT | |
| 20.1 | 65657 | U-BOLT .500 X 3.00 X 4.063 X 3.00 | |
| 20.2 | 65313 | NUT-NYLOCK: .50 NC GR2 ZP | |
| 20.3 | 1015174 | BOLT-HEX: .38 X 2.50 NC GF5 ZP | |
| 20.4 | 1016999 | NUT-TOPLOCK: .38 NC GR5 ZP |
Содержащиеся в справочниках-каталогах запасные части и детали не предлагаются к продаже, а носят исключительно информационный характер