Вернуться на главную
Поиск
Каталоги запчастей к технике
Сельхозтехника
Агротехмаш
АТМ-5280
Установка ходовой части и двигателя
Каталог запасных частей к технике: Агротехмаш АТМ-5280. Установка ходовой части и двигателя
zoom-in
zoom-out
enlarge
shrink
circle-right
circle-left
file-text2
info
cart
Тип техники
Не выбрано
Легковые автомобили
Грузовые автомобили и прицепы
Автобусы
Сельхозтехника
Спецтехника
Двигатели
Мототехника
Марка
Не выбрано
AGCO
Amity
CASE IH
DongFeng
Fortschritt
Foton
Franz Kleine
Gaspardo
Great Plains
KRONE
KUHN
Lemken
Lovol
MacDon
Massey Ferguson
New Holland
TIGARBO
Vaderstad
Versatile
Wirax
Агро
Агротехмаш
Бобруйскагромаш (ОАО «УКХ «Бобруйскагромаш»)
БЭМЗ
ВгТЗ
Воронежсельмаш
ВТЗ
Гомсельмаш
ДКЗ
ЗАО "Техника-сервис"
ЗиД
КЗК
Кировец-Ландтехник
Клевер
Красная Звезда
Лидагропроммаш
Лидсельмаш
ЛТЗ
Машстройхолдинг
Минитракторы
Мордовагромаш
МТЗ
Навигатор-Новое машиностроение
Нефтекамский автозавод
ПТЗ
Ремком
РСМ
Сибсельмаш
ТеКЗ
ТКЗ
ХЗТСШ
ХТЗ
ЮМЗ
Модель
Не выбрано
АТМ-5280 (2014)
АТМ-7360 (2014)
Схема
>
Не выбрано
Двигатель
Блок цилиндров
Блок цилиндров
Установка коленчатого вала
Поршень с шатуном
Установка головки цилиндров и патрубков
Установка распределительного механизма
Установка распределительного механизма
Головка с клапанами
Установка головки цилиндров
Установка задней крышки
Картер нижний
Установка маховика
Установка топливного бака
Топливный бак
Система топливная
Установка топливных фильтров
Фильтр тонкой очистки топлива
Фильтр грубой очистки топлива
Установка насоса низкого давления
Инжектор 90001760
Форсунка 10003717. Установка масляного трубопровода 90001709
Установка воздушного фильтра
Установка воздушного фильтра
Установка трубопроводов
Установка турбокомпрессора
Установка подогревателя
Коллектор выпускной
Установка глушителя
Установка охладителя масла
Установка охладителя масла
Установка масляного фильтра
Установка вентилятора
Установка насоса водяного
Установка блока радиаторов
Установка блока радиаторов
Установка патрубков радиатора
Установка расширительного бачка
Установка воздушной системы 10003968
Установка воздушной системы 10003968
Трансмиссия 10001339
Трансмиссия 10001339
Трансмиссия 10001339
Установка стойки трансмиссии
Установка гидромуфты
Корпус коробки передач
Разъединительная муфта
Разъединительная муфта
Разъединительная муфта
Разъединительная муфта
Разъединительная муфта
Разъединительная муфта
Разъединительная муфта
Разъединительная муфта
Передача для работы под нагрузкой
Передача для работы под нагрузкой
Передача для работы под нагрузкой
Передача для работы под нагрузкой
Внутренняя опора
Передний привод
Передний привод
Вал
Ведомый вал
Ведомый вал
Ведомый вал
Ведомый вал
Промежуточный вал
Промежуточный вал
Главная муфта сцепления
Главная муфта сцепления
Главная муфта сцепления
Система переключения передач
Система переключения передач
Система переключения передач
Система переключения передач
Картер задней оси
Привод
Привод
Привод
Привод
Дифференциал
Дифференциал
Дифференциал
Вал увеличения мощности
Привод
Привод
Привод
Привод
Привод
Привод
Привод
Мост
Мост
Мост
Мост
Мост
Мост
Мост
Мост
Мост
Установка рамы
Установка рамы
Установка ходовой части и двигателя
Установка ходовой части и двигателя
Установка ходовой части и двигателя
Привод
Установка ручного тормоза
Ручной тормоз
Рулевое управление
Рулевое управление
Рулевое управление
Рулевое управление
Плита монтажная с рулевым управлением и педалями
Плита монтажная с рулевым управлением и педалями
Мост
Поворотный цилиндр
Установка колес
Установка колес
Тягово-сцепное устройство
Тягово-сцепное устройство
Фаркоп
Установка балласта
Устройство навесное переднее
Устройство навесное заднее
Устройство навесное заднее
Устройство навесное заднее
Установка переднего вала отбора мощности
Корпус коробки передач. Система подачи масла.
Система подачи масла
Система подачи масла
Система подачи масла
Система подачи масла
Система подачи масла
Блок клапанов
Блок клапанов
Блок клапанов
Блок клапанов
Блок клапанов
Гидрораспределитель
Гидрораспределитель
Установка горловины
Привод насоса
Привод насоса
Привод насоса
Установка гидросистемы
Установка гидросистемы
Установка гидросистемы
Установка гидросистемы
Установка гидросистемы
Установка гидросистемы
Установка гидросистемы
Установка гидросистемы
Установка гидросистемы
Установка гидросистемы
Установка гидросистемы
Установка гидроцилиндров передних
Установка гидроцилиндров задних
Распределитель трехсекционный
Распределитель пятисекционный
Установка бачка распределительного
Электрооборудование шасси. Электрооборудование кабины.
Установка генератора
Установка стартера
Главный жгут двигателя
Главный жгут двигателя
Главный жгут двигателя
Электрика - прокладка жгутов
Электрика - прокладка жгутов
Электрооборудование кабины
Электрооборудование кабины
Электрооборудование кабины
Установка магнитолы, фонарей и кнопок
Электрика боковых панелей кабины
Электрика боковых панелей кабины
Электрооборудование
Панель управления
Панель управления
Панель управления
Провод-корпус
Кабели
Провод
Кабина
Установка передних и задних стоек кабины
Пневмоподвеска кабины
Пневмоподвеска кабины
Пневмоподвеска кабины
Крыша кабины
Каркас кабины
Установка сиденья водителя
Установка сиденья водителя
Установка сиденья водителя
Установка сиденья пассажира
Установка сиденья пассажира
Установка зеркала
Установка приборов
Управление рычагами
Установка переключения шести синхронизированных передач
Управление гидрораспределителем
Установка рычага включения пониженных передач
Управление гидрораспределителем
Установка панели крыши внутренней
Установка панели крыши внутренней
Установка панелей внутренних
Установка пола кабины
Установка боковых панелей
Установка боковых панелей
Установка боковых панелей
Установка стекол
Установка стекол
Установка стекол
Установка стекол
Установка стекол
Установка двери правой
Установка стекла заднего левого
Установка двери левой
Замок с поручнем
Замок с поручнем
Замок с поручнем
Установка крыльев
Установка капота и кожухов
Установка капота и кожухов
Установка капота и кожухов
Установка замка капота
Трактор
Трактор
Установка ящика аккумуляторного и инструментального
Установка ящика аккумуляторного и инструментального
Установка ящика аккумуляторного и инструментального
Установка системы кондиционирования и отопления
Установка системы кондиционирования и отопления
Установка бачка омывателя
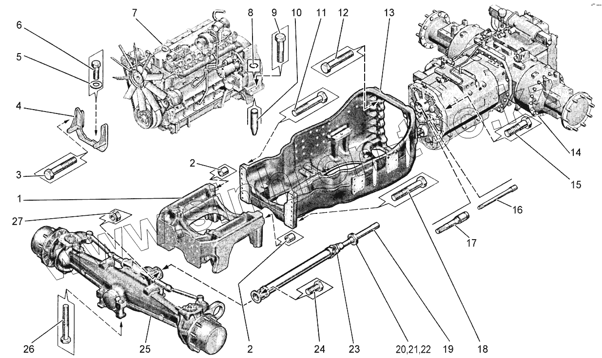
1
2
2
3
4
5
6
7
8
9
10
11
12
13
14
15
16
17
18
19
20
21
22
23
24
25
26
27
Позиция на иллюстрации
Заводской номер детали
Название детали
1
10001115
Рама
2
10001584
Втулка
3
10001930
Болт
4
10001836
Кронштейн
5
10002803
Шайба
6
10005571
Болт
7
10001065
Двигатель
8
10001714
Кольцо стопорное
9
10003877
Болт
10
10002012
Штифт
11
10004511
Болт
12
10004512
Болт
13
10001114
Полурама
14
10001339
Трансмиссия
15
10002736
Болт
16
10001250
Вал ведущий
17
10001249
Полый вал
18
10004512
Болт
19
10001248
Вал
20
10001583
Подшипник
21
10001865
Крышка
22
10001586
Кольцо стопорное
23
10001113
Карданный вал
24
10002091
Болт
25
10002244
Мост передний
26
10004994
Болт
27
10002804
Гайка
Содержащиеся в справочниках-каталогах запасные части и детали не предлагаются к продаже, а носят исключительно информационный характер
Дополнительная информация
×
Название:
Номер:
Примечание: