Каталог запасных частей к технике: Агро ТОМЬ ПК-6,3Б. Узел режущего диска
1
2
3
3
4
5
6
7
8
9
10
11
12
12
13
14
14
15
15
16
17
17
18
19
20
20
21
22
23
24
25
26
26
27
28
28
29
30
31
32
33
34
35
35
36
36
37
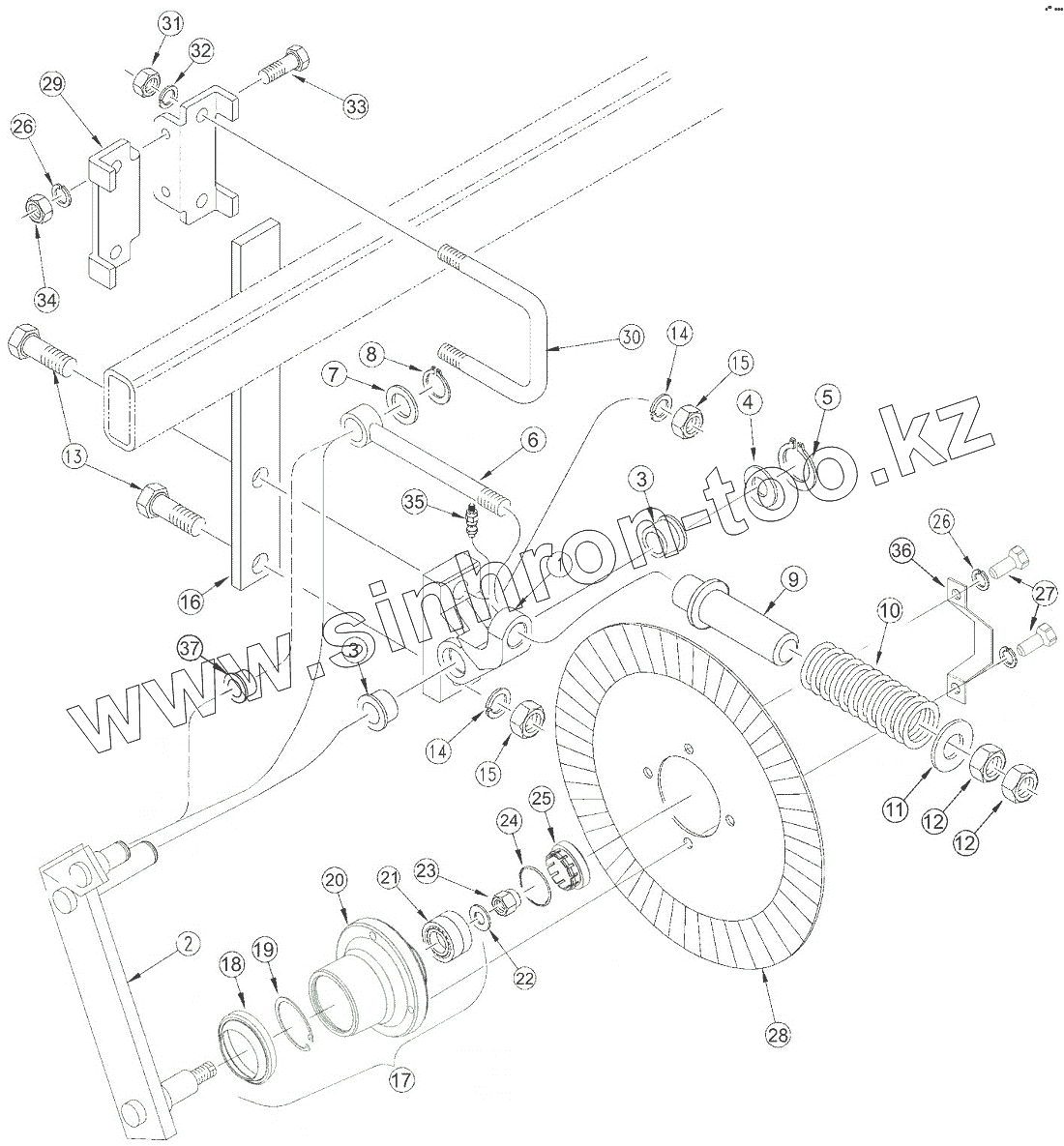
| Позиция на иллюстрации | Заводской номер детали | Название детали | |
|---|---|---|---|
| 1 | ПТ-01.05.000 | Кронштейн в сборе со втулками | |
| 1а | ПТ-03.05.000 | Кронштейн в сборе со втулками | |
| 1б | ПТ-01.05.000 | Кронштейн в сборе со втулками | |
| 1в | ПТ-01.05.001 | Кронштейн без втулок | |
| 1г | ПТ-01.05.001П | Кронштейн без втулок | |
| 2 | ПТ-01.01.000 | Рычаг | |
| 2а | ПТ-01.01.000 | Рычаг | |
| 2б | ПТ-02.01.000 | Рычаг | |
| 2в | ПТ-03.01.000 | Рычаг | |
| 3 | ПТ-01.04.001 | Втулка | |
| 3а | 53А-3001016 | Втулка | |
| 3б | ПТ-01.05.002 | Втулка разрезная | |
| 4 | ПТ-01.00.006 | Шайба | |
| 4а | ПТ-01.00.006 | Шайба | |
| 5 | 2108-1701117 | Кольцо стопорное | |
| 6 | ПТ-01.02.000 | Тяга | |
| 6а | ПТ-01.02.000 | Тяга | |
| 7 | Шайба плоская O20 | Шайба плоская | |
| 7а | Шайба плоская O18 | Шайба плоская | |
| 8 | Кольцо стопорное В20.Ц9.хр | Кольцо стопорное | |
| 8а | Кольцо стопорное В18.Ц9.хр | Кольцо стопорное | |
| 9 | ПТ-01.03.000 | Направляющая | |
| 10 | ПТ-01.00.001 | Пружина | |
| 11 | ПТ-01.00.003 | Шайба | |
| 12 | Гайка М20 | Гайка | |
| 13 | Болт М22х70 | Болт | |
| 14 | Шайба пружинная O22 мм | Шайба пружинная | |
| 15 | Гайка М22 | Гайка | |
| 16 | ПТ-01.00.002 | Стойка | |
| 17 | Ступица в сборе | Ступица в сборе | |
| 17 | 21100-3104014-00 | Ступица в сборе | |
| 18 | 2108-3104016 | Кольцо грязезащитное | |
| 19 | 2108-3104032 | Стопорное кольцо | |
| 20 | 2108-3104014 | Ступица ВАЗ-08 | |
| 20 | ПТ-02.02.000 | Ступица | |
| 21 | 256706 | Подшипник | |
| 22 | 2108-3104079 | Шайба подшипника | |
| 23 | 14044271 | Гайка | |
| 24 | 2108-3103069 | Кольцо уплотнительное резиновое | |
| 25 | 2108-3104065 | Колпак ступицы | |
| 26 | Шайба пружинная O12 | Шайба пружинная | |
| 27 | Болт М12 х 35 - 1,25 | Болт | |
| 28 | 1995.17.R605 | Диск режущий | |
| 28 | 820-156C | Диск режущий | |
| 29 | ПТ-01.00.004 | Кронштейн | |
| 30 | Стремянка O16х100х50 | Стремянка | |
| 31 | Гайка М16 | Гайка | |
| 32 | Шайба пружинная O16 | Шайба пружинная | |
| 33 | Болт М12х50 | Болт | |
| 34 | Гайка М12 | Гайка | |
| 35 | 186096 | Цанговый штуцер | |
| 35 | 6510 | Фитинг цанговый прямой | |
| 36 | ПТ-01.00.007 | Скоба | |
| 36 | ПТ-01.00.007-01 | Скоба | |
| 37 | С10-13.00.001 | Втулка |
Содержащиеся в справочниках-каталогах запасные части и детали не предлагаются к продаже, а носят исключительно информационный характер