Каталог запасных частей к технике: Агро ТОМЬ ПК-12,5. Вентилятор 8" с гидроприводом
2
2
3
4
5
6
7
7
8
9
9
10
11
12
13
14
14
15
15
16
17
18
19
20
22
23
24
25
26
26
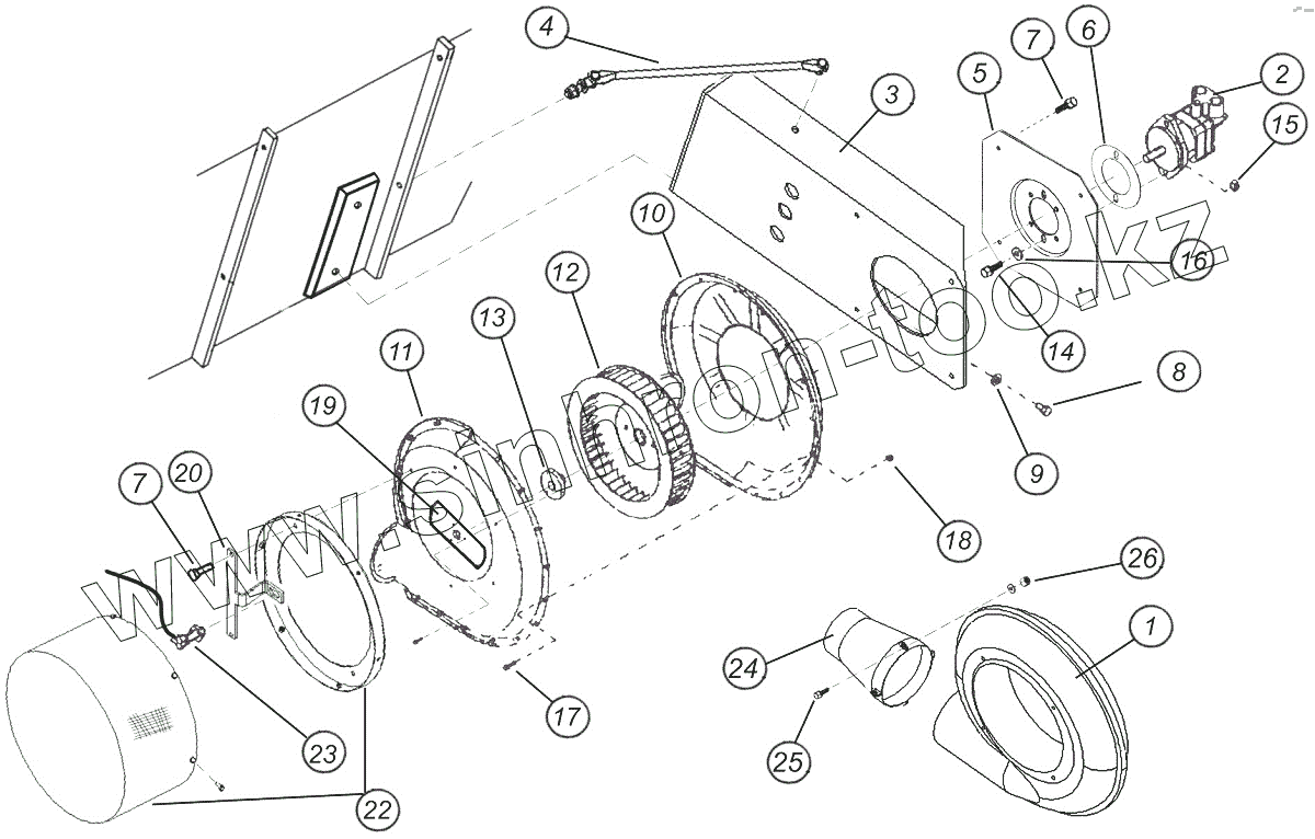
| Позиция на иллюстрации | Заводской номер детали | Название детали | |
|---|---|---|---|
| 1сб | 1021506 | Вентилятор | |
| 2 | 16303 | Гидромотор | |
| 2 | 1013988 | Гидромотор силовой | |
| 3 | А200А.20.00.00.00Г | Кронштейн вентилятора | |
| 4 | А200А.40.00.00.00 | Тяга в сборе | |
| 5 | 21145 | Установочная пластина | |
| 6 | 23907 | Прокладка | |
| 7 | 15076 | Болт | |
| 8 | Болт М12х25 | Болт | |
| 9 | Шайба плоская O12 | Шайба плоская | |
| 9 | Шайба пружинная O12 | Шайба пружинная | |
| 10 | 21194 | Корпус вентилятора | |
| 11 | 21193 | Корпус вентилятора | |
| 12 | 17374 | Крыльчатка | |
| 13 | 20160 | Ступица вентилятора | |
| 14 | 1020415 | Болт | |
| 14 | 15014 | Болт | |
| 15 | 1011097 | Гайка | |
| 15 | 15043 | Гайка | |
| 16 | Шайба 1/2" | Шайба | |
| 17 | 15364 | Болт | |
| 18 | 15051 | Гайка | |
| 19 | А200А.00.00.00.98 | Мишень | |
| 20 | А200А.00.00.00.96 | Кронштейн датчика | |
| 22 | А200А.35.00.00 | Сетка защитная | |
| 23 | ВК АF4-31-Р-5-250-ИНД-ЗВ | Датчик счетчика гектаров | |
| 24 | А200А.25.00.00.00 | Переходник вентилятора | |
| 24а | 1014893 | Патрубок | |
| 25 | Болт М8х20мм | Болт | |
| 26 | Гайка М8 | Гайка | |
| 26 | Шайба пружинная O8 | Шайба пружинная |
Содержащиеся в справочниках-каталогах запасные части и детали не предлагаются к продаже, а носят исключительно информационный характер