Каталог запасных частей к технике: Агро ТОМЬ ПК-10. Дизельный двигатель, установочные узлы и детали
1
2
3
4
5
6
7
7
7
7
9
9
10
10
11
12
12
13
14
15
17
18
19
20
21
22
22
23
24
24
25
25
26
26
27
28
29
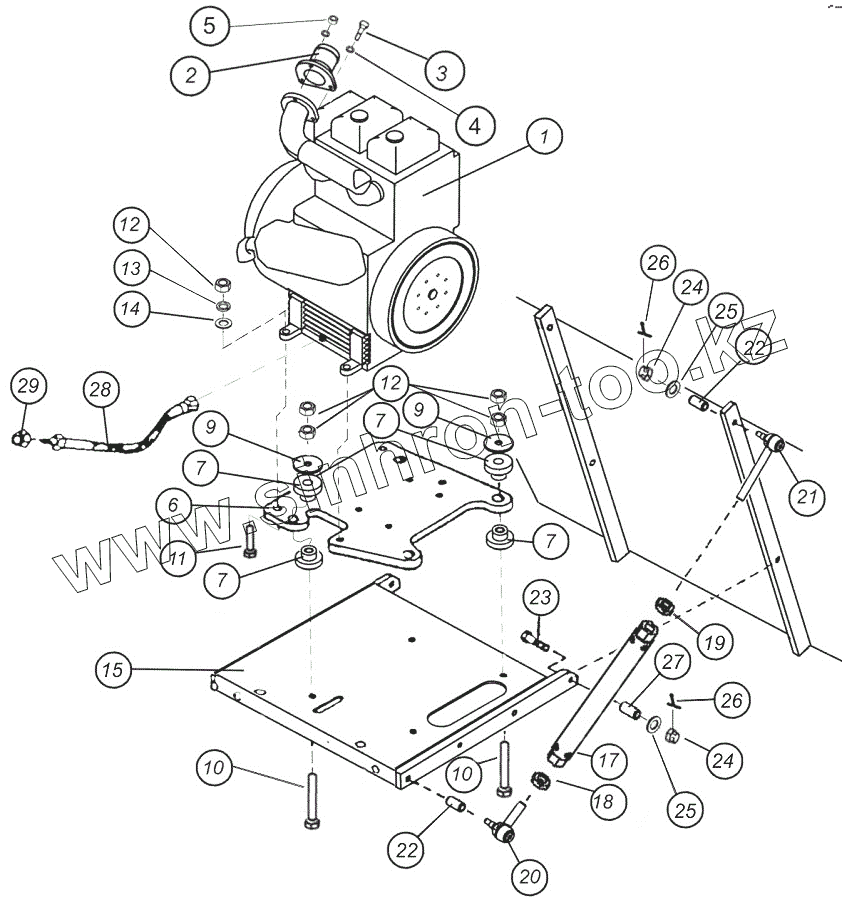
| Позиция на иллюстрации | Заводской номер детали | Название детали | |
|---|---|---|---|
| 1 | 1014737 | Двигатель | |
| 2 | 1021169-00.00.001 | Фланец | |
| 3 | 1011598 | Болт | |
| 4 | 1014125 | Шайба пружинная | |
| 5 | 1011575 | Гайка | |
| 6 | Т389.00.00.02 | Плита | |
| 7 | Т389.00.29.00-01Т | Амортизатор | |
| 9 | Т389.00.00.36 | Шайба | |
| 10 | Болт М16х115 | Болт | |
| 11 | Болт М16х65 | Болт | |
| 12 | Гайка М16 | Гайка | |
| 13 | Шайба пружинная O16мм | Шайба пружинная | |
| 14 | Шайба плоская O16 | Шайба плоская | |
| 15 | АТ389.00.06.00 | Рама двигателя | |
| 16 | А100.50.00.00 | Штанга | |
| 17 | А100.50.10.000 | Стяжка | |
| 18 | А100.50.00.01 | Гайка | |
| 19 | А100.50.00.01-01 | Гайка | |
| 20 | 2101-3003057 | Шарнир в сборе | |
| 21 | 2101-3003064 | Шарнир в сборе | |
| 22 | А100.10.00.00.30 | Втулка | |
| 23 | Болт М12х65 | Болт | |
| 24 | Гайка М12 корончатая | Гайка | |
| 25 | Шайба плоская O12 | Шайба плоская | |
| 26 | Шплинт O3,2х25 | Шплинт | |
| 27 | А100.10.00.00.29 | Втулка | |
| 28 | 1017737 | Шланг | |
| 29 | 8965.005 9-Р | Пробка шланга |
Содержащиеся в справочниках-каталогах запасные части и детали не предлагаются к продаже, а носят исключительно информационный характер