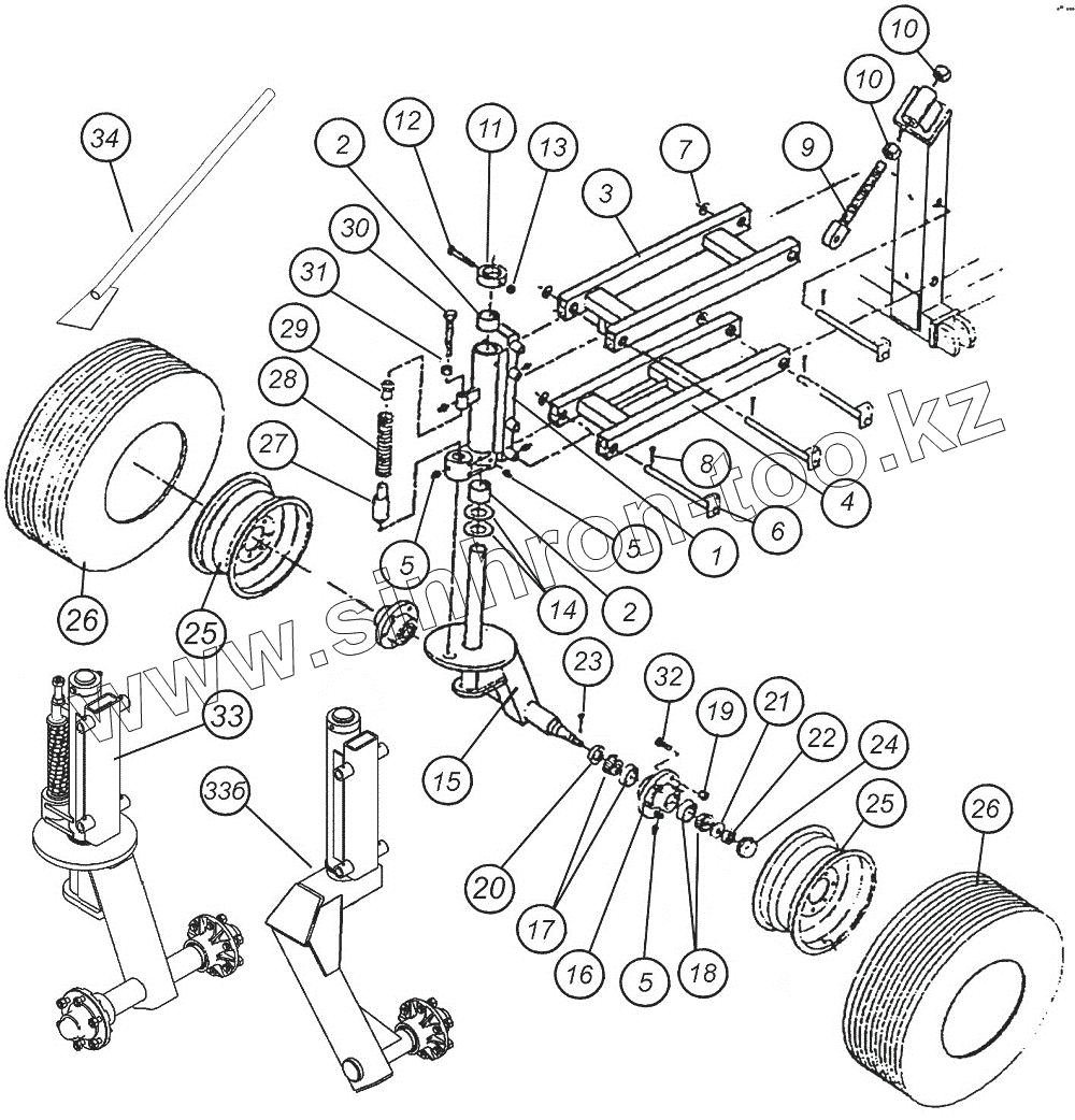
Каталог запасных частей к технике: Агро КУЗБАСС ПК-9,7. Передняя подвеска
1
2
2
3
4
5
5
5
6
7
8
9
10
10
11
12
13
13
14
15
16
17
17
17
17
18
18
18
18
19
19
20
21
22
22
23
24
24
25
25
25
25
25
25
25
25
25
26
26
26
26
26
26
27
28
29
30
31
32
32
33
33б
34
| Позиция на иллюстрации | Заводской номер детали | Название детали | |
|---|---|---|---|
| 1 | 1021049-04 | Корпус | |
| 1а | 1017574-04 | Корпус | |
| 1б | 2012-30.02.00.00 | Корпус | |
| 2 | 1014163-04 | Втулка | |
| 3 | 1026754-04 | Перекладина верхняя | |
| 4 | 1018415-04 | Перекладина нижняя | |
| 5 | Пресс-масленка 1.2.Ц 6 | Пресс-масленка | |
| 6 | 1016941-01 | Палец | |
| 7 | 1016663 | Шайба | |
| 8 | Шплинт O5х63 | Шплинт | |
| 9 | 1017152-04 | Болт регулировки глубины | |
| 10 | 1014726 | Гайка | |
| 11 | 1014161-04 | Фиксатор | |
| 12 | Болт М12х115 мм | Болт | |
| 13 | Гайка М12 | Гайка | |
| 13 | Шайба пружинная O12 | Шайба пружинная | |
| 14 | 1014154-04 | Шайба упорная | |
| 15 | 1019726-04С | Жесткий узел двойной | |
| 15а | 2012-30.01.00.00С | Жесткий узел одинарный | |
| 16 | 1016174-04 | Ступица | |
| 16а | 1016174-04 РН | Ступица | |
| 16б | 61L6JA002 | Ступица | |
| 17 | Подшипник внутренний 7208 | Подшипник внутренний | |
| 17 | Подшипник внутренний 30208 | Подшипник внутренний | |
| 17 | Подшипник внутренний 7209 | Подшипник внутренний | |
| 17 | Подшипник внутренний 30209 | Подшипник внутренний | |
| 18 | Подшипник наружный 7206 | Подшипник наружный | |
| 18 | Подшипник наружный 30206 | Подшипник наружный | |
| 18 | Подшипник внутренний 7206 | Подшипник внутренний | |
| 18 | Подшипник внутренний 30206 | Подшипник внутренний | |
| 19 | 1016177-04 | Гайка ступицы | |
| 19 | 57318B4 | Гайка ступицы | |
| 20 | Манжета- II.2-58х84-3 | Манжета | |
| 20а | 7320-0309/00.000 | Манжета | |
| 20б | 5410851 | Сальник ступицы | |
| 20б | 5430851 | Манжета | |
| 21 | 1012377-04 | Шайба | |
| 22 | 1012376-04 | Гайка корончатая | |
| 22 | 57527В1 | Гайка корончатая | |
| 23 | Шплинт 5х40.019 | Шплинт | |
| 24 | 1012374-04 | Колпак ступицы | |
| 24 | 56106210 | Колпак ступицы | |
| 25 | 1014152 | Диск опорного колеса | |
| 25 | 519001502 | Обод | |
| 25 | 519001502 | Обод | |
| 26 | 1014151 | Колесо опорное с диском | |
| 26 | VOLTYRE | Шина | |
| 26 | VOLTYRE | Шина | |
| 27 | 1018553-04 | Палец | |
| 28 | 1014835-04 | Пружина-рессора | |
| 29 | 1017569-04 | Узел контроля упругости | |
| 30 | 1017589-04 | Регулирующий стержень | |
| 31 | Контргайка М20 | Контргайка | |
| 32 | 1016176-047 | Болт ступицы | |
| 32 | 57118В1 | Болт ступицы | |
| 33 | 1017583-04 | Узел жесткого двойного колеса | |
| 33а | 1017583-04С | Узел жесткого двойного колеса | |
| 33б | 2012-30.00.00.00С | Узел жесткого одинарного колеса | |
| 34 | 1016681-09-01.000 | Чистик | |
| 35а | S05006540000079 | Ступица с полуосью в сборе | |
| 35б | S05006550000001 | Ступица с полуосью в сборе | |
| 36а | А05006540000038 | Мост | |
| 36б | A0506550000001 | Мост |
Содержащиеся в справочниках-каталогах запасные части и детали не предлагаются к продаже, а носят исключительно информационный характер