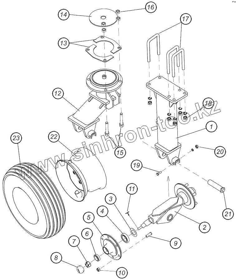
Каталог запасных частей к технике: Агро КУЗБАСС-А ПК-10,6. Переднее и заднее шасси
1
2
3
4
5
6
7
8
9
10
10
11
12
13
14
15
16
17
18
18
19
20
20
21
22
23
| Позиция на иллюстрации | Заводской номер детали | Название детали | |
|---|---|---|---|
| 1 | ПКТ10-04.01.000 | Кронштейн колеса | |
| 2 | ПКТ10-04.02.000 | Мост | |
| 3 | 5471001 | Манжета | |
| 4 | 59130211 | Подшипник внутренний | |
| 5 | 61L6LA003 | Ступица | |
| 6 | 59130208 | Подшипник наружный | |
| 7 | 57539B1 | Гайка корончатая | |
| 8 | 56208001 | Крышка ступицы | |
| 9 | 57118B1 | Болт ступицы | |
| 10 | 57318В1 | Шайба пружинная конусная | |
| 10 | 574181 | Шайба пружинная конусная | |
| 11 | Шплинт O8х60 | Шплинт | |
| 12 | ПКТ10-05.01.000 | Стойка колес передняя | |
| 13 | ПКТ10-05.00.001 | Пластина | |
| 14 | ПКТ10-05.00.002 | Пластина | |
| 15 | Болт М22x120 | Болт | |
| 16 | Гайка М22 | Гайка | |
| 17 | ПКТ10-01.00.002 | Стремянка | |
| 18 | Гайка М20 | Гайка | |
| 18 | Шайба пружинная O20мм | Шайба пружинная | |
| 19 | Болт М12x70 | Болт | |
| 20 | Гайка М12 | Гайка | |
| 20 | Шайба пружинная O12мм | Шайба пружинная | |
| 21 | ПКТ10-04.00.001 | Ось | |
| 22 | 519001502 | Обод | |
| 23 | VOLTYRE | Шина | |
| 24 | А60LR600002 | Ступица в сборе |
Содержащиеся в справочниках-каталогах запасные части и детали не предлагаются к продаже, а носят исключительно информационный характер