Вернуться на главную
Поиск
Каталоги запчастей к технике
Сельхозтехника
AGCO
Fendt-6300C часть3
Cab Speed Shifting
Каталог запасных частей к технике: AGCO Fendt-6300C часть3. Cab Speed Shifting
zoom-in
zoom-out
enlarge
shrink
circle-right
circle-left
file-text2
info
cart
Тип техники
Не выбрано
Легковые автомобили
Грузовые автомобили и прицепы
Автобусы
Сельхозтехника
Спецтехника
Двигатели
Мототехника
Марка
Не выбрано
AGCO
Amity
CASE IH
DongFeng
Fortschritt
Foton
Franz Kleine
Gaspardo
Great Plains
KRONE
KUHN
Lemken
Lovol
MacDon
Massey Ferguson
New Holland
TIGARBO
Vaderstad
Versatile
Wirax
Агро
Агротехмаш
Бобруйскагромаш (ОАО «УКХ «Бобруйскагромаш»)
БЭМЗ
ВгТЗ
Воронежсельмаш
ВТЗ
Гомсельмаш
ДКЗ
ЗАО "Техника-сервис"
ЗиД
КЗК
Кировец-Ландтехник
Клевер
Красная Звезда
Лидагропроммаш
Лидсельмаш
ЛТЗ
Машстройхолдинг
Минитракторы
Мордовагромаш
МТЗ
Навигатор-Новое машиностроение
Нефтекамский автозавод
ПТЗ
Ремком
РСМ
Сибсельмаш
ТеКЗ
ТКЗ
ХЗТСШ
ХТЗ
ЮМЗ
Модель
Не выбрано
Allis AA6.190 (2012)
Fendt-5220 часть1 (2008)
Fendt-5220 часть2 (2008)
Fendt-524 (Xylon) часть1 (2012)
Fendt-524 (Xylon) часть2 (2012)
Fendt-524 (Xylon) часть3 (2012)
Fendt-6300C часть1 (2008)
Fendt-6300C часть2 (2008)
Fendt-6300C часть3 (2008)
Fendt-936 часть1 (2012)
Fendt-936 часть2 (2012)
Fendt-936 часть3 (2012)
Схема
>
Не выбрано
L.H. Side Wall Guard Up To 563010043 /Autolevel 563410022
L.H. Side Wall Guard From Serial Number 563010044 /Autolevel 5634100
L.H. Side Wall Guard Autolevel
L.H. Side Wall Guard
L.H. Side Wall Guard Autolevel
L.H. Side Wall Guard
L.H. Side Wall Guard Autolevel
R.H. Side Wall Guard Up To 563010043 /Autolevel 563410022
R.H. Side Wall Guard From Serial Number 563010044 /Autolevel 5634100
R.H. Side Wall Guard Autolevel - Up To 563410022
R.H. Side Wall Guard Autolevel - From Serial Number 563410023
Body, Left Side
Body, Left Side
Body, Right Side
Rear Body Up To 563010043 /Autolevel 563410022
Rear Body From Serial Number 563010044 /Autolevel 5634100
Rear Body
Rear Body
Rear Body
Rear Body
Platform Support
Platform Support Autolevel
Cab - Seat Support
Cab Main Seat
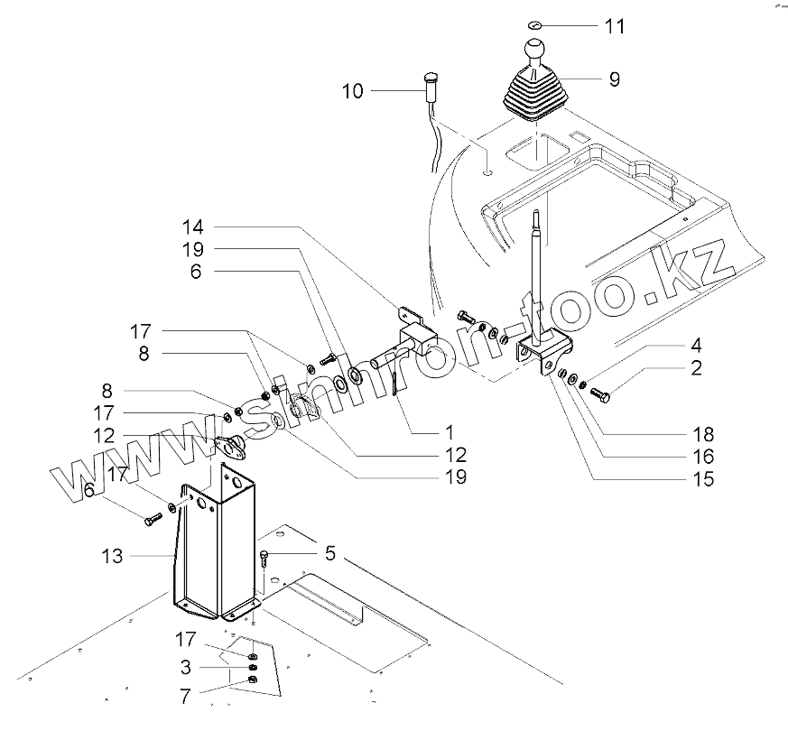
Cab Speed Shifting
Cab Inverter
Cab Parking Brake
Cab Console
Cab Console
Cab Console
Control Circuits Autolevel
Control Circuits Autolevel
Driver'S Platform
Driver'S Platform
Cab Left Side
Cab Right Side
Ladder Footboard Up To 563010043 /Autolevel 563410022
Ladder Footboard Up To 563010043 /Autolevel 563410022
Ladder Footboard From Serial Number 563010044 /Autolevel 5634100
Ladder Footboard From Serial Number 563010044 /Autolevel 5634100
Ladder Footboard From Serial Number 563010044 /Autolevel 5634100
Platform Footboards Up To 563010043 /Autolevel 563410022
Platform Footboards From Serial Number 563010044 /Autolevel 5634100
Platform Footboards Up To 563010043 /Autolevel 563410022
Platform Footboards From Serial Number 563010044 /Autolevel 5634100
Cab
Cab Roof
Cab Rear Glass
Cab Front Glass
Cab Right Door - Type A
Cab Right Door - Type B
Cab Left Door Type B
Cab Left Door Type A
Cab Upholstery
Cab Upholstery
Cab Air Conditioner
Cab Air Conditioner
Cab Air Conditioner
Cab Push Buttons
Cab Unicontrol
Cab Air Conditioner
Cab Air Conditioner Up To 563010119 /Autolevel 56341
Cab Air Conditioner From Serial Number 563010120
Cab Air Conditioner - Autolevel From Serial Number 5
Cab Rear View Mirrors
Ladder Footboard Up To 563010043 /Autolevel 563410022
Ladder Footboard From Serial Number 563010044 /Autolevel 5634100
Cab Steering Column
Hydraulic Pump Up To 563010119 /Autolevel 563410050
Hydraulic Pump World Wide Hook Up - Up To 563010119 /Autoleve
Hydraulic Pump World Wide Hook Up - From Serial Number 56301
Valve Chest Up To 563010119 /Autolevel 563410050
Valve Chest From Serial Number 563010120 /Autolevel 5634100
Valve-Chest Elements Up To 563010119 /Autolevel 563410050
Valve-Chest Elements Up To 563010119 /Autolevel 563410050
Valve-Chest Elements From Serial Number 563010120 /Autolevel 5634100
Reel Circuit Hydraulic Up To 563010119
Reel Circuit Hydraulic From Serial Number 563010120 /Autolevel 5634100
Reel Circuit Hydraulic Autolevel - Up To 563410050
Reel Circuit Hydraulic
Reel Circuit Hydraulic Autolevel
Reel Circuit Hydraulic World Wide Hook Up - Up To 563010119 /Autoleve
Reel Circuit Hydraulic World Wide Hook Up - From Serial Number 56301
Drive Hydraulic Circuit Up To 563010119 /Autolevel 563410050
Drive Hydraulic Circuit From Serial Number 563010120 /Autolevel 5634100
Drive Hydraulic Circuit
Reel Circuit Hydraulic World Wide Hook Up - Up To 563010119
Reel Circuit Hydraulic World Wide Hook Up - From Serial Number 56301
Reel Circuit Hydraulic Autolevel - World Wide Hook Up - Up To 56341005
Reel Circuit Hydraulic Autolevel - World Wide Hook Up - From Serial Nu
Straw Chopper Transmission - Up To 563010119 /Autolevel 56341
Straw Chopper Transmission - From Serial Number 563010120 /A
Machine Levelling System Autolevel
Machine Levelling System Autolevel
Machine Levelling System Autolevel
Machine Levelling System Autolevel
Machine Levelling System Autolevel
Machine Levelling System Autolevel
Cutter Bar Levelling System Up To 563010119
Cutter Bar Levelling System Autolevel - Up To 563410050
Cutter Bar Levelling System Autolevel - World Wide Hook Up - Up To 56341005
Cutter Bar Levelling System From Serial Number 563010120
Cutter Bar Levelling System Autolevel - From Serial Number 563410051
Hydraulic Device For Header Orientation
Hydraulic Device For Header Orientation World Wide Hook Up
Hydraulic Device For Header Orientation Autolevel - World Wide Hook Up
Hydraulic Device For Header Orientation From Serial Number 563010120
Hydraulic Device For Header Orientation From Serial Number 563010120 /Autolevel 5634100
Cutter Bar Levelling System Autolevel
Cutter Bar Levelling System Autolevel
Front Elevator Autolevel - Hydraulic Cylinder
Connections For Hydraulics Pipes Autolevel
Front Lighting Components
Front Lighting Components
Electric System
Electric System
Electric System
Electric System
Electric System
Electric System
Electric System Control Circuits
Electric System Control Circuits
Electric System Control Circuits
Electric System
Starting Circuits
Starting Circuits
Starting Circuits
Starting Circuits
Valve-Chest Control Circuits
Valve-Chest Control Circuits
Valve-Chest Control Circuits
Digital Instrumentation
Beacon Light With Cab
Operations Control Monitor
Auxiliary Light
Battery Disengaging Device
Tool Box
Number Plate Holder
Extinguisher Support
Tool Box Support
Decals
Transfers
Decals
Transfers
Decals
Decals
Decals
Decals
Straw-Lifter Rider
Elevator Cleaning Blades
Ladder Footboard
Variations And Accessories
Variations And Accessories
Variations And Accessories
Variations And Accessories
Variations And Accessories
Czeh Republic Version
Equipment, Denmark-Sweden Version
Front Elevator
Germany Version
Wheels Block
Switzerland Version
Front Axle Spacer (Mm. 250)
Rasp-Bar Concave
Electrical Adjustment Deflectors
Electrical Adjustment Deflectors
Upper Sieve, Adjustable
Front Elevator Support Kit
Additional Electric System
Fuel Filter
Muddy Soil Guards
Cutting Table Block Quick Release Coupling
Chaff Spreader Transmission
Chaff Spreader Bracket - Right Side
Chaff Spreader Left Side Supports
Chaff Spreader Chassis
Chaff Spreader Guard
Canvas
Chain Drive For Drum
Ballast Weight On Rear Axle 4wd
Ballast Weight On Rear Axle
Rear Wheel Weight
Ballast Weight On Rear Body
Ballast Weight On Rear Body
Spike Tooth Concave With 2 Complete Thresing Section
Speed Reduction
Supplement Beater, Corn, Mixed Crop
Concave, Corn, Mixed Crop
Concave, Corn, Mixed Crop
Upper Sieve, Corn, Cob, Mixed Crop
Drum Bar Plates
Equipment For Small Seeds
Equipment For Soy
Cutter Bar Lifting Additional Ram
Cutter Bar Lifting Additional Ram Autolevel
Cutter Bar Lifting Additional Ram World Wide Hook Up
Excluding Device For Additional Cilinder Of Cutt
Cutter Bar Lifting Additional Ram Autolevel
Rear Wheels
Rear Wheels Autolevel
Front Wheels
Front Wheels Autolevel
1
2
3
4
5
6
6
7
8
8
9
10
11
12
12
13
14
15
16
17
17
17
17
18
19
19
Позиция на иллюстрации
Заводской номер детали
Название детали
1
LA10734901
SPLIT PIN
2
LA11106221
SCREW
3
LA12034571
LOCK WASHER
4
LA12034671
WASHER
5
LA16043421
CAPSCREW
6
LA16043621
CAPSCREW
7
LA16100811
NUT
8
LA16104111
NUT
9
LA181046480
GRIP
10
LA323215650
ELECTRICAL PLUG
11
LA321217750
PLATE
12
LA321907050
SUPPORT
13
LA322963050
SUPPORT
14
LA322963150
LEVER
15
LA322963250
LEVER
16
LA340415510
BUSH
17
LA355500915
WASHER
18
LA355501120
WASHER
19
LA355533820
WASHER
Содержащиеся в справочниках-каталогах запасные части и детали не предлагаются к продаже, а носят исключительно информационный характер
Дополнительная информация
×
Название:
Номер:
Примечание: