Вернуться на главную
Поиск
Каталоги запчастей к технике
Сельхозтехника
AGCO
Fendt-6300C часть2
Grain Elevator Normal
Каталог запасных частей к технике: AGCO Fendt-6300C часть2. Grain Elevator Normal
zoom-in
zoom-out
enlarge
shrink
circle-right
circle-left
file-text2
info
cart
Тип техники
Не выбрано
Легковые автомобили
Грузовые автомобили и прицепы
Автобусы
Сельхозтехника
Спецтехника
Двигатели
Мототехника
Марка
Не выбрано
AGCO
Amity
CASE IH
DongFeng
Fortschritt
Foton
Franz Kleine
Gaspardo
Great Plains
KRONE
KUHN
Lemken
Lovol
MacDon
Massey Ferguson
New Holland
TIGARBO
Vaderstad
Versatile
Wirax
Агро
Агротехмаш
Бобруйскагромаш (ОАО «УКХ «Бобруйскагромаш»)
БЭМЗ
ВгТЗ
Воронежсельмаш
ВТЗ
Гомсельмаш
ДКЗ
ЗАО "Техника-сервис"
ЗиД
КЗК
Кировец-Ландтехник
Клевер
Красная Звезда
Лидагропроммаш
Лидсельмаш
ЛТЗ
Машстройхолдинг
Минитракторы
Мордовагромаш
МТЗ
Навигатор-Новое машиностроение
Нефтекамский автозавод
ПТЗ
Ремком
РСМ
Сибсельмаш
ТеКЗ
ТКЗ
ХЗТСШ
ХТЗ
ЮМЗ
Модель
Не выбрано
Allis AA6.190 (2012)
Fendt-5220 часть1 (2008)
Fendt-5220 часть2 (2008)
Fendt-524 (Xylon) часть1 (2012)
Fendt-524 (Xylon) часть2 (2012)
Fendt-524 (Xylon) часть3 (2012)
Fendt-6300C часть1 (2008)
Fendt-6300C часть2 (2008)
Fendt-6300C часть3 (2008)
Fendt-936 часть1 (2012)
Fendt-936 часть2 (2012)
Fendt-936 часть3 (2012)
Схема
>
Не выбрано
Elevator Transmission
Front Elevator
Front Elevator World Wide Hook Up
Front Elevator Autolevel - Chassis
Front Elevator Control Pulley
Front Elevator Autolevel - Control Pulley
Front Elevator
Front Elevator Autolevel - Upper Shaft
Front Elevator Roller, Chain, Beater Bar
Front Elevator Autolevel - Roller, Chain, Beater Bar
Front Elevator Lower Roller
Front Elevator Autolevel - Lower Roller
Front Elevator Standard Transmission Up To 563010119
Front Elevator Standard Transmission From Serial Number 563010120
Front Elevator Standard Transmission - World Wide Hook Up
Front Elevator Integral Autolevel - Transmission
Front Elevator Standard Guard
Front Elevator Standard World Wide Hook Up
Front Elevator Integral Autolevel - Guard
Front Elevator Lower Shaft Up To 563010119
Front Elevator Lower Shaft From Serial Number 563010120
Front Elevator Lower Shaft - World Wide Hook Up
Front Elevator Autolevel - Lower Shaft
Front Elevator Standard
Front Elevator Standard World Wide Hook Up
Front Elevator Integral Autolevel
Front Elevator Integral Overhang
Front Elevator Integral World Wide Hook Up
Front Elevator Integral Autolevel
Front Elevator
Front Elevator Autolevel
Feeder Roller
Feeder Roller World Wide Hook Up
Feeder Roller Autolevel
Feeder Roller
Feeder Roller Autolevel
Feeder Roller Elements Up To 563010119 /Autolevel 563410050
Feeder Roller Elements From Serial Number 563010120 /Autolevel 5634100
Feeder Roller Elements Autolevel
Cutter Bar Lifting
Cutter Bar Lifting Autolevel
Cutter Bar Lifting
Cutter Bar Lifting World Wide Hook Up
Cutter Bar Lifting Autolevel
Cutter Bar Lifting From Serial Number 563010120 /Autolevel 5634100
Cutter Bar Lifting
Cutter Bar Lifting World Wide Hook Up
Cutter Bar Lifting Autolevel
Reverser
Reverser Autolevel
Reverser
Reverser Autolevel
Frame
Drum Housing
Drum Housing
Drum Housing
Drum Variator
Drum Variator Up To 563010119 /Autolevel 563410050
Drum Variator From Serial Number 563010120 /Autolevel 5634100
Drum Variator Elements
Drum With Bars
Beater Behind Drum
Peg Drum
Concave Control Drive
Concave Control Drive
Concave
Spike Tooth Concave Rice
Spike Tooth Concave Rice
Concave For Maize And Sun Flower From Serial Number 563010044 /Autolevel 5634100
Concave For Maize And Sun Flower From Serial Number 563010044 /Autolevel 5634100
Conveying Concave
Conveying Concave
Thresing Mechanism Drive
Multi Crop Separator Rotating Separator
Multi Crop Separator Rotating Separator
Multi Crop Separator Rotating Separator
Multi Crop Separator Rotating Separator
Multi Crop Separator Rotating Separator
Multi Crop Separator Rotating Separator
Mcs Gear Reduction Electric Drive
Straw Walkers Case
Straw Walkers Case
Rear Body
Rear Body
Rear Body
Straw Walker
Parts For Normals Soils
Parts For Normals Soils
Straw Walker Drive
Straw Walker Drive
Swather Rake
Straw Chopper Transmission
Straw Chopper Transmission
Straw Chopper Transmission
Straw Chopper Drive Clutch
Straw Chopper Transmission
Straw Chopper Supports
Straw Chopper Supports
Straw Chopper Supports
Straw Chopper Body Stiffener
Straw Chopper Electric System
Straw Chopper Chassis
Straw Chopper Chassis
Straw Chopper Chopper Drum
Straw Chopper Spreader Housing
Straw Chopper Deflectors
Straw Chopper Deflectors Adjustment
Straw Chopper Straw Chopper Exclusion Device
Grain Pan
Grain Pan Drive
Grain Pan Drive
Shaker Shoe
Shaker Shoe Belt Tensioner
Shaker Shoe
Lower Shaker Shoe
Lower Shaker Shoe
Upper Shaker Shoe
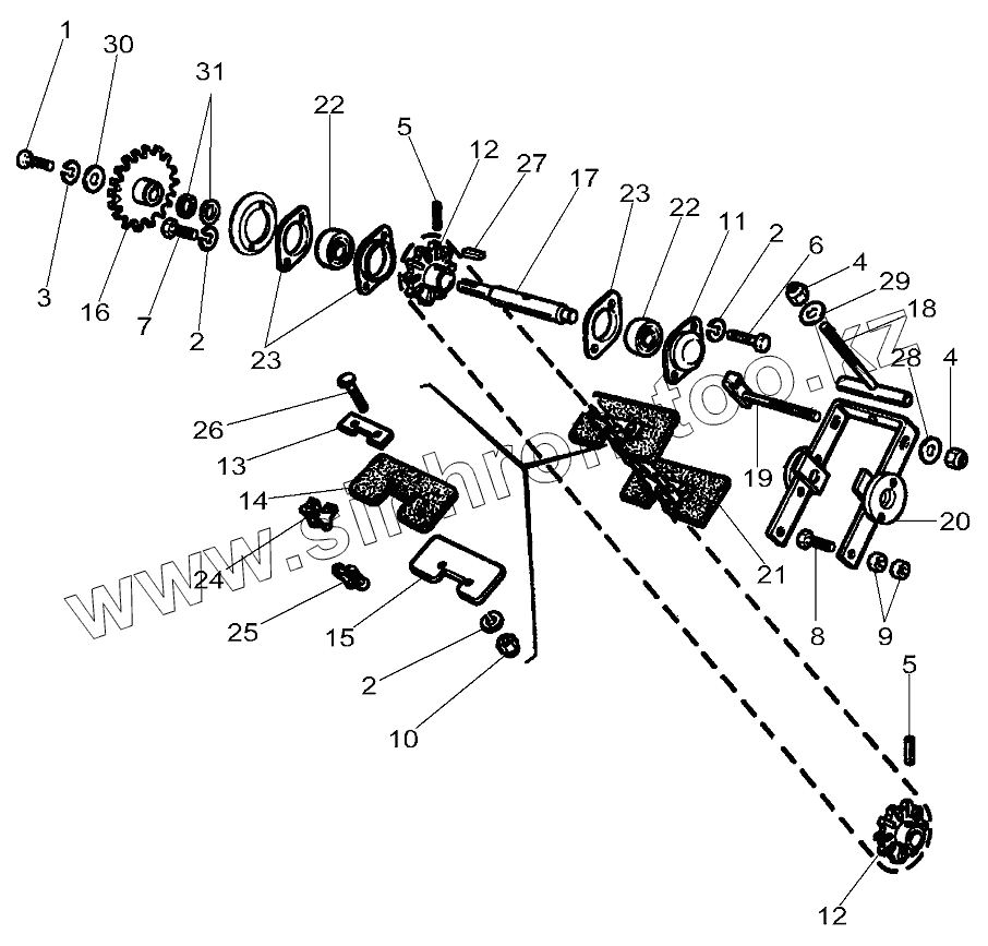
Grain Elevator Normal
Grain Elevator Normal
Grain Elevator Normal
Grain Elevator Normal
Tailings Elevator
Tailings Elevator Normal
Tailings Elevator Normal
Tailings Elevator Normal
Tailings Elevator Normal
Fan Up To 563010043 /Autolevel 563410022
Fan From Serial Number 563010044 /Autolevel 5634100
Fan
Fan
Fan Variator
Fan Variator Elements
Grain Elevator Anthwear Chassis
Grain Elevator Anthwear
Grain Elevator Anthwear Chain
Grain Elevator Anthwear Upper Transmission
Tailings Elevator Anthwear Chassis
Tailings Elevator Anthwear
Tailings Elevator Anthwear Chain
Tailings Elevator Anthwear Normal
Tailings Elevator Anthwear Auger
Fan Speed Variator Electric Digital Control
Upper Sieve, Adjustable
Lower Sieve
Grain Tank
Grain Tank
Grain Tank
Retractable Grain Tank Extension
Retractable Grain Tank Extension Up To 563010043 /Autolevel 563410022
Retractable Grain Tank Extension From Serial Number 563010044 /Autolevel 5634100
Retractable Grain Tank Extension
Retractable Grain Tank Extension From Serial Number 563010044
Retractable Grain Tank Extension From Serial Number 563010044
Retractable Grain Tank Extension From Serial Number 563010044
Retractable Grain Tank Extension From Serial Number 563010044
Retractable Grain Tank Extension Autolevel
Tank Feed
Tank Feed
Tank Feed
Case Elements
Grain Tank Unloading Auger
Grain Tank Unloading Vertical Tube
Grain Tank Unloading Vertical Tube
Grain Tank Unloading Vertical Tube
Grain Tank Unloading Vertical Tube
Grain Tank Unloading Vertical Tube
Grain Tank Unloading Vertical Tube
Lower Case Elements
Upper Case Elements
Drive And Unloading Tank Clutch
Drive And Unloading Tank Clutch
Drive And Unloading Tank Clutch
Swing-Type Control Ram And Piping Up To 563010119 /Autolevel 563410050
Swing-Type Control Ram And Piping From Serial Number 563010120 /Autolevel 5634100
Engine Cover
Engine Cover Autolevel
Engine Cover
Engine Cover Autolevel
Engine Access Ladder
1
2
2
2
3
4
4
5
5
6
7
8
9
10
11
12
12
13
14
15
16
17
18
19
20
21
22
22
23
23
24
25
26
27
28
29
30
31
Позиция на иллюстрации
Заводской номер детали
Название детали
1
LA11106424
SCREW
2
LA12034571
LOCK WASHER
3
LA12034671
WASHER
4
LA12577211
NUT
5
LA14610370
ROLL PIN
6
LA16043224
CAPSCREW
7
LA16043424
CAPSCREW
8
LA16043624
CAPSCREW
9
LA16100811
NUT
10
LA16104111
NUT
11
LA300016273
FLANGE
12
LA300132810
GEAR
13
LA321814650
REINFORCEMENT
14
LA321814750
PADDLE
15
LA321814850
REINFORCEMENT
16
LA321824550
GEAR
17
LA321844350
SHAFT
18
LA321844450
TIE ROD
19
LA321844550
TIE ROD
20
LA321844750
SUPPORT
21
LA321862500
CHAIN
22
LA340411236
BEARING ASSY
23
LA340411458
FLANGE
24
LA344382162
LINK
25
LA344382163
LINK
26
LA350342513
SCREW
27
LA350384628
KEY
28
LA355511030
WASHER
29
LA355511050
WASHER
30
LA355521050
BUSH
31
LA355536210
WASHER
Содержащиеся в справочниках-каталогах запасные части и детали не предлагаются к продаже, а носят исключительно информационный характер
Дополнительная информация
×
Название:
Номер:
Примечание: