Вернуться на главную
Поиск
Каталоги запчастей к технике
Сельхозтехника
AGCO
Fendt-524 (Xylon) часть3
STARTER INSTALLATION
Каталог запасных частей к технике: AGCO Fendt-524 (Xylon) часть3. STARTER INSTALLATION
zoom-in
zoom-out
enlarge
shrink
circle-right
circle-left
file-text2
info
cart
Тип техники
Не выбрано
Легковые автомобили
Грузовые автомобили и прицепы
Автобусы
Сельхозтехника
Спецтехника
Двигатели
Мототехника
Марка
Не выбрано
AGCO
Amity
CASE IH
DongFeng
Fortschritt
Foton
Franz Kleine
Gaspardo
Great Plains
KRONE
KUHN
Lemken
Lovol
MacDon
Massey Ferguson
New Holland
TIGARBO
Vaderstad
Versatile
Wirax
Агро
Агротехмаш
Бобруйскагромаш (ОАО «УКХ «Бобруйскагромаш»)
БЭМЗ
ВгТЗ
Воронежсельмаш
ВТЗ
Гомсельмаш
ДКЗ
ЗАО "Техника-сервис"
ЗиД
КЗК
Кировец-Ландтехник
Клевер
Красная Звезда
Лидагропроммаш
Лидсельмаш
ЛТЗ
Машстройхолдинг
Минитракторы
Мордовагромаш
МТЗ
Навигатор-Новое машиностроение
Нефтекамский автозавод
ПТЗ
Ремком
РСМ
Сибсельмаш
ТеКЗ
ТКЗ
ХЗТСШ
ХТЗ
ЮМЗ
Модель
Не выбрано
Allis AA6.190 (2012)
Fendt-5220 часть1 (2008)
Fendt-5220 часть2 (2008)
Fendt-524 (Xylon) часть1 (2012)
Fendt-524 (Xylon) часть2 (2012)
Fendt-524 (Xylon) часть3 (2012)
Fendt-6300C часть1 (2008)
Fendt-6300C часть2 (2008)
Fendt-6300C часть3 (2008)
Fendt-936 часть1 (2012)
Fendt-936 часть2 (2012)
Fendt-936 часть3 (2012)
Схема
>
Не выбрано
POWER LIFT
D.A. HYDR. CYLINDER
D.A. HYDR. CYLINDER
D.A. HYDR. CYLINDER
D.A. HYDR. CYLINDER
D.A. HYDR. CYLINDER
OIL TANK
DRAFT PIN
CONTROL PART
CONTROL PART
CONTROL PART
COVER
CONTROL VALVE
CONTROL VALVE
SENSOR
ELECTRONIC BOX
EL.HD.REMOTE CONTROL
LIFT ARMS
LIFT ARMS
SUPPORT
SUPPORT
UPPER LINK
UPPER LINK
UPPER LINK
HYDR. UPPER LINK
HYDR. UPPER LINK
HYDR. UPPER LINK
LINK HOLDER
LINK HOLDER
LINK HOLDER
BOTTOM LINK
BOTTOM LINK
COMPRESSOR INSTALLAT
SUCTION PIPING
PRESSURE PIPE
PRESSURE PIPE
PRESSURE PIPE
PRESSURE PIPE
PRESSURE PIPE
DEFROSTING PUMP
DEFROSTING PUMP
DEFROSTING PUMP
AIR TANK
AIR TANK
AIR TANK
AIR TANK
SPILL-VALVE
DISTRIBUTOR
DISTRIBUTOR
HAND BRAKE VALVE
BRAKE CYLINDER
TRAILER VALVE
TRAILER VALVE
DOUBLE PIPE BRAKE
DOUBLE PIPE BRAKE
DOUBLE PIPE BRAKE
AIR BRAKE SINGLE
AIR BRAKE SINGLE
MOUNTING FRAME
MOUNTING FRAME
MOUNTING FRAME
HOIST 3
HOIST 3S
HOIST 3S
LIFT CYLINDER
LIFT CYLINDER
LIFT CYLINDER
PARALLELOGR.MOUNTING
D.A. HYDR. CYLINDER
FAST COUPL.FRAME
PARALLELOGR.MOUNTING
D.A. HYDR. CYLINDER
FAST COUPL.FRAME
PARALLELOGR.MOUNTING
FAST COUPL.FRAME
D.A.HYDR. YLINDER
PIPING LIFT ARM
PIPING LIFT ARM
PIPING LIFT ARM
PIPING LIFT ARM
PIPING PARALLELOGR.3
PIPING PARALLELOGR.3
PIPING PARALLELOGR.3
PIPING PARALLELOGR.3
TUBE
DAMPING
PIPING PARALLELOGR.3
VALVE UNIT
CONNECTING PIPE
CONNECTING PIPE
CONNECTING PIPE
MULTICOUPLING
MULTICOUPLING
HYD.CIRC. 3 CAT 3S
HYD.CIRC. 3 CAT 3S
HYDR.CIRCUIT 3
HYDR.CIRCUIT 3
HEAVY GOODS BUCKET
UNIVERSAL SCOOP
BULK SCOOP
BULK SCOOP
BULK SCOOP
MANURE FORK
PALLET FORK
DYNAMO
DYNAMO
HEADLIGHT
LIGHTING
LIGHTING
LICENCE PLATE HOLDER
LICENCE PLATE HOLDER
DASHBOARD
DASHBOARD
RELAIS MOUNTING
SWITCH
SWITCH
SWITCH
SWITCH
SWITCH
CABLE LOOM
CABLE LOOM
CABLE LOOM
CABLE LOOM
CABLE LOOM
REP.SET CABLE LOOM
REP.SET CABLE LOOM
SOCKET F. IMPLEMENTS
BATTERY INSTALLATION
BATTERY INSTALLATION
BATTERY INSTALLATION
STARTER INSTALLATION
STARTER INSTALLATION
STARTER INSTALLATION
SOCKET F.TRAIL.LIGHT
SOCKET
ADDITIONAL LIGHTING
ADDITIONAL LIGHTING
WORK LAMP
WORK LAMP
WORK LAMP
WORK LAMP
WORK LAMP
WORK LAMP
WORK LAMP
WORK LAMP
WORK LAMP
WORK LAMP
SIGNAL LIGHT
SIGNAL LIGHT
D.A. HYDR. CYLINDER
D.A. HYDR. CYLINDER
TUBE
TUBE
TUBE
FRONT POWER LIFT
BOTTOM LINK
BOTTOM LINK
UPPER LINK
UPPER LINK
UPPER LINK
UPPER LINK
CONTROL VALVE
CONTROL VALVE
SENSOR
SOLENOID SWITCH
ELECTRONIC BOX
CONTROL PART
CONTROL PART
EL.HD.REMOTE CONTROL
FRONT WEIGHT CARRIER
LOADING WEIGHT
ADDITIONAL WEIGHT
CARRIER
TRAILER HITCH
PUMP INSTALLATION
PUMP INSTALLATION
PUMP INSTALLATION
SHIFTING
SHIFTING
PRESSURE CONTROL
PIPES LIFT CYLINDER
PIPES BASIC CIRCUIT
PIPES BASIC CIRCUIT
PIPES BASIC CIRCUIT
PIPES-WITH OIL COOL.
RETURN FLOW
CONTROL PIPE
PIPES HYDR.STEERING
PIPE
PIPES HD.TRAIL.BRAKE
PIPES HD.TRAIL.BRAKE
CONNECTION PLATE
VALVE INSTALLATION
VALVE SUPPORT
VALVE SUPPORT
CONSOLE
GOVERNOR
SHIFTING
JOYSTICK
SHIFTING
REAR PANEL
HYDR.CONN. D.A. REAR
HYDR.CONN. D.A. REAR
HYDR.CONN. D.A. REAR
HYDR.CONN. D.A. REAR
HYDR.CONN. D.A. REAR
RETURFLOW REAR
HYDR.CONN. D.A. MID.
HYDR.CONN. D.A. MID.
HYDR.CONN. D.A. MID.
HYDR.CONN. D.A. MID.
HYDR.CONN. D.A. MID.
EXT.PLESS.CONNECTION
RETURNFLOW MIDDLE
COUPLING BRACKET
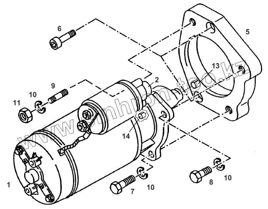
1
1
2
2
2
2
2
5
6
7
8
9
10
10
10
11
13
14
Позиция на иллюстрации
Заводской номер детали
Название детали
1
F824900060130
STARTER MOTOR
1
F524900060050
STARTER MOTOR
2
F824900060110
CARBON BRUSH
2
F524900060030
MAGNETIC SWITCH
2
F824900060090
MAGNETIC SWITCH
2
F524900060040
PINION
2
F824900060150
PINION
5
F524900060020
INTERMEDIATE FLANGE
6
X485007305000
CYLIND. HEAD SCREW
7
X487532141000
HEXAGON SCREW
8
X487531705000
HEXAGON SCREW
9
X489132005000
THREADED PIN
10
X520804401000
SPRING RING
11
X428202803000
HEXAGON NUT
13
F824900060160
SINTERED METAL BUSH
14
F824900060140
SINTERED METAL BUSH
Содержащиеся в справочниках-каталогах запасные части и детали не предлагаются к продаже, а носят исключительно информационный характер
Дополнительная информация
×
Название:
Номер:
Примечание: