Каталог запасных частей к технике: AGCO Fendt-524 (Xylon) часть3. SHIFTING
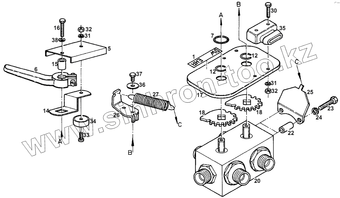
1
5
6
7
12
12
14
15
16
17
18
18
20
20
22
23
24
25
26
27
30
31
31
32
32
33
34
36
37
38
| Позиция на иллюстрации | Заводской номер детали | Название детали | |
|---|---|---|---|
| 1 | 816950010260 | INSTRUCTION PLATE | |
| 5 | 524950010180 | COVER | |
| 6 | X598020200000 | COCK SPANNER | |
| 7 | X548854466000 | O-RING | |
| 12 | X533206646000 | SNAP RING | |
| 14 | 514950160250 | DRIVER | |
| 15 | 198100120040 | BUSH | |
| 16 | X487517505000 | HEXAGON SCREW | |
| 17 | 816950010221 | COVER | |
| 18 | 816950010210 | GEAR WHEEL | |
| 20 | G514950160200 | 2-WAY BALL VALVE | |
| 20 | F514950160010 | SET OF GASKETS | |
| 22 | 178200020080 | BUSH | |
| 23 | X487520941000 | HEXAGON SCREW | |
| 24 | X520803001000 | SPRING RING | |
| 25 | 514950160270 | SUPPORT | |
| 26 | 514950160280 | HOOK | |
| 27 | X699414600000 | TENSION SPRING | |
| 30 | X487513841000 | HEXAGON SCREW | |
| 31 | X520802201000 | SPRING RING | |
| 32 | X428201839000 | HEXAGON NUT | |
| 33 | X461717539000 | CYLIND. HEAD SCREW | |
| 34 | X830120050000 | MAGNET | |
| 36 | X454303908000 | DISC | |
| 37 | X487517141000 | HEXAGON SCREW | |
| 38 | X450003908000 | DISC |
Содержащиеся в справочниках-каталогах запасные части и детали не предлагаются к продаже, а носят исключительно информационный характер