Каталог запасных частей к технике: AGCO Fendt-524 (Xylon) часть2. MUD GUARDS FIX

zoom-in zoom-out enlarge shrink circle-right circle-left file-text2 info cart
1
2
3
3
4
5
5
5
5
6
6
6
6
7
8
9
10
12
12
13
14
15
18
19
20
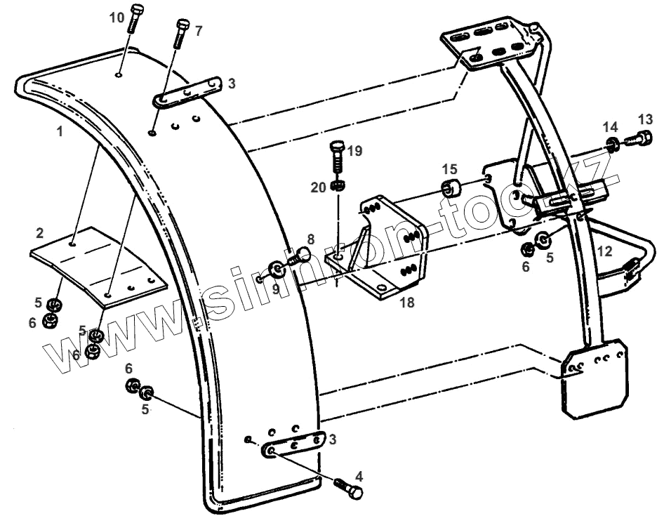
Позиция на иллюстрации Заводской номер детали Название детали
1 816700034040 MUDGUARD
2 816700034032 SHEET METAL
3 385700030061 HANDLE
4 Х487527941000 HEXAGON SCREW
5 Х454306308000 DISC
6 Х428202439000 HEXAGON NUT
7 Х487528141000 HEXAGON SCREW
8 Х477828102000 FLAT HEAD SCREW
9 Х454407508000 DISC
10 Х487527741000 HEXAGON SCREW
12 Н524700030030 STRUT
12 Н524700030040 STRUT
13 Х487541305000 HEXAGON SCREW
14 Х520806001000 SPRING RING
15 246500200030 DISC
18 Н524700030050 CONSOLE
19 Х487550305000 HEXAGON SCREW
20 Х520807201000 SPRING RING
Содержащиеся в справочниках-каталогах запасные части и детали не предлагаются к продаже, а носят исключительно информационный характер