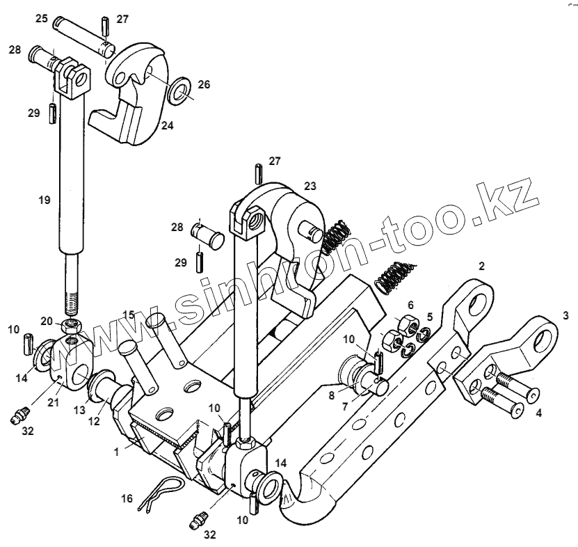
Каталог запасных частей к технике: AGCO Fendt-524 (Xylon) часть2. DRAWBAR
1
2
3
4
5
6
7
8
10
10
10
10
12
13
14
14
15
16
19
20
21
23
24
25
26
27
27
28
28
29
29
32
32
| Позиция на иллюстрации | Заводской номер детали | Название детали | |
|---|---|---|---|
| 1 | F199500160020 | CARRIER | |
| 2 | F199500160130 | DRAWBAR | |
| 3 | F199500160250 | COUNTER PIECE | |
| 4 | Х497844500000 | C'SUNK SCREW | |
| 5 | Х523706600000 | SPRING RING | |
| 6 | Х428204039000 | HEXAGON NUT | |
| 7 | F199500160110 | SHAFT | |
| 8 | F199500160260 | DISC | |
| 10 | Х500629146000 | SP-PIN | |
| 12 | F199500160070 | BOLT | |
| 13 | F524500160070 | DISC | |
| 14 | Х450014402000 | DISC | |
| 15 | F199500160140 | BOLT | |
| 16 | F199500160300 | CLIP PIN | |
| 19 | F524500160060 | LIFT TUBE | |
| 20 | Х428804804000 | HEXAGON NUT | |
| 21 | F199500160350 | SHACKLE | |
| 23 | F199500160310 | HYDRAULIC LIFT ARM | |
| 24 | F199500160320 | HYDRAULIC LIFT ARM | |
| 25 | F199500160340 | BOLT | |
| 26 | Х450012002000 | DISC | |
| 27 | Х500628846000 | SP-PIN | |
| 28 | F199500160360 | BOLT | |
| 29 | Х500621846000 | SP-PIN | |
| 32 | Х662516002000 | LUBRICATOR |
Содержащиеся в справочниках-каталогах запасные части и детали не предлагаются к продаже, а носят исключительно информационный характер