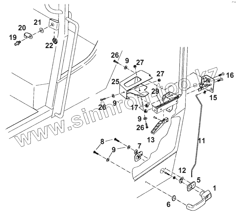
Каталог запасных частей к технике: AGCO Fendt-524 (Xylon) часть2. DOOR LOCK
1
1
5
6
7
7
8
9
9
9
9
11
11
12
13
15
15
16
17
19
20
21
22
25
25
26
26
26
26
27
27
29
| Позиция на иллюстрации | Заводской номер детали | Название детали | |
|---|---|---|---|
| 1 | F524810030010 | HANDLE WITH PUSH-BUT | |
| 1 | G524810030040 | HANDLE WITH PUSH-BUT | |
| 5 | 816810030650 | PAD | |
| 6 | 816810030660 | PAD | |
| 7 | G524810030050 | BY PASS | |
| 7 | G524810030070 | BY PASS | |
| 8 | Х487520441000 | HEXAGON SCREW | |
| 9 | Х450005108000 | DISC | |
| 11 | 524810030370 | CONNECTING ROD | |
| 11 | 524810030380 | CONNECTING ROD | |
| 12 | 524810030360 | CALIPER | |
| 13 | Н816810030310 | HANDLE | |
| 15 | G524810030060 | LOCK | |
| 15 | G524810030030 | LOCK | |
| 16 | Х497825500000 | C'SUNK SCREW | |
| 17 | Х428202239000 | HEXAGON NUT | |
| 19 | F281505210020 | CATCH | |
| 20 | F291500210030 | BOW | |
| 21 | F281505210030 | WASHER | |
| 22 | 198810030010 | HEXAGON NUT | |
| 25 | 524810030350 | LOCK COVERING | |
| 25 | 524810030260 | LOCK COVERING | |
| 26 | Х495922600000 | FILL HEAD SCREW | |
| 26 | Х493018001000 | CUTTING SCREW | |
| 27 | Х434102240000 | HEXAGON NUT | |
| 29 | Х903005231995 | SEALING RIBBON |
Содержащиеся в справочниках-каталогах запасные части и детали не предлагаются к продаже, а носят исключительно информационный характер