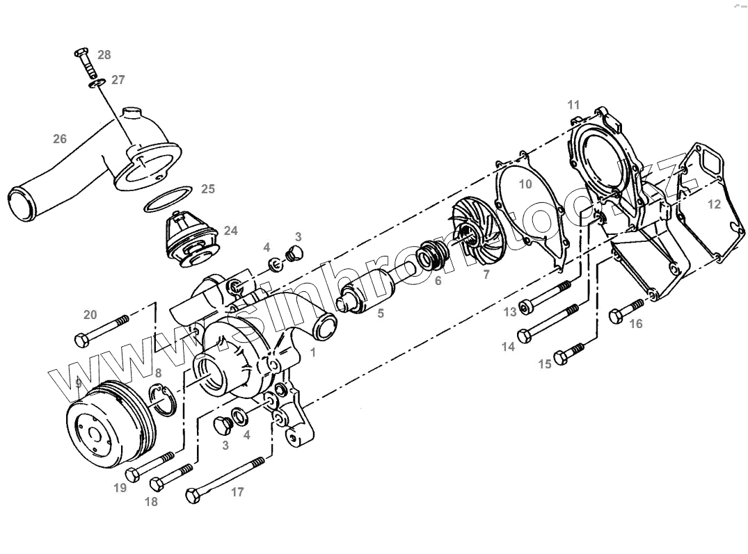
Каталог запасных частей к технике: AGCO Fendt-524 (Xylon) часть1. WATER PUMP
1
3
3
4
4
5
6
7
8
9
10
11
12
13
14
15
16
17
18
19
20
24
25
26
27
28
| Позиция на иллюстрации | Заводской номер детали | Название детали | |
|---|---|---|---|
| 1 | F524200610020 | WATER PUMP | |
| 3 | Х494203800000 | LOCK SCREW | |
| 4 | Х540004078000 | SEALING RING | |
| 5 | F524200610030 | WATER PUMP BEARING | |
| 6 | F926200610040 | SLIDING RING | |
| 7 | F524200610040 | IMPELLER | |
| 8 | Х530106146000 | CIRCLIP | |
| 9 | F524200610050 | V-BELT PULLEY | |
| 10 | F524200610010 | GASKET | |
| 11 | F524200610060 | PUMP HOUSING | |
| 12 | F824200610030 | GASKET | |
| 13 | Х485008342000 | CYLIND. HEAD SCREW | |
| 14 | Х486529405000 | HEXAGON SCREW | |
| 15 | Х487527741000 | HEXAGON SCREW | |
| 16 | Х487528341000 | HEXAGON SCREW | |
| 17 | Х487529600000 | HEXAGON SCREW | |
| 18 | Х487528241000 | HEXAGON SCREW | |
| 19 | Х487528341000 | HEXAGON SCREW | |
| 20 | Х486528605000 | HEXAGON SCREW | |
| 24 | F824200050060 | THERMOSTAT INSERT | |
| 25 | F291200610120 | O-SEAL | |
| 26 | F524200610070 | COVER | |
| 27 | Х450006308000 | DISC | |
| 28 | Х487528141000 | HEXAGON SCREW |
Содержащиеся в справочниках-каталогах запасные части и детали не предлагаются к продаже, а носят исключительно информационный характер