Вернуться на главную
Поиск
Каталоги запчастей к технике
Сельхозтехника
AGCO
Fendt-5220 часть2
Front Axle Spacer (Mm. 250)
Каталог запасных частей к технике: AGCO Fendt-5220 часть2. Front Axle Spacer (Mm. 250)
zoom-in
zoom-out
enlarge
shrink
circle-right
circle-left
file-text2
info
cart
Тип техники
Не выбрано
Легковые автомобили
Грузовые автомобили и прицепы
Автобусы
Сельхозтехника
Спецтехника
Двигатели
Мототехника
Марка
Не выбрано
AGCO
Amity
CASE IH
DongFeng
Fortschritt
Foton
Franz Kleine
Gaspardo
Great Plains
KRONE
KUHN
Lemken
Lovol
MacDon
Massey Ferguson
New Holland
TIGARBO
Vaderstad
Versatile
Wirax
Агро
Агротехмаш
Бобруйскагромаш (ОАО «УКХ «Бобруйскагромаш»)
БЭМЗ
ВгТЗ
Воронежсельмаш
ВТЗ
Гомсельмаш
ДКЗ
ЗАО "Техника-сервис"
ЗиД
КЗК
Кировец-Ландтехник
Клевер
Красная Звезда
Лидагропроммаш
Лидсельмаш
ЛТЗ
Машстройхолдинг
Минитракторы
Мордовагромаш
МТЗ
Навигатор-Новое машиностроение
Нефтекамский автозавод
ПТЗ
Ремком
РСМ
Сибсельмаш
ТеКЗ
ТКЗ
ХЗТСШ
ХТЗ
ЮМЗ
Модель
Не выбрано
Allis AA6.190 (2012)
Fendt-5220 часть1 (2008)
Fendt-5220 часть2 (2008)
Fendt-524 (Xylon) часть1 (2012)
Fendt-524 (Xylon) часть2 (2012)
Fendt-524 (Xylon) часть3 (2012)
Fendt-6300C часть1 (2008)
Fendt-6300C часть2 (2008)
Fendt-6300C часть3 (2008)
Fendt-936 часть1 (2012)
Fendt-936 часть2 (2012)
Fendt-936 часть3 (2012)
Схема
>
Не выбрано
Grain Tank
Grain Tank
Grain Tank
Retractable Grain Tank Extension
Retractable Grain Tank Extension
Tank Feed
Tank Feed
Tank Feed
Case Elements
Grain Tank Unloading Auger
Grain Tank Unloading Vertical Tube
Grain Tank Unloading Vertical Tube
Grain Tank Unloading Vertical Tube
Grain Tank Unloading Vertical Tube
Grain Tank Unloading Vertical Tube
Lower Case Elements
Upper Case Elements
Drive And Unloading Tank Clutch
Drive And Unloading Tank Clutch
Drive And Unloading Tank Clutch
Swing-Type Control Ram And Piping Up To 551510030
Swing-Type Control Ram And Piping From Serial Number 551510031
Swivel
Body, Right Side
Body, Right Side
Body, Right Side
Body, Right Side
Body, Left Side
Engine Cover Supports
Engine Cover
Engine Access Ladder
R.H. Side Wall Guard
R.H. Side Wall Guard Up To 551510026
R.H. Side Wall Guard From Serial Number 551510027
L.H. Side Wall Guard Up To 551510026
L.H. Side Wall Guard From Serial Number 551510027
Body, Right Side
L.H. Side Wall Guard
L.H. Side Wall Guard
L.H. Side Wall Guard
Platform Support
Platform Support
Driver'S Platform
Driver'S Platform
Ladder Footboard Up To 551510026
Ladder Footboard From Serial Number 551510027
Ladder Footboard From Serial Number 551510027
Ladder Footboard Up To 551510026
Ladder Footboard From Serial Number 551510027
Platform Footboards Left Side
Platform Footboards Right Side
Cab Main Seat
Cab Installation
Cab Installation
Cab Installation
Cab Climatized Cab
Cab Climatized Cab
Cab Roof
Cab Left Door
Cab Right Door
Cab Framing
Cab Framing
Cab Under Roof
Cab Headlight
Cab Headlight
Cab Air Conditioner
Cab Air Conditioner
Cab Air Conditioner
Cab Air Conditioner
Cab Rear View Mirrors
Ladder Footboard Extention Up To 551510026
Ladder Footboard Extention From Serial Number 551510027
Cab Steering Column
Cab Steering Column
Concave Control Drive
Hydraulic Pump Up To 551510030
Hydraulic Pump From Serial Number 551510031
Valve Chest Up To 551510030
Valve-Chest Elements Up To 551510030
Valve-Chest Elements Up To 551510030
Valve Chest From Serial Number 551510031
Valve-Chest Elements From Serial Number 551510031
Reel Circuit Hydraulic Up To 551510030
Reel Circuit Hydraulic From Serial Number 551510031
Reel Circuit Hydraulic
Drive Hydraulic Circuit
Drive Hydraulic Circuit
Connections For Hydraulics Pipes
Straw Chopper Transmission - Up To 551510030
Straw Chopper Transmission - From Serial Number 551510031
Front Lighting Components
Front Lighting Components
Electric System Control Circuits
Electric System Control Circuits
Electric System Control Circuits
Electric System Control Circuits
Electric System Control Circuits
Electric System Control Circuits
Electric System Control Circuits
Electric System Control Circuits
Starting Circuits
Starting Circuits
Valve-Chest Control Circuits Up To 551510030
Valve-Chest Control Circuits From Serial Number 551510031
Valve-Chest Control Circuits
Valve-Chest Control Circuits Up To 551510030
Valve-Chest Control Circuits From Serial Number 551510031
Digital Instrumentation
Digital Instrumentation
Beacon Light With Cab
Operations Control Monitor
Auxiliary Light
Battery Disengaging Device
Battery
Auxiliary Light
Tool Box
Number Plate Holder
Extinguisher Support
Tool Box Support
Decals
Decals
Decals
Decals
Decals
Decals
Straw-Lifter Rider
Elevator Cleaning Blades
Variations And Accessories
Variations And Accessories
Variations And Accessories
Variations And Accessories
Variations And Accessories
Variations And Accessories Autolevel Table Kit
Czeh Republic Version
Equipment, Denmark-Sweden Version
Front Elevator Guard
Germany Version
Wheels Block
Switzerland Version
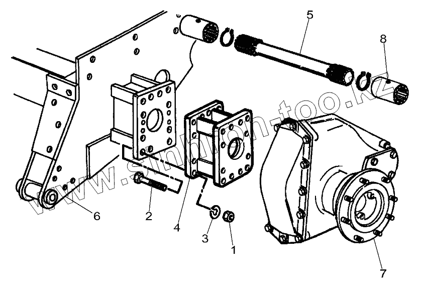
Front Axle Spacer (Mm. 250)
Rasp-Bar Concave
Electrical Adjustment Deflectors
Electrical Adjustment Deflectors
Parts For Sandy Soils
Upper Sieve, Adjustable
Front Elevator Support Kit
Cutter Bar Levelling System Up To 551510030
Cutter Bar Levelling System From Serial Number 551510031
Cutter Bar Levelling System
Cutting Table Block Quick Release Coupling
Excluding Device For Additional Cilinder Of Cutt
Tool Box
Additional Electric System
Fuel Filter
Fuel Filter 10 Micron
Muddy Soil Guards
Chaff Spreader Transmission
Chaff Spreader Bracket - Right Side
Chaff Spreader Left Side Supports
Chaff Spreader Chassis
Chaff Spreader Guard
Canvas
Chain Drive For Drum
Ballast Weight On Rear Axle 4wd
Ballast Weight On Rear Axle
Rear Wheel Weight
Ballast Weight On Rear Body
Ballast Weight On Rear Body
Spike Tooth Concave With 2 Complete Thresing Section
Supplement Beater, Corn, Mixed Crop
Concave, Corn, Mixed Crop
Concave, Corn, Mixed Crop
Upper Sieve, Corn, Cob, Mixed Crop
Drum Bar Plates
Equipment For Small Seeds
Equipment For Soy
Cutter Bar Lifting Additional Ram
Rear Wheels
Front Wheels
1
2
3
4
5
6
7
8
Позиция на иллюстрации
Заводской номер детали
Название детали
1
LA10790521
NUT
2
LA11254134
CAPSCREW
3
LA12034871
WASHER
4
LA320719950
EXTENSION
5
LA321987650
SHAFT
6
FRONTAXLE
FRONT AXLE
7
GEAR
GEAR
8
BUSH
BUSH
Содержащиеся в справочниках-каталогах запасные части и детали не предлагаются к продаже, а носят исключительно информационный характер
Дополнительная информация
×
Название:
Номер:
Примечание: