Вернуться на главную
Поиск
Каталоги запчастей к технике
Сельхозтехника
AGCO
Allis AA6.190
Battery
Каталог запасных частей к технике: AGCO Allis AA6.190. Battery
zoom-in
zoom-out
enlarge
shrink
circle-right
circle-left
file-text2
info
cart
Тип техники
Не выбрано
Легковые автомобили
Грузовые автомобили и прицепы
Автобусы
Сельхозтехника
Спецтехника
Двигатели
Мототехника
Марка
Не выбрано
AGCO
Amity
CASE IH
DongFeng
Fortschritt
Foton
Franz Kleine
Gaspardo
Great Plains
KRONE
KUHN
Lemken
Lovol
MacDon
Massey Ferguson
New Holland
TIGARBO
Vaderstad
Versatile
Wirax
Агро
Агротехмаш
Бобруйскагромаш (ОАО «УКХ «Бобруйскагромаш»)
БЭМЗ
ВгТЗ
Воронежсельмаш
ВТЗ
Гомсельмаш
ДКЗ
ЗАО "Техника-сервис"
ЗиД
КЗК
Кировец-Ландтехник
Клевер
Красная Звезда
Лидагропроммаш
Лидсельмаш
ЛТЗ
Машстройхолдинг
Минитракторы
Мордовагромаш
МТЗ
Навигатор-Новое машиностроение
Нефтекамский автозавод
ПТЗ
Ремком
РСМ
Сибсельмаш
ТеКЗ
ТКЗ
ХЗТСШ
ХТЗ
ЮМЗ
Модель
Не выбрано
Allis AA6.190 (2012)
Fendt-5220 часть1 (2008)
Fendt-5220 часть2 (2008)
Fendt-524 (Xylon) часть1 (2012)
Fendt-524 (Xylon) часть2 (2012)
Fendt-524 (Xylon) часть3 (2012)
Fendt-6300C часть1 (2008)
Fendt-6300C часть2 (2008)
Fendt-6300C часть3 (2008)
Fendt-936 часть1 (2012)
Fendt-936 часть2 (2012)
Fendt-936 часть3 (2012)
Схема
>
Не выбрано
Engine Installation, with Platform
Engine Installation, with cab
Air Cleaner
Air Cleaner
Exhaust, with Platform
Clamp
Exhaust, with cab
Fuel System
Fuel Tank
Fuel Tank
Fuel Tank
Fuel Tank, Support
Support
Clutch
Transmission
Clutch, Drive
Clutch, Stopping And Fixation
Transmission, Shift Lever
Transmission, Shaft And Forks
Transmission, Countershaft-Trans
Transmission, Out Put Shaft
Transmission, Out Put Shaft
Transmission, Shaft Rear
Transmission, Housing - Closing
Transmission Link Housing
Lever Assembly
Rear Axle, Traction Drive
Rear Axle, Lock Drive
Rear Axle, Parking Brake Drive
Rear Axle, Pump Drive
Rear Axle, Housing - Closing
Fixation, Rear Cover
Rear Axle
Rear Axle, Housing - Closing
Independent Power Take Off
Independent Power Take Off, 540 / 1000 Rpm
Pto-Drive Mechanism, 540 / 1000 Rpm
Pto-Drive Mechanism, Housing - Closing
Front Axle
Front Axle
Front Axle
Front Axle
Front Axle
Front Axle
Front Axle
Front Axle
Front Mudguard
Transmission, Internal Hydraulic System
Transmission, Internal Hydraulic System
Transmission, External Hydraulic System
Transmission, External Hydraulic System
System Of Direction
Steering Colmn
Hydrostatic Steering, Danfoss
Hydrostatic Steering, Danfoss
Control Valve, With 3 Boddy - Aa 6.175 / 6.190 / 6.220
Return Supply Inslalation
Hydraulics - Steering Gear
Oil Radiator
Instrument Panel
Electric System, With Platform
Electric System, With Platform
Electric System, With Platform
Harness
Front Electric System
Headlamp
Electric System
Electric System
Electric System
Electric System
Battery
Headlamp, Tractors With Operator Plataform
Headlamp, Tractors With Operator Plataform
Speed Charts, 540 / 1000 Rpm
Sheet Metal, With Platform
Sheet Metal, With Platform
Sheet Metal, With Platform
Sheet Metal, With Cab
Deflector
Decals
Decals, Tractors With Operator Plataform
Decals, Tractors With Operator Plataform
Decal, With Cab
Decal, With Cab
Operator Plataform
Operator Plataform
Canopy, With Platform
Minihood, With Platform
Ladder
Seat, With Platform
Seat, With Cab
Seat, Tractors With Cab
Seat, Tractors With Cab
Rear Mudguard, With Platform
Throttle, With Platform
Throttle, With Cab
Brake, Tractors With Operator Plataform
Brake, With Cab
Front Drive Control, With Platform
Front Drive Control, Tractors With Cab
Throttler Assy
Brake Drive, Tractors With Operator Plataform
Brake Drive, Tractors With Cab
Breake And Clutch Command, With Cab
Pedal
Remot Control Lever
Rc Lever Assy - 3 Valve, With Cab
Tdp Kit
Front Weight Bracket, With Platform
Front Weight Bracket, With Cab
Bracket And Front Wheight
Front Wheels
Rear Wheels 24.5 X 32 R1
Rear Wheel Weights 14 Wheights X 100kg
Warning Triangle
Ilumination Plate Bracket
Tools Box
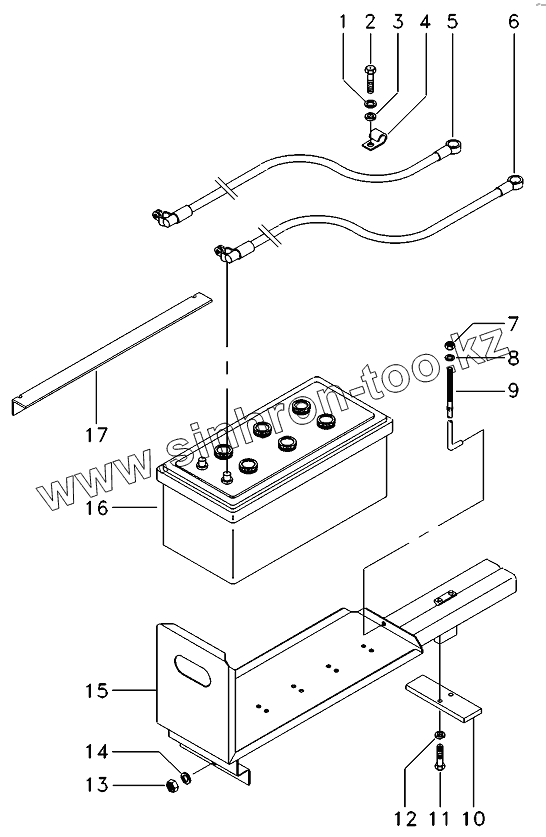
1
2
3
4
5
6
7
8
9
10
11
12
13
14
15
16
17
Позиция на иллюстрации
Заводской номер детали
Название детали
1
390734X1
WASHER
2
3009491X1
bolt
3
339376X1
WASHER
4
371798X1
CLAMP
5
060306T1
cable
6
060307T1
cable
7
826760M1
nut
8
355617X1
washer
9
028345P2
rod
10
054894P1
retainer
11
339761X1
BOLT
12
339374X1
WASHER
13
391056X1
NUT
14
391380X1
WASHER
15
054837S1
tray
16
45090099
battery
17
047042P1
attachment
Содержащиеся в справочниках-каталогах запасные части и детали не предлагаются к продаже, а носят исключительно информационный характер
Дополнительная информация
×
Название:
Номер:
Примечание: