Каталог запасных частей к технике: ЗиД "Восход". Вилка передняя
1
1
1
2
2
2
3
4
5
5
5
6
6
7
7
7
8
8
8
9
9
10
11
11
11
11
12
12
12
12
13
14
14
15
15
16
16
17
18
19
19
19
20
21
22
22
23
23
24
25
25
26
27
28
29
29
30
31
31
31
31
32
32
33
33
34
34
35
35
35
35
36
36
37
37
38
39
40
41
41
41
42
42
43
44
45
46
46
47
47
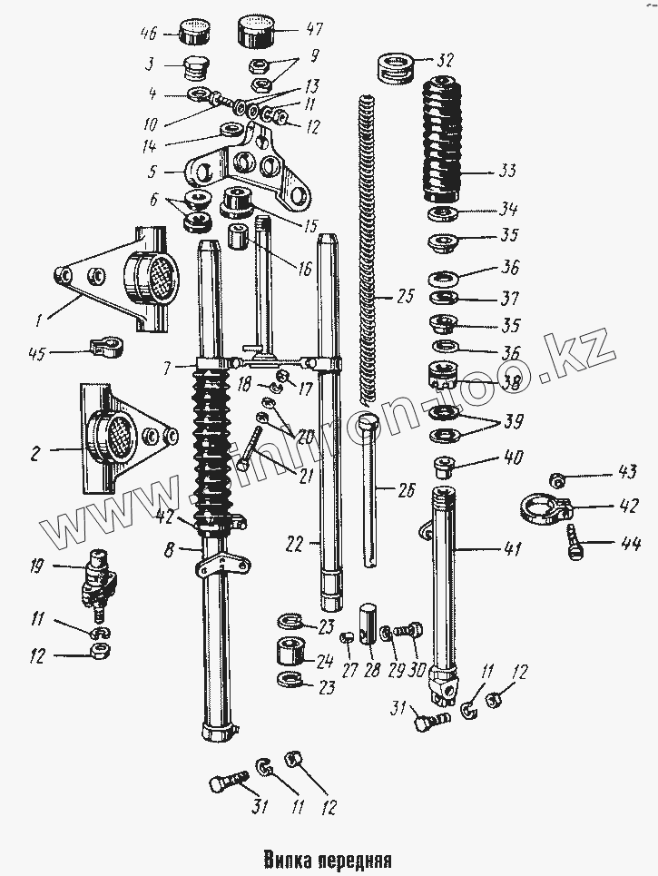
| Позиция на иллюстрации | Заводской номер детали | Название детали | |
|---|---|---|---|
| 1 | 400000490902 | Кронштейн фары левый | |
| 1 | 400000490901 | Кронштейн фары левый | |
| 1 | 400000490903 | Кронштейн фары левый | |
| 2 | 400000491101 | Кронштейн фары правый | |
| 2 | 400000491103 | Кронштейн фары правый | |
| 2 | 400000491102 | Кронштейн фары правый | |
| 3 | 134000403001 | Пробка стяжная | |
| 4 | 7505012 | Кольцо уплотнительное | |
| 5 | 150000402901 | Траверса верхняя | |
| 5 | 150000402902 | Траверса верхняя | |
| 5 | 150000402903 | Траверса верхняя | |
| 6 | 134000402801 | Втулка кронштейна | |
| 6 | 134000402803 | Втулка кронштейна | |
| 7 | 128000490801 | Траверса нижняя | |
| 7 | 128000490802 | Траверса нижняя | |
| 7 | 128000490803 | Траверса нижняя | |
| 8 | 149000490201 | Труба подвижная правая | |
| 8 | 149000490202 | Труба подвижная правая | |
| 8 | 149000490203 | Труба подвижная правая | |
| 9 | 085000374103 | Гайка СП.М26х1-6Н | |
| 9 | 085000374101 | Гайка М20х1-6Н | |
| 10 | 085820171301 | Болт М8х1-6gх45.56.019 ГОСТ 7796-70 | |
| 11 | 085820471601 | Шайба 8.65Г.019 ГОСТ 6402-70 | |
| 12 | 085000370701 | Гайка М8х1-6Н | |
| 13 | 085820471501 | Шайба 8.01.019 ГОСТ 11371-78 | |
| 14 | 085002471501 | Шайба 26 | |
| 14 | 085002471503 | Шайба 26 | |
| 15 | 075001900411 | Колпачок | |
| 15 | 075001900413 | Колпачок | |
| 16 | 128001929511 | Втулка стержня | |
| 16 | 128001929513 | Втулка стержня | |
| 17 | 085820373501 | Гайка М10-6Н.6.019 ГОСТ 5927-70 | |
| 18 | 085820472401 | Шайба 10.65Г.019 | |
| 19 | 134000493801 | Устройство противоугонное | |
| 19 | 134000493802 | Устройство противоугонное | |
| 19 | 134000493803 | Устройство противоугонное | |
| 20 | 085820472001 | Шайба 10.01.019 ГОСТ 10450-78 | |
| 21 | 085820177601 | Болт М10-6gх65 | |
| 22 | 128000490401 | Труба основная | |
| 22 | 128000490403 | Труба основная | |
| 23 | 128000403201 | Кольцо 32х1,6 | |
| 24 | 128000402501 | Втулка основной трубы | |
| 25 | 128000401201 | Пружина вилки | |
| 25 | 128000401203 | Пружина вилки | |
| 26 | 128000490301 | Труба гидроамортизатора | |
| 27 | 128000400701 | Втулка оси | |
| 28 | 128000400601 | Втулка буфера | |
| 29 | 128000404201 | Шайба уплотнительная | |
| 29 | 128000404203 | Шайба уплотнительная | |
| 30 | 128000403301 | Ось трубы гидроамортизатора | |
| 31 | 085820178001 | Болт М8х1-6gх35.56.019 ГОСТ 7796-70 | |
| 31 | 085820178003 | Болт М8х1-6gх35 | |
| 32 | 151000408401 | Втулка чехла | |
| 32 | 151000408403 | Втулка чехла | |
| 33 | 151000402011 | Чехол защитный | |
| 33 | 151000402013 | Чехол защитный | |
| 34 | 128000403601 | Кольцо защитное | |
| 34 | 128000403603 | Кольцо защитное | |
| 35 | 128000491401 | Сальник | |
| 35 | 128000491403 | Сальник | |
| 36 | 128000404301 | Пружина сальника | |
| 37 | 128000403501 | Кольцо распорное | |
| 37 | 128000403503 | Кольцо распорное | |
| 38 | 151000401601 | Корпус сальника | |
| 39 | 128000402701 | Прокладка | |
| 40 | 128000402601 | Втулка подвижной трубы | |
| 41 | 149000490103 | Труба подвижная левая | |
| 41 | 149000490102 | Труба подвижная левая | |
| 41 | 149000490101 | Труба подвижная левая | |
| 42 | 151000494501 | Хомут защитного чехла | |
| 43 | 085000374601 | Гайка М4-6Н | |
| 44 | 085820274001 | Винт В.М4-6gх20.56.019 ГОСТ 1491-80 | |
| 45 | 148000404001 | Держатель троса | |
| 46 | 134001915201 | Колпачок | |
| 46 | 134001915203 | Колпачок | |
| 47 | 134001915101 | Колпачок | |
| 47 | 134001915103 | Колпачок |
Содержащиеся в справочниках-каталогах запасные части и детали не предлагаются к продаже, а носят исключительно информационный характер