Каталог запасных частей к технике: ЗиД "Восход". Рама и маятник
1
1
1
2
2
3
3
4
4
5
6
7
7
8
8
9
9
10
10
11
12
12
12
13
14
15
15
16
17
17
18
19
20
20
21
22
23
23
24
25
25
26
26
27
27
27
28
29
30
30
30
31
32
32
32
32
33
34
34
35
35
35
36
37
38
38
39
40
40
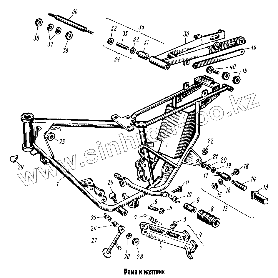
| Позиция на иллюстрации | Заводской номер детали | Название детали | |
|---|---|---|---|
| 149000290003 | 149000290003 | Рама с подставкой | |
| 149000290002 | 149000290002 | Рама с подставкой | |
| 149000290001 | 149000290001 | Рама с подставкой | |
| 1 | 149000291802 | Рама | |
| 1 | 149000291801 | Рама | |
| 1 | 149000291803 | Рама | |
| 2 | 077000203603 | Подставка мотоцикла | |
| 2 | 077000203601 | Подставка мотоцикла | |
| 3 | 125000213301 | Упор | |
| 3 | 125000213303 | Упор | |
| 4 | 125000294001 | Подставка мотоцикла | |
| 4 | 125000294003 | Подставка мотоцикла | |
| 5 | 085820478701 | Шайба 12.65Г | |
| 6 | 075000203701 | Ось подставки | |
| 7 | 125000203801 | Пружина подставки | |
| 7 | 125000203803 | Пружина подставки | |
| 8 | 134001907103 | Валик подножки | |
| 8 | 134001907101 | Валик подножки | |
| 9 | 134001904701 | Основание подножки | |
| 9 | 134001904703 | Основание подножки | |
| 10 | 134000201401 | Пружина | |
| 10 | 134000201403 | Пружина | |
| 11 | 134001903501 | Ось | |
| 12 | 095001992201 | Подножка для пассажира | |
| 12 | 095001992202 | Подножка для пассажира | |
| 12 | 095001992203 | Подножка для пассажира | |
| 13 | 9519048 | Валик подножки для пассажира | |
| 14 | 075001904701 | Основание подножки | |
| 15 | 085000370701 | Гайка М8х1-6Н | |
| 16 | 085820471601 | Шайба 8.65Г.019 ГОСТ 6402-70 | |
| 17 | 075001904901 | Палец подножки | |
| 17 | 075001904903 | Палец подножки | |
| 18 | 085820171601 | Болт М8х1-6gх30 | |
| 19 | 085820472001 | Шайба 10.01.019 ГОСТ 10450-78 | |
| 20 | 085820472401 | Шайба 10.65Г.019 | |
| 21 | 085820373501 | Гайка М10-6Н.6.019 ГОСТ 5927-70 | |
| 22 | 085000472301 | Шайба 15 | |
| 23 | 125001909303 | Колпачок | |
| 23 | 125001909301 | Колпачок | |
| 24 | 085000172001 | Болт М10х1-6gх41 | |
| 25 | 073000206603 | Пружина бокового упора | |
| 25 | 073000206601 | Пружина бокового упора | |
| 26 | 095000206701 | Направляющая пружины | |
| 26 | 095000206703 | Направляющая пружины | |
| 27 | 147000292103 | Упор боковой с откидным крючком | |
| 27 | 147000292101 | Упор боковой с откидным крючком | |
| 27 | 147000292102 | Упор боковой с откидным крючком | |
| 28 | 085000370801 | Гайка М 10х1-6Н | |
| 29 | 9540102 | Упор | |
| 30 | 149000390503 | Маятник | |
| 30 | 149000390501 | Маятник | |
| 30 | 149000390502 | Маятник | |
| 31 | 7503904 | Сайлент-блок | |
| 32 | 075000301003 | Втулка направляющая | |
| 32 | 075000301001 | Втулка направляющая | |
| 33 | 075000300901 | Труба распорная | |
| 34 | 075000390301 | Втулка распорная | |
| 34 | 075000390303 | Втулка распорная | |
| 35 | 149000390001 | Маятник с сайлент-блоками | |
| 35 | 149000390002 | Маятник с сайлент-блоками | |
| 35 | 149000390003 | Маятник с сайлент-блоками | |
| 36 | 075001900501 | Ось маятника | |
| 37 | 085820479801 | Шайба 12.65Г.019 ГОСТ 6402-70 | |
| 38 | 085000371101 | Гайка М12х1-6Н | |
| 39 | 150001908301 | Тяга реактивная | |
| 40 | 085000171501 | Болт М8х1-6gх23 | |
| 40 | 085000171503 | Болт М8х1-6gх23 |
Содержащиеся в справочниках-каталогах запасные части и детали не предлагаются к продаже, а носят исключительно информационный характер