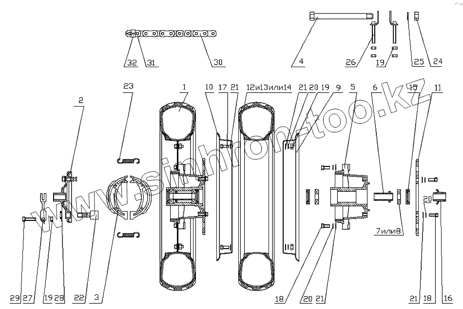
Каталог запасных частей к технике: ЗиД-36 "Птаха". Колесо заднее
1
2
3
4
5
6
7
8
9
10
11
12
13
14
15
16
17
18
18
19
19
19
20
20
20
21
21
21
21
22
23
24
25
26
27
28
29
30
31
32
| Позиция на иллюстрации | Заводской номер детали | Название детали | |
|---|---|---|---|
| 1 | 164000990001 | Колесо заднее | |
| 2 | 164000890401 | Основание тормозных колодок | |
| 3 | 164000890601 | Колодки тормозные с накладками | |
| 4 | 164000990701 | Ось заднего колеса | |
| 5 | 164000990801 | Ступица заднего колеса | |
| 6 | 164000990901 | Втулка распорная | |
| 7 | 164820891401 | Подшипник 60201 ГОСТ 7242-81 | |
| 8 | 164820891501 | Подшипник 201 ГОСТ 8338-75 | |
| 9 | 164000800201 | Обод | |
| 10 | 164000800211 | Обод | |
| 11 | 164000900301 | Звездочка | |
| 12 | 164820801001 | Покрышка шины 3,00-10 мод. К-121 ГОСТ 5652-89 | |
| 13 | 164820801011 | Камера шины 3,00-10 мод. К-121 | |
| 14 | 164000892001 | Шина 3,00-10 мод. М12 Ваrum | |
| 15 | 164000802701 | Манжета ступицы | |
| 16 | 164000801901 | Крышка ступицы | |
| 17 | 085820170300 | Болт М6-6gх14.56.019 ГОСТ 7798-70 | |
| 18 | 085000170601 | Болт М6-6gх17 | |
| 19 | 085820370501 | Гайка М6-6Н.6.019 ГОСТ 5927-70 | |
| 20 | 085820471001 | Шайба 6.65Г. 019 ГОСТ 6402-70 | |
| 21 | 085820471101 | Шайба 6.01.019 ГОСТ 11371-78 | |
| 22 | 164000801201 | Кулачок | |
| 23 | 164000801501 | Пружина | |
| 24 | 085000375901 | Гайка М12х1.5-6Н.6 | |
| 25 | 085820479801 | Шайба 12.65Г.019 ГОСТ 6402-70 | |
| 26 | 164001995701 | Натяжка цепи | |
| 27 | 164001902701 | Планка тормозная | |
| 28 | 141822302901 | Кольцо 011-014-19-2-2 ГОСТ 18829-79 | |
| 29 | 085820172401 | Болт М6-6gх25.88.019 ГОСТ 7798-70 | |
| 30 | 164821990501 | Цепь ПР-12,7-18,2-1 104 звена ТУ 3-1060-78 | |
| 31 | 164821991401 | Звено С-ПР –12,7 –18,2-1 ТУ 3-1060-78 | |
| 32 | 075001902101 | Стяжка пружины замка цепи |
Содержащиеся в справочниках-каталогах запасные части и детали не предлагаются к продаже, а носят исключительно информационный характер