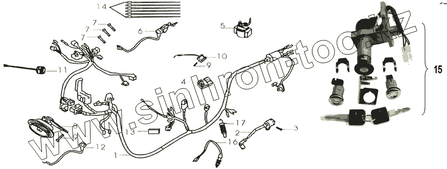
Каталог запасных частей к технике: ЗиД Мотороллер LF-150T-8. Жгут проводов основной
1
2
3
4
5
6
7
7
7
8
9
9
10
11
12
13
14
15
15
| Позиция на иллюстрации | Заводской номер детали | Название детали | |
|---|---|---|---|
| 1 | 32100 | Основной кабель | |
| 2 | 34500 | Катушка зажигания | |
| 3 | GB/T9074.1 | Винт M4х12 | |
| 4 | 34400 | Коммутатор | |
| 5 | 34600 | Реле стартера | |
| 6 | 35410 | Замок зажигания | |
| 7 | GB/T16674.1 | Болт М6х25 | |
| 8 | 38100 | Сигнал | |
| 9 | GB/T16674.1 | Болт М6х25 | |
| 10 | 31600 | Регулятор напряжения | |
| 11 | 38210 | Реле указателей | |
| 12 | 32500 | Отрицательный провод | |
| 13 | 31700 | Корпус плавкого предохранителя | |
| 14 | 46613 | Хомут пластмассовый | |
| 15 | Комплект замков | Комплект замков и пробка бака |
Содержащиеся в справочниках-каталогах запасные части и детали не предлагаются к продаже, а носят исключительно информационный характер