Каталог запасных частей к технике: ЗиД Квадроцикл LF-400ST. Рама
1
2
2
2
2
3
3
3
3
4
5
6
7
8
9
9
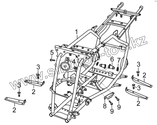
| Позиция на иллюстрации | Заводской номер детали | Название детали | |
|---|---|---|---|
| 1 | 41100 | Рама | |
| 2 | 42340 | Кронштейн подножки водителя правый | |
| 3 | GB/T16674.1 | Болт М6х25 | |
| 4 | 38100 | Сигнал | |
| 5 | GB/T16674.1 | Болт М6х25 | |
| 6 | 42720 | Сайлент блок | |
| 7 | 61185 | Шайба изолирующая | |
| 8 | 43530 | Изолятор | |
| 9 | GB/T16674.1 | Болт М6х25 |
Содержащиеся в справочниках-каталогах запасные части и детали не предлагаются к продаже, а носят исключительно информационный характер