Каталог запасных частей к технике: ЗиД Квадроцикл LF-250ST. Задний мост в сборе
1
2
3
3
3
3
4
4
4
4
4
4
5
5
6
7
8
9
9
10
11
12
13
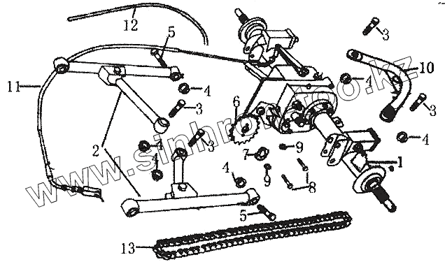
| Позиция на иллюстрации | Заводской номер детали | Название детали | |
|---|---|---|---|
| 1 | 3000 | Задний мост в сборе | |
| 2 | 61100 | Маятник в сборе | |
| 3 | GB/T5780 | Болт M12x1.25x30 | |
| 4 | GB/T6170 | Гайка М6 | |
| 5 | GB/T5783 | Болт M6х20 | |
| 6 | 29521 | Зубчатка | |
| 7 | 29533 | Шайба зубчатки | |
| 8 | GB/T5780 | Болт M12x1.25x30 | |
| 9 | GB/T93 | Шайба 6 | |
| 10 | 41591 | Прицепное приспособление | |
| 11 | 46920 | Трос реверса | |
| 12 | 65152 | Трубопровод | |
| 13 | 29700 | Цепь |
Содержащиеся в справочниках-каталогах запасные части и детали не предлагаются к продаже, а носят исключительно информационный характер