Каталог запасных частей к технике: УМПО-500 "Рысь". Пульт управления
1
2
3
4
6
8
9
10
10
11
12
13
14
16
17
17
19
20
21
22
23
24
25
26
27
28
29
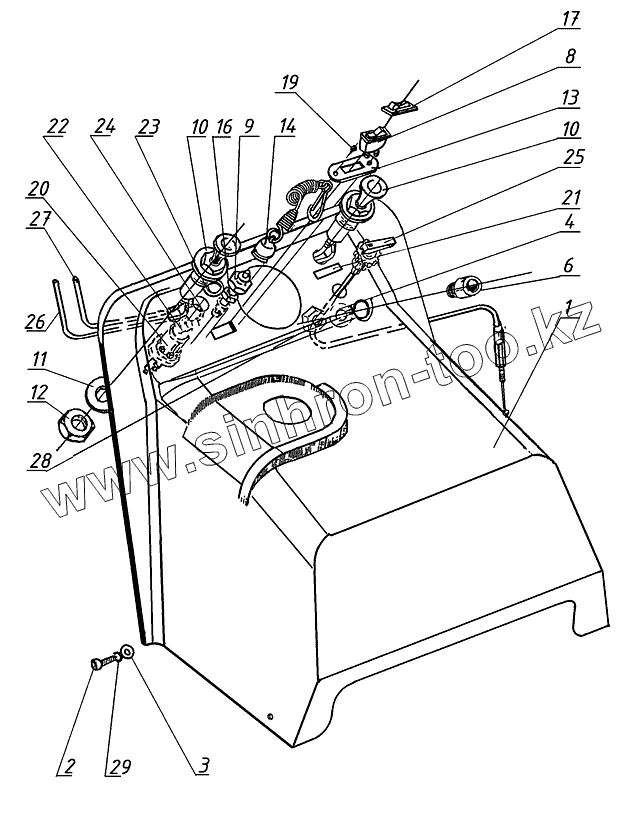
| Позиция на иллюстрации | Заводской номер детали | Название детали | |
|---|---|---|---|
| 1 | 219.01.000.005 | Кожух топливного бака | |
| 2 | [Винт М6-6gх16.48.016 ГОСТ17473-80] | Винт М6-6gх16.48.016 ГОСТ17473-80 | |
| 3 | 219.01.000.017 | Шайба | |
| 4 | [Шайба 12 ОСТ37.001.144-96] | Шайба 12 ОСТ37.001.144-96 | |
| 6 | 219.01.000.016 | Пробка направляющая | |
| 8 | ВК 41-19 ТУ 16-87 | Выключатель | |
| 9 | 113.12.040.001 | Гайка | |
| 10 | 440-1110100СБ | Насос впрыска | |
| 11 | 440-1110122 | Шайба | |
| 12 | [Гайка М20х1,5.6H.32.016 ГОСТ15522-70] | Гайка М20х1,5.6H.32.016 ГОСТ15522-70 | |
| 13 | 119.11.380.001 | Накладка | |
| 14 | ТО 1245.00 | Шнур кнопки устройства экстренноой остановки двигателя | |
| 16 | 13.3720 | Выключатель аварийный | |
| 17 | 119.11.380.002 | Чехол | |
| 17 | 119.11.380.003 | Чехол | |
| 19 | [Винт 3х10 ОСТ37.001.184-81] | Винт 3х10 ОСТ37.001.184-81 | |
| 20 | 12.3704-05 | Замок зажигания ТУ37.003.481-77 | |
| 21 | 219.01.000.012 | Наклейка информационная | |
| 22 | 219.01.000.013 | Наклейка информационная | |
| 23 | 113.12.045.013 | Гайка | |
| 24 | 113.12.045.014 | Шайба | |
| 25 | 113.12.120.000 | Трос топливного корректора | |
| 26 | [Трубка ПБ2 3х1 (L=0,25м) ТУ6-49-05761910-296-92] | Трубка ПБ2 3х1 (L=0,25м) ТУ6-49-05761910-296-92 | |
| 27 | [Трубка ПБ2 3х1 (L=0,57м) ТУ6-49-05761910-296-92] | Трубка ПБ2 3х1 (L=0,57м) ТУ6-49-05761910-296-92 | |
| 28 | [Гайка М12-6Н.8.016 ГОСТ5927-70] | Гайка М12-6Н.8.016 ГОСТ5927-70 | |
| 29 | [Шайба 6.65Г.016 ГОСТ6402-70] | Шайба 6.65Г.016 ГОСТ6402-70 |
Содержащиеся в справочниках-каталогах запасные части и детали не предлагаются к продаже, а носят исключительно информационный характер