Каталог запасных частей к технике: УМПО-440 "Рысь". Двигатель, плита, выхлопная труба
1
1
2
3
4
5
6
7
8
9
10
11
11
11
12
13
13
14
14
15
16
16
17
18
18
19
20
21
22
22
23
23
24
24
25
26
27
27
28
28
29
30
31
32
33
34
35
36
37
38
39
40
41
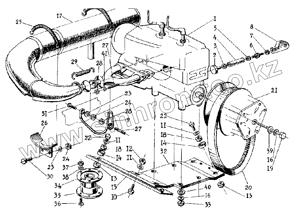
| Позиция на иллюстрации | Заводской номер детали | Название детали | |
|---|---|---|---|
| 1 | 440-1000000-02 | Двигатель | |
| 1 | 432-1000000 | Двигатель | |
| 2 | 113.00.020.050 | Буфер | |
| 3 | [Гайка М8-6Н.8.016 ГОСТ5927-70] | Гайка М8-6Н.8.016 ГОСТ5927-70 | |
| 4 | 113.00.020.000 | Упор двигателя | |
| 5 | [Гайка М10-6Н.8.016 ГОСТ2526-70] | Гайка М10-6Н.8.016 ГОСТ2526-70 | |
| 6 | 113.03.000.002 | Шпилька | |
| 7 | [Гайка М10-LH.8.016 ГОСТ2526-70] | Гайка М10-LH.8.016 ГОСТ2526-70 | |
| 8 | 113.00.020.045 | Кронштейн упора | |
| 9 | 113.00.000.016 | Кронштейн глушителя | |
| 10 | [Болт М10х1,25-6gх30.88.016 ГОСТ7798-70] | Болт М10х1,25-6gх30.88.016 ГОСТ7798-70 | |
| 11 | [Шайба 10.01.016 ГОСТ11371-78] | Шайба 10.01.016 ГОСТ11371-78 | |
| 12 | [Гайка М10-6H.45 9562 1308 ОСТ37.001.109-72] | Гайка М10-6H.45 9562 1308 ОСТ37.001.109-72 | |
| 13 | 113.04.010.015 | Амортизатор верхний | |
| 14 | 113.04.010.001 | Шайба | |
| 15 | 113.04.000.002 | Планка | |
| 16 | [Шайба 12.65Г.016 ГОСТ6402-70] | Шайба 12.65Г.016 ГОСТ6402-70 | |
| 17 | 440-140.80.000 | Трубка резонансная | |
| 18 | 113.04.010.025 | Амортизатор нижний | |
| 19 | 113.10.000.001 | Болт | |
| 20 | [Ремень вариаторный 28х13,5-1080 ТУ38.105.1247-89] | Ремень вариаторный 28х13,5-1080 ТУ38.105.1247-89 | |
| 21 | 113.15.000.000 | Центробежный регулятор | |
| 22 | [Болт М10-6gх25.109.38хA ГОСТ7798-70] | Болт М10-6gх25.109.38хA ГОСТ7798-70 | |
| 23 | [Шайба А6.01.08кп.016 ГОСТ11371-78] | Шайба А6.01.08кп.016 ГОСТ11371-78 | |
| 24 | [Гайка 6-Ц ОСТ133055-80] | Гайка 6-Ц ОСТ133055-80 | |
| 25 | 113.05.000.029 | Пружина | |
| 26 | 113.01.050.000 | Кронштейн | |
| 27 | [Шпилька 2М8-3р(2)/6gх25.88.016 ГОСТ22038-76] | Шпилька 2М8-3р(2)/6gх25.88.016 ГОСТ22038-76 | |
| 28 | [Гайка М8-6Н.8.016 ГОСТ5927-70] | Гайка М8-6Н.8.016 ГОСТ5927-70 | |
| 29 | 113.05.000.000 | Пружина | |
| 30 | [Болт М6gх16.88.016 ГОСТ7798-70] | Болт М6gх16.88.016 ГОСТ7798-70 | |
| 31 | [Винт 2М6gх45.88.016 ГОСТ17475-80] | Винт 2М6gх45.88.016 ГОСТ17475-80 | |
| 32 | 113.04.000.001 | Плита | |
| 33 | [Болт М12-6gх35.88.016 ГОСТ7798-70] | Болт М12-6gх35.88.016 ГОСТ7798-70 | |
| 34 | 113.01.060.003 | Окантовка пыльника | |
| 35 | 113.01.060.002 | Пыльник глушителя | |
| 36 | [Винт 5-18Ц ОСТ1.31537-80] | Винт 5-18Ц ОСТ1.31537-80 | |
| 37 | [Гайка М5-6Н.8.05 ГОСТ5927-70] | Гайка М5-6Н.8.05 ГОСТ5927-70 | |
| 38 | [Шайба 5.65Г.05 ГОСТ6402-70] | Шайба 5.65Г.05 ГОСТ6402-70 | |
| 39 | 113.10.000.002 | Шайба | |
| 40 | [Шайба А14.01.08кп.016 ГОСТ11371-78] | Шайба А14.01.08кп.016 ГОСТ11371-78 | |
| 41 | [Шайба 8T.65Г.016 ОСТ37.001.115-75] | Шайба 8T.65Г.016 ОСТ37.001.115-75 |
Содержащиеся в справочниках-каталогах запасные части и детали не предлагаются к продаже, а носят исключительно информационный характер