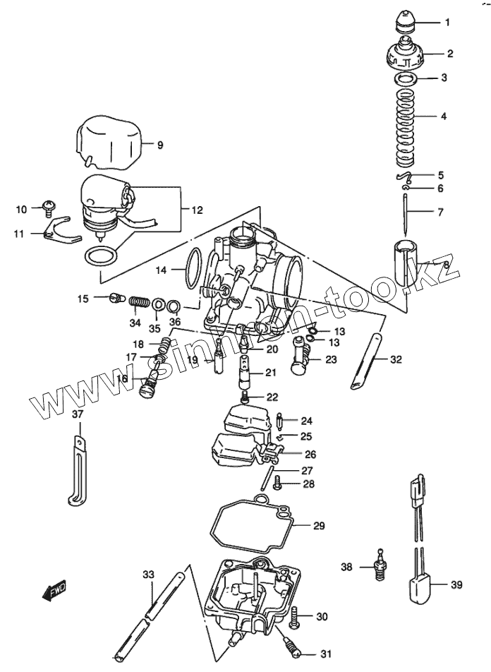
Каталог запасных частей к технике: Suzuki AZ50. Карбюратор
1
2
3
4
5
6
7
8
9
10
11
12
13
13
14
15
16
17
18
19
20
21
22
23
24
25
26
27
28
29
30
31
32
33
34
35
36
37
38
39
| Позиция на иллюстрации | Заводской номер детали | Название детали | |
|---|---|---|---|
| 13200-43E20 | 13200-43E20 | Карбюратор в сборе | |
| 1 | 13681-28E00 | Колпачок привода дроссельной заслонки | |
| 2 | 13261-43E00 | Верхняя часть привода дроссельной заслонки | |
| 3 | 13266-43E00 | Прокладка | |
| 4 | 13573-43E00 | Пружина привода дроссельной заслонки | |
| 5 | 13392-43E00 | Защелка иглы карбюратора | |
| 6 | 13394-43E00 | Хомут иглы карбюратора | |
| 7 | 13383-43E20 | Игла карбюратора | |
| 8 | 13551-43E00 | Дроссельная заслонка | |
| 9 | 13433-06F30 | Крышка термо-обогатителя | |
| 10 | 02112-34083 | Винт крепления термо-обогатителя | |
| 11 | 13428-06F30 | Крепление термо-обогатителя | |
| 12 | 13430-06F30 | Термо-обогатитель | |
| 13 | 13294-43E00 | Уплотнительное кольцо | |
| 14 | 13436-43E00 | Уплотнительное кольцо впускного коллектора | |
| 15 | 13279-43E00 | Винт регулировки качества топливной смеси | |
| 16 | 13267-43E00 | Винт регулировки количества топливной смеси | |
| 17 | 13278-43E00 | Уплотнительное кольцо | |
| 18 | 13297-43E00 | Пружина винта регулировки количества топливной смеси | |
| 19 | 09492-38003 | Жиклер холостого хода (38) | |
| 20 | 13341-43E00 | Жиклер | |
| 21 | 13342-06F40 | Держатель жиклера | |
| 22 | 09491-72013 | Главный жиклер (72) | |
| 23 | 13685-43E00 | Подвижный переходник | |
| 24 | 13370-43E00 | Запорная игла | |
| 25 | 13375-43E00 | Стопор запорной иглы | |
| 26 | 13250-43E00 | Поплавок | |
| 27 | 13254-43E00 | Ось поплавка | |
| 28 | 13602-43E00 | Винт крепления оси поплавка | |
| 29 | 13258-43E00 | Прокладка карбюратора | |
| 30 | 13602-26E10 | Винт | |
| 31 | 13247-43E00 | Сливной винт поплавковой камеры | |
| 32 | 13683-43E00 | Шланг (5х8х90) | |
| 33 | 13684-43E00 | Сливной шланг поплавковой камеры (4х7х250) | |
| 34 | 13271-43E00 | Пружина винта регулировки качества топливной смеси | |
| 35 | 13291-26E00 | Шайба | |
| 36 | 13295-26E00 | Уплотнительное кольцо | |
| 37 | 09404-06432 | Крепежный хомут | |
| 38 | 13650-25E01 | Подогреватель | |
| 39 | 13655-25E00 | Термореле подогревателя |
Содержащиеся в справочниках-каталогах запасные части и детали не предлагаются к продаже, а носят исключительно информационный характер