Каталог запасных частей к технике: Сатурн СТ-500Д "Тайга". Коробка передач
1
2
3
3
4
4
5
5
5
5
5
6
6
6
6
6
7
7
7
8
9
10
11
12
13
14
14
14
15
15
15
16
16
17
17
18
19
20
21
22
22
23
24
24
25
26
27
28
29
30
31
31
32
33
34
35
36
37
38
39
40
40
41
42
43
44
45
46
47
48
49
50
50
50
50
50
51
52
53
54
55
56
57
57
58
58
59
60
60
61
62
63
64
65
66
67
68
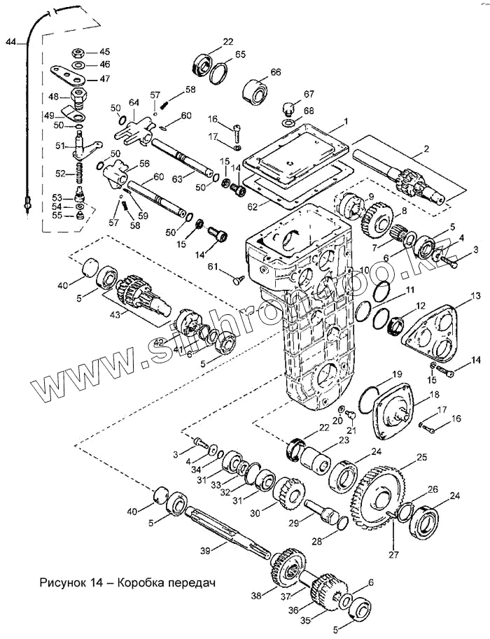
| Позиция на иллюстрации | Заводской номер детали | Название детали | |
|---|---|---|---|
| С40600300 | С40600300 | Коробка передач | |
| С40600300 | С40600300 | Коробка передач | |
| С40600008 | С40600008 | Шестерня (правая) | |
| С40600300 | С40600300 | Коробка передач | |
| 1 | С40600070 | Крышка | |
| 2 | С40600020 | Вал вариаторный | |
| 3 | Болт М8-6gх16.88.35.013 ГОСТ 7798-70 | Болт М8-6gх16.88.35.013 ГОСТ 7798-70 | |
| 4 | С40600039 | Шайба | |
| 5 | Подшипник 304 ГОСТ 8338-75 | Подшипник 304 ГОСТ 8338-75 | |
| 6 | 340600001-01 | Кольцо регулировочное | |
| 6 | 340600001-02 | Кольцо регулировочное | |
| 6 | 340600001-03 | Кольцо регулировочное | |
| 7 | Подшипник 1-941/25 ГОСТ 4060-78 | Подшипник 1 - 941/25 ГОСТ 4060-78 | |
| 7 | Подшипник 1-941/25 ГОСТ 4060-78 | Подшипник 1 - 941/25 ГОСТ 4060-78 | |
| 7 | Подшипник 1-941/25 ГОСТ 4060-78 | Подшипник 1 - 941/25 ГОСТ 4060-78 | |
| 8 | С40600021 | Шестерня | |
| 9 | С40600019 | Муфта переключения | |
| 10 | С40600006 | Корпус | |
| 11 | Кольцо 055-059-25-2-3 ГОСТ 18829-73 | Кольцо 055-059-25-2-3 ГОСТ 18829-73 | |
| 12 | Манжета 1.1-20х40-4 ГОСТ 8752-79/ОСТ 380 | Манжета 1.1-20х40-4 ГОСТ 8752-79/ОСТ 3805146-78 | |
| 13 | С40600013 | Крышка | |
| 14 | Винт М8-6gх16.88.35.016 ГОСТ 11738-84 | Винт М8-6gх16.88.35.016 ГОСТ 11738-84 | |
| 15 | Шайба 8.65Г.016 ГОСТ 6402-70 | Шайба 8.65Г.016 ГОСТ 6402-70 | |
| 16 | Винт М6-6gх16.88.35Х.016 ГОСТ 11738-84 | Винт М6-6gх16.88.35Х.016 ГОСТ 11738-84 | |
| 17 | Шайба 6.65Г.019 ГОСТ 6402-70 | Шайба 6.65Г.019 ГОСТ 6402-70 | |
| 18 | С40600010 | Крышка | |
| 19 | Кольцо 072-078-25-2-3 ГОСТ 18829-73 | Кольцо 072-078-25-2-3 ГОСТ 18829-73 | |
| 20 | Кольцо уплотнительное 33М51-12-6,2-1 | Кольцо уплотнительное 33М51-12-6,2-1 | |
| 21 | Болт М6-6gх12.88.35.019 ГОСТ 7798-70 | Болт М6-6gх12.88.35.019 ГОСТ 7798-70 | |
| 22 | 110200041 | Манжета | |
| 23 | С40600016 | Втулка | |
| 24 | Подшипник 108 ГОСТ 8338-75 | Подшипник 108 ГОСТ 8338-75 | |
| 25 | С40600015 | Шестерня | |
| 26 | Кольцо В40 ГОСТ 13942-86 | Кольцо В40 ГОСТ 13942-86 | |
| 27 | Шпонка 12х8х22 ГОСТ 23360-78 | Шпонка 12х8х22 ГОСТ 23360-78 | |
| 28 | Кольцо 027-031-25-2-3 ГОСТ 18829-73 | Кольцо 027-031-25-2-3 ГОСТ 18829-73 | |
| 29 | С40600009-01 | Ось | |
| 30 | С40600007 | Шестерня (левая) | |
| 31 | Подшипник 303 ГОСТ 8338-75 | Подшипник 303 ГОСТ 8338-75 | |
| 32 | Кольцо В47 ГОСТ 13943-86 | Кольцо В47 ГОСТ 13943-86 | |
| 33 | С40600082 | Кольцо регулировочное | |
| 34 | Кольцо 016-020-25-2-3 ГОСТ 18829-73 | Кольцо 016-020-25-2-3 ГОСТ 18829-73 | |
| 35 | С40600003 | Шестерня | |
| 36 | С40600004 | Шестерня | |
| 37 | С40600081 | Втулка | |
| 38 | С40600002 | Шестерня | |
| 39 | С40600001 | Вал | |
| 40 | С40600046 | Заглушка | |
| 41 | 110602201 | Кольцо упорное | |
| 42 | С40600025 | Муфта включения заднего хода | |
| 43 | С40600050 | Вал заднего хода | |
| 44 | С40600130 | Трос переключения | |
| 45 | Гайка М14х1.5-6Н.05.40Х.016 ГОСТ 15522-7 | Гайка М14х1.5-6Н.05.40Х.016 ГОСТ 15522-70 | |
| 46 | Шайба 14.65Г.019 ГОСТ 6402-70 | Шайба 14.65Г.019 ГОСТ 6402-70 | |
| 47 | С40600032 | Рычаг | |
| 48 | С40600035 | Втулка | |
| 49 | С40600034 | Планка | |
| 50 | Кольцо 012-016-25-2-3 ГОСТ 18829-73 | Кольцо 012-016-25-2-3 ГОСТ 18829-73 | |
| 51 | С40600120 | Рычаг | |
| 52 | С40600037 | Пружина | |
| 53 | С40600038 | Втулка | |
| 54 | Кольцо уплотнительное 34М 51-12-8.2-2 | Кольцо уплотнительное 34М 51-12-8.2-2 | |
| 55 | Болт М8-6gх8.88.35.013 ГОСТ 7798-70 | Болт М8-6gх8.88.35.013 ГОСТ 7798-70 | |
| 56 | С40600043 | Вилка включения заднего хода | |
| 57 | Шарик Б9-100 ГОСТ 3722-81 | Шарик Б9-100 ГОСТ 3722-81 | |
| 58 | С40600045 | Пружина | |
| 59 | Штифт4m6х18 ГОСТ 3128-70 | Штифт4m6х18 ГОСТ 3128-70 | |
| 60 | С40600041 | Ось вилки включения заднего хода | |
| 61 | С40600036 | Болт | |
| 62 | С40600026 | Прокладка | |
| 63 | С40600042 | Ось вилки переключения скорости | |
| 64 | С40600044 | Вилка переключения скорости | |
| 65 | Кольцо В52 ГОСТ 13943-86 | Кольцо В52 ГОСТ 13943-86 | |
| 66 | Подшипник 3056205 ГОСТ 4252-75 | Подшипник 3056205 ГОСТ 4252-75 | |
| 67 | 340600234 | Пробка суфлирующая | |
| 68 | Кольцо 020-024-25-2-4 ГОСТ 18829-73 | Кольцо 020-024-25-2-4 ГОСТ 18829-73 |
Содержащиеся в справочниках-каталогах запасные части и детали не предлагаются к продаже, а носят исключительно информационный характер