Каталог запасных частей к технике: Русская механика Снегоход "Тайга-Атака". Корпус, сиденье
1
1
2
3
4
5
6
7
7
8
9
10
11
12
13
13
14
14
15
16
17
18
18
18
18
18
18
18
18
18
18
18
18
18
18
18
18
18
18
18
18
18
19
20
20
21
22
23
24
25
26
27
28
29
30
31
32
33
34
35
36
36
37
37
38
38
38
38
38
39
40
41
42
43
44
45
46
47
47
48
48
49
50
50
51
52
52
52
53
53
53
53
54
55
55
56
57
58
59
59
60
60
60
60
61
62
63
64
64
65
66
66
66
66
67
68
69
70
71
72
73
74
75
76
77
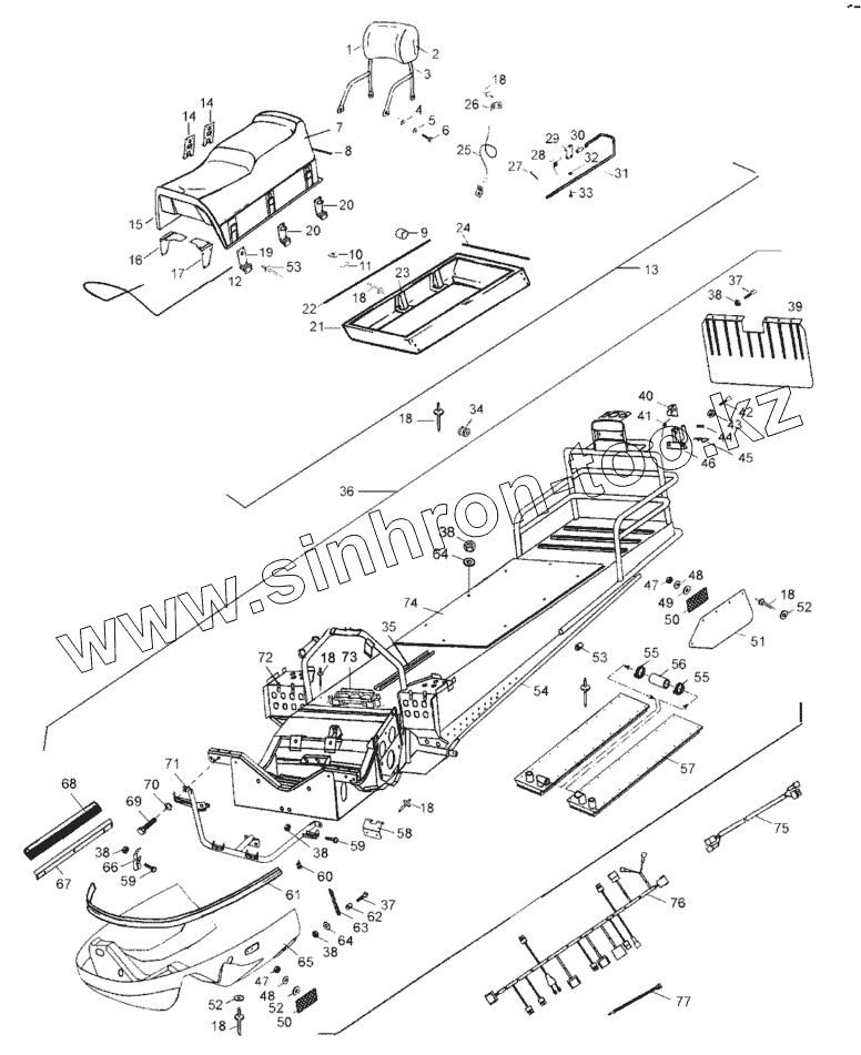
| Позиция на иллюстрации | Заводской номер детали | Название детали | |
|---|---|---|---|
| 110501132 | 110501132 | Хомут | |
| C40100036-01 | C40100036-01 | Заглушка (правая) | |
| 1 | С40100060-01 | Чехол спинки | |
| 1 | С40100060 | Чехол спинки | |
| 2 | С40100043 | Подушка спинки | |
| 3 | С40100040 | Рама спинки | |
| 4 | 1/05196/01 | Шайба 8 | |
| 5 | [Шайба 8.65Г.016 ГОСТ6402-70] | Шайба 8.65Г.016 ГОСТ6402-70 | |
| 6 | 1-7002-2841 | Винт М8-6gх25 | |
| 7 | С40100070-01 | Чехол сиденья | |
| 7 | С40100070 | Чехол сиденья | |
| 8 | С40100075-01 | Кант | |
| 9 | С40100107 | Втулка | |
| 10 | С40100106 | Шайба | |
| 11 | 14-12,9-0,95 SUMAKE 80-14 | Скоба 14-12,9-0,95 SUMAKE 80-14 фирмы Sumake Industrial Co | |
| 12 | С40100075 | Кант | |
| 13 | С40100090-01 | Сиденье | |
| 13 | С40100090 | Сиденье | |
| 14 | С40100120 | Накладка | |
| 15 | С40100420 | Основа сиденья | |
| 16 | С40100105 | Накладка | |
| 17 | С40100105-01 | Накладка | |
| 18 | AL/St 4,9х10 | Заклепка односторонняя AL/St 4,9х10 | |
| 18 | AL/St 4,9х10 | Заклепка односторонняя AL/St 4,9х10 | |
| 18 | AL/St 4,9х10 | Заклепка односторонняя AL/St 4,9х10 | |
| 19 | С40100100 | Петля | |
| 20 | С40100110 | Петля | |
| 21 | С40100310 | Рама сиденья | |
| 22 | С40100022 | Прокладка | |
| 23 | С40100305 | Кронштейн | |
| 24 | С40100021 | Прокладка | |
| 25 | С40100018 | Трос | |
| 26 | С40100017 | Хомут | |
| 27 | [Шплинт 1,6х12.016 ГОСТ397-79] | Шплинт 1,6х12.016 ГОСТ397-79 | |
| 28 | С40100013 | Пружина | |
| 29 | С40100014 | Язык | |
| 30 | С40100032 | Наконечник | |
| 31 | С40100015 | Рукоятка | |
| 32 | 1/07940/11 | Гайка М4-6Н.8 | |
| 33 | [Винт М4х20.58.019 ГОСТ25933-83] | Винт М4х20.58.019 ГОСТ25933-83 | |
| 34 | С40100033 | Втулка | |
| 35 | С40100321 | Профиль | |
| 36 | L30100450 | Корпус | |
| 36 | L30100300 | Корпус | |
| 37 | [Заклепка вытяжная ] | Заклепка вытяжная | |
| 38 | C40100055 | Брызговик задний | |
| 39 | С40100086 | Скоба сцепки | |
| 40 | С40100087 | Пружина сцепки | |
| 41 | 356-70511 | Болт М10-6gх30 | |
| 42 | [Гайка М10 DIN985-10Р] | Гайка М10 DIN985-10Р | |
| 43 | [Штифт 6х30 DIN1481A2] | Штифт 6х30 DIN1481A2 | |
| 44 | 140100002 | Стопор | |
| 45 | С40100080 | Крюк сцепки | |
| 46 | 1/58964/11 | Гайка М5-6Н | |
| 47 | [Шайба 5.65Г.016 ГОСТ6402-70] | Шайба 5.65Г.016 ГОСТ6402-70 | |
| 48 | 1/05193/01 | Шайба 5 | |
| 49 | ФП312-01 ТУ37.003.079-80 | Световозвращатель ФП312-01 ТУ37.003.079-80 | |
| 50 | С40100056 | Брызговик боковой | |
| 51 | [Шайба C5.01.10.016 ГОСТ6958-78] | Шайба C5.01.10.016 ГОСТ6958-78 | |
| 52 | С40100326 | Заглушка | |
| 53 | L30100200 | Рама | |
| 53 | L30100400 | Рама | |
| 54 | [Хомут АВА Nova 9мм Standard22-32] | Хомут АВА Nova 9мм Standard22-32 | |
| 55 | К20500104 | Трубка | |
| 56 | L30500010 | Радиатор | |
| 57 | L30500010-01 | Радиатор | |
| 58 | L30100228 | Петля | |
| 59 | 1/09024/21 | Болт М6-6gх20 | |
| 60 | 1/25742/11 | Гайка самоконтрящаяся М6-6Н | |
| 60 | 1/25742/11 | Гайка самоконтрящаяся М6-6Н | |
| 60 | 1/25742/11 | Гайка самоконтрящаяся М6-6Н | |
| 60 | 1/25742/11 | Гайка самоконтрящаяся М6-6Н | |
| 61 | C40100036 | Заглушка (левая) | |
| 62 | К10100015 | Бампер | |
| 63 | 110700018 | Винт | |
| 64 | C40700107 | Втулка | |
| 65 | С40700105 | Ремень | |
| 66 | [Шайба А6.01.10.016 ГОСТ6958-78] | Шайба А6.01.10.016 ГОСТ6958-78 | |
| 66 | [Шайба А6.01.10.016 ГОСТ6958-78] | Шайба А6.01.10.016 ГОСТ6958-78 | |
| 66 | [Шайба А6.01.10.016 ГОСТ6958-78] | Шайба А6.01.10.016 ГОСТ6958-78 | |
| 66 | [Шайба А6.01.10.016 ГОСТ6958-78] | Шайба А6.01.10.016 ГОСТ6958-78 | |
| 67 | L30100229 | Днище носка | |
| 68 | 110600079 | Заглушка | |
| 69 | 111100039 | Хомут | |
| 70 | С40000006 | Накладка | |
| 71 | С40100057 | Профиль | |
| 72 | 356-70509 | Болт М10-6gх20 | |
| 73 | [Шайба 10.65Г.016 ГОСТ6402-70] | Шайба 10.65Г.016 ГОСТ6402-70 | |
| 74 | L30100280 | Дуга передняя | |
| 75 | С40100099 | Хомут | |
| 76 | C40100138 | Кронштейн | |
| 77 | С40100327 | Лист | |
| 78 | С41100320 | Жгут заднего фонаря | |
| 79 | L31100050 | Жгут основной | |
| 80 | [Хомут 3,6х150 GW 52255] | Хомут 3,6х150 GW 52255 |
Содержащиеся в справочниках-каталогах запасные части и детали не предлагаются к продаже, а носят исключительно информационный характер