Каталог запасных частей к технике: ИЖМОТО ИЖ-6.113-05 "Юнкер". Поршень и вал коленчатый
1
1
1
1
2
3
4
4
4
4
5
6
6
6
7
7
7
8
9
9
10
10
10
11
11
11
12
12
12
13
13
14
15
15
15
16
17
18
19
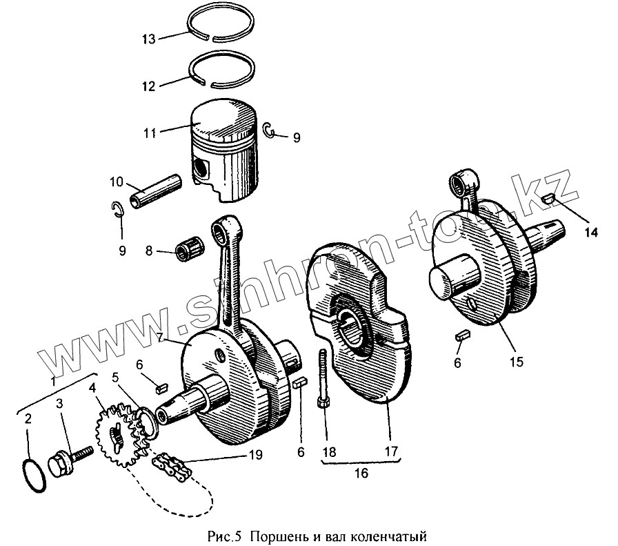
| Позиция на иллюстрации | Заводской номер детали | Название детали | |
|---|---|---|---|
| 1 | ИЖ-Ю6.СБ.1-30-01 | Звездочка вала коленчатого | |
| 1 | ИЖ-Ю6.СБ.1-30 | Звездочка вала коленчатого | |
| 1 | ИЖ-Ю6.СБ.1-30-03 | Звездочка вала коленчатого | |
| 1 | ИЖ-Ю6.СБ.1-30-02 | Звездочка вала коленчатого | |
| 2 | ИЖ-Ю4.1-211 | Кольцо стопорное | |
| 3 | ИЖ-Ю5.1-237-1 | Болт | |
| 4 | ИЖ-Ю6.1-74 | Звездочка коленчатого вала | |
| 4 | ИЖ-Ю6.1-74-01 | Звездочка коленчатого вала | |
| 4 | ИЖ-Ю6.1-74-02 | Звездочка коленчатого вала | |
| 4 | ИЖ-Ю6.1-74-03 | Звездочка коленчатого вала | |
| 5 | ИЖ49.1-127 | Шайба волнообразная | |
| 6 | ИЖШП-2 | Шпонка | |
| 7 | ИЖ-Ю5.СБ.1-5 | Вал коленчатый в сборе левый | |
| 7 | ИЖ-Ю5.СБ.1-5-01 | Вал коленчатый в сборе левый | |
| 7 | ИЖ-Ю5.СБ.1-5-02 | Вал коленчатый в сборе левый | |
| 8 | [Подшипник игольчатый] | Подшипник игольчатый | |
| 9 | ИЖ-Ю.1-9 | Кольцо стопорное | |
| 10 | ИЖ-Ю.1-11-Р2 | Палец поршня | |
| 10 | ИЖ-Ю.1-11-Р1 | Палец поршня | |
| 10 | ИЖ-Ю.1-11 | Палец поршня | |
| 11 | ИЖ-Ю6.СБ.1-3-01 | Поршень | |
| 11 | ИЖ-Ю6.СБ.1-3-02 | Поршень | |
| 11 | ИЖ-Ю6.СБ.1-3-03 | Поршень | |
| 12 | ИЖ-Ю6.1-7 | Кольцо поршневое | |
| 12 | ИЖ-Ю6.1-7-01 | Кольцо поршневое | |
| 12 | ИЖ-Ю6.1-7-02 | Кольцо поршневое | |
| 13 | ИЖ-Ю6.1-7-04 | Кольцо поршневое | |
| 13 | ИЖ-Ю6.1-7-03 | Кольцо поршневое | |
| 14 | ИЖШП-1 | Шпонка сегментная | |
| 15 | ИЖ-Ю5.СБ.1-6-01 | Вал коленчатый в сборе левый | |
| 15 | ИЖ-Ю5.СБ.1-6-02 | Вал коленчатый в сборе левый | |
| 15 | ИЖ-Ю5.СБ.1-6 | Вал коленчатый в сборе правый | |
| 16 | ИЖ-Ю5.СБ.1-12 | Маховик выносной | |
| 17 | ИЖ-Ю.1-26 | Маховик выносной | |
| 18 | ИЖ-Ю3.1-173 | Болт М16х1,5-6gх65 | |
| 19 | 2ПВ-9,525-2340 | Цепь приводная втулочная |
Содержащиеся в справочниках-каталогах запасные части и детали не предлагаются к продаже, а носят исключительно информационный характер