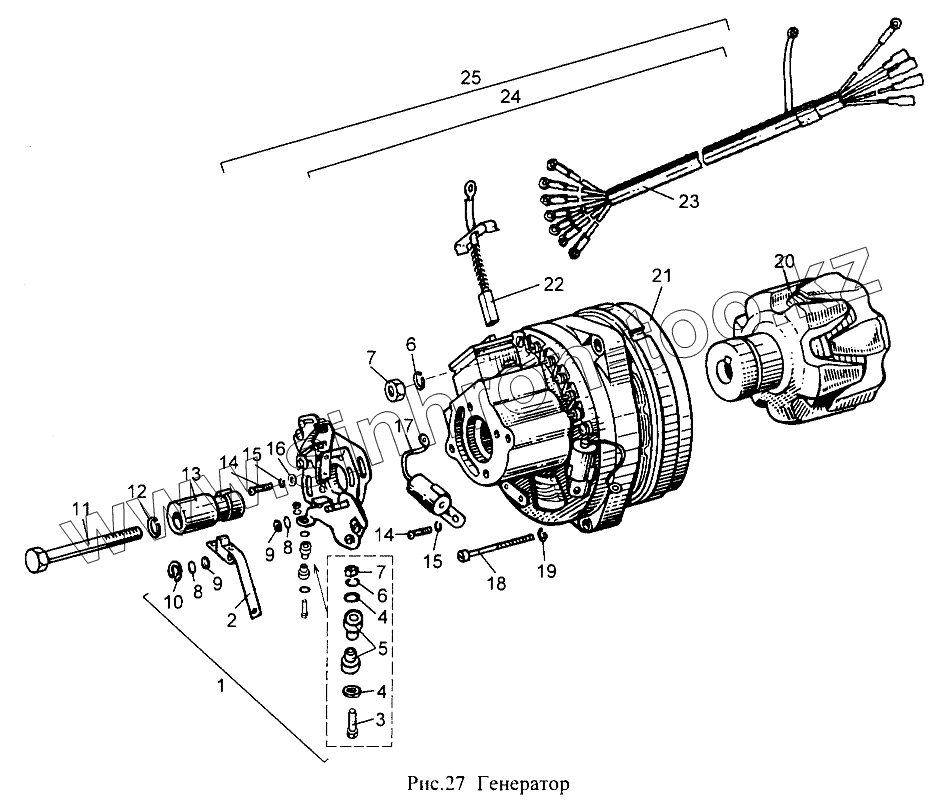
Каталог запасных частей к технике: ИЖМОТО ИЖ-6.113-05 "Юнкер". Генератор
1
2
3
4
4
5
6
6
7
7
8
8
8
8
9
9
10
11
12
13
14
14
15
15
16
17
18
19
20
21
22
23
24
25
| Позиция на иллюстрации | Заводской номер детали | Название детали | |
|---|---|---|---|
| 1 | Г36М2.С63 | Прерыватель в сборе | |
| 2 | Г36М1.С68 | Молоточек в сборе | |
| 3 | М3-6gх10.48.016 | Винт М3х10 | |
| 4 | ИЖШБ-3 | Шайба | |
| 5 | Г36М1.5-4 | Втулка | |
| 6 | ИЖШГ-3Т | Шайба 3Т.65Г.016 Г6402-70 | |
| 7 | М3-6Н | Гайка ОСТ37.001.124-75 | |
| 8 | ИЖШБ-9 | Шайба | |
| 8 | ИЖШБ-9-1 | Шайба | |
| 9 | ИЖШБ-121 | Шайба изоляционная | |
| 10 | Г36М1.5-3 | Шайба стопорная | |
| 11 | ИЖП4.1-38-1 | Болт М7-6gх107 | |
| 12 | ИЖШГ-7 | Шайба 7 | |
| 13 | ИЖП4.1-11-1 | Кулачок прерывателя | |
| 14 | 220050-29 | Винт М4-6gх8 | |
| 15 | ИЖШГ-4 | Шайба 4 | |
| 16 | 252002-29 | Шайба 4 | |
| 17 | К42-18-1 | Конденсатор | |
| 18 | [Винт М5-6gх45] | Винт М5-6gх45 | |
| 19 | ИЖШГ-5 | Шайба 5 | |
| 20 | ИЖГП7-3701200 | Ротор | |
| 21 | ИЖГП7-3701100 | Статор в сборе | |
| 22 | ИЖГП7-3701140 | Щетка | |
| 23 | 6.113-3724020-20 | Жгут генератора | |
| 24 | ИЖГП7-3701010 | Генератор | |
| 25 | ИЖЮ4.СБ.1-100 | Генератор в сборе |
Содержащиеся в справочниках-каталогах запасные части и детали не предлагаются к продаже, а носят исключительно информационный характер