Каталог запасных частей к технике: ИЖМОТО ИЖ-6.113-03 "Юпитер". Поршень и вал коленчатый
1
2
2
3
4
6
7
7
7
8
9
10
10
11
12
12
13
13
14
14
15
16
17
18
19
20
21
22
23
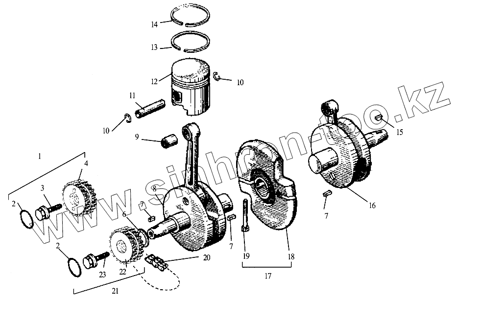
| Позиция на иллюстрации | Заводской номер детали | Название детали | |
|---|---|---|---|
| 1 | ИЖЮ6.СБ.1-30 | Звездочка вала коленчатого | |
| 2 | ИЖЮ4.1-211 | Кольцо стопорное | |
| 3 | ИЖЮ5.1-237-1 | Болт | |
| 4 | ИЖЮ6.1-74 | Звездочка коленчатого вала | |
| 6 | ИЖ49.1-127 | Шайба волнообразная | |
| 7 | ИЖШП-2 | Шпонка | |
| 8 | ИЖЮ5.СБ.1-5 | Вал коленчатый в сборе левый | |
| 9 | К14х18х25Д | Подшипник игольчатый | |
| 10 | ИЖЮ.1-9 | Кольцо стопорное | |
| 11 | ИЖЮ.1-11 | Палец поршня | |
| 12 | ИЖЮ4.СБ.1-3 | Поршень | |
| 12 | ИЖЮ6.СБ.1-3-03 | Поршень | |
| 13 | ИЖЮ6.1-7 | Кольцо поршневое | |
| 13 | ИЖЮ4.1-7-02 | Кольцо поршневое | |
| 14 | ИЖЮ4.1-7-01 | Кольцо поршневое | |
| 14 | ИЖЮ6.1-7-03 | Кольцо поршневое | |
| 15 | ИЖШП-1 | Шпонка сегментная | |
| 16 | ИЖЮ5.СБ.1-6 | Вал коленчатый в сборе правый | |
| 17 | ИЖЮ5.СБ.1-12 | Маховик выносной | |
| 18 | ИЖЮ.1-26 | Маховик выносной | |
| 19 | ИЖЮ3.1-173 | Болт М16х1,5-6gх65 | |
| 20 | 2ПВ-9,525-2340 | Цепь приводная втулочная | |
| 21 | ИЖЮ5.СБ.1-30 | Звездочка в сборе | |
| 22 | ИЖЮ5.1-74 | Звездочка коленчатого вала | |
| 23 | ИЖБ-38 | Болт М10-6gх19 |
Содержащиеся в справочниках-каталогах запасные части и детали не предлагаются к продаже, а носят исключительно информационный характер