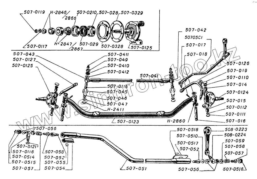
Каталог запасных частей к технике: ЗИЛ ЗИС-101. Передняя ось и поворотные кулаки
507-057
507-057
508-0223
507-0127
507-0126
507-046
507-0411
507-055
507-0518
507-0410
507-0329
507-0110
507-0112
507-0514
507-052
507-052
508-0224
507-0515
507-016
507-0116
507-0116
507-059
507-0412
507-0510
507-0516
507-018
507-0117
Н-2860
507-05С1
507-051
507-041
507-0121
507-017
507-0111
Н-2411
507-043
507-042
507-047
507-0119
507-015
507-014
507-056
507-056
507-045
507-049
507-0125
507-0125
507-0124
507-028
507-058
507-058
507-0328
507-0123
507-019
507-054
507-0517
Н-2846/2866
Н-2847/2867
507-0210
507-029
| Позиция на иллюстрации | Заводской номер детали | Название детали | |
|---|---|---|---|
| 507-057 | 507-057 | Пружина продольной рулевой тяги | |
| 507-027 | 507-027 | Ступица переднего колеса | |
| 507-044 | 507-044 | Стопор шаровых вкладышей | |
| 508-0223 | 508-0223 | Сошка руля | |
| 507-0127 | 507-0127 | Рычаг поворотного кулака правый | |
| 507-0126 | 507-0126 | Рычаг поворотного кулака левый | |
| 508-02С4 | 508-02С4 | Рулевая сошка с пальцем в сборе | |
| 507-046 | 507-046 | Пружина шаровых вкладышей | |
| 507-0411 | 507-0411 | Пружина сальника | |
| 507-02С4 | 507-02С4 | Ступица переднего колеса в сборе | |
| 507-055 | 507-055 | Пружина передней крышки | |
| 507-0518 | 507-0518 | Пружина задней крышки | |
| 507-0410 | 507-0410 | Прокладка сальника | |
| 507-0329 | 507-0329 | Прокладка маслоуловителя защитного диска | |
| 507-0110 | 507-0110 | Прокладка к крышке поворотного кулака | |
| 507-0112 | 507-0112 | Прокладка к заглушке | |
| 507-0514 | 507-0514 | Пробка передней головки продольной тяги | |
| 507-052 | 507-052 | Пробка коническая продольной тяги | |
| 507-0512 | 507-0512 | Шайба регулировочная продольной тяги 1,0мм | |
| 508-0224 | 508-0224 | Шаровой палец рулевой сошки | |
| 507-0515 | 507-0515 | Штифт замочный передней пробки | |
| 507-016 | 507-016 | Шкворень поворотного кулака | |
| 507-0116 | 507-0116 | Шаровой палец рулевых тяг | |
| 507-059 | 507-059 | Шайба установочная задней головки тяги | |
| 507-0412 | 507-0412 | Шайба сальника | |
| 507-0510 | 507-0510 | Шайба регулировочная продольной тяги 3мм | |
| 507-0511 | 507-0511 | Шайба регулировочная продольной тяги 1,5мм | |
| 507-0516 | 507-0516 | Пробка задней головки продольной тяги | |
| 507-0513 | 507-0513 | Шайба регулировочная продольной тяги 0,8мм | |
| 507-018 | 507-018 | Шайба регулировочная поворотного кулака | |
| 507-0117 | 507-0117 | Шайба наружная цапфы поворотного кулака | |
| Н-2860 | Н-2860 | Упорный шарикоподшипник | |
| 507-05С1 | 507-05С1 | Тяга рулевая продольная в сборе | |
| 507-051 | 507-051 | Труба продольной рулевой тяги | |
| 507-041 | 507-041 | Трv6а поперечной рулевой тяги | |
| 507-0121 | 507-0121 | Гайка шарового пальца | |
| 507-017 | 507-017 | Клин шкворня поворотного кулака | |
| 507-0111 | 507-0111 | Заглушка к поворотному кулаку | |
| Н-2411 | Н-2411 | Заглушка | |
| 507-03С12 | 507-03С12 | Диск защитный левый с тормозными колодками в сборе | |
| 507-043 | 507-043 | Головка поперечной тяги правая | |
| 507-042 | 507-042 | Головка поперечной тяги левая | |
| 507-04С2 | 507-04С2 | Головка поперечной рулевой тяги правая в сборе | |
| 507-04С1 | 507-04С1 | Головка поперечной рулевой тяги левая в сборе | |
| 507-047 | 507-047 | Кольцо замочное шаровых вкладышей | |
| 507-0119 | 507-0119 | Гайка цапфы поворотного кулака правая | |
| 507-0120 | 507-0120 | Гайка поворотных рычагов | |
| 507-015 | 507-015 | Втулка поворотного кулака нижняя | |
| 507-014 | 507-014 | Втулка поворотного кулака верхняя | |
| 507-056 | 507-056 | Вкладыш шаровой продольной тяги | |
| 507-045 | 507-045 | Вкладыш головки поперечной тяги | |
| 507-0122 | 507-0122 | Болт упорный поворотного кулака | |
| 507-049 | 507-049 | Крышка сальника | |
| 507-01С4 | 507-01С4 | Поворотный кулак правый в сборе со втулками | |
| 507-0125 | 507-0125 | Поворотный кулак правый | |
| 507-01С3 | 507-01С3 | Поворотный кулак левый в сборе со втулками | |
| 507-0124 | 507-0124 | Поворотный кулак левый | |
| 507-С2 | 507-С2 | Передняя ось в сборе | |
| 507-028 | 507-028 | Обойма сальника ступицы | |
| 507-058 | 507-058 | Направляющая пружина продольной тяги | |
| 507-0328 | 507-0328 | Маслоуловитель защитного диска | |
| 507-0123 | 507-0123 | Балка передней оси | |
| 507-019 | 507-019 | Крышка поворотного кулака | |
| 507-054 | 507-054 | Крышка передней головки тяги | |
| 507-0517 | 507-0517 | Крышка задней головки тяги | |
| Н-2846/2866 | Н-2846/2866 | Конический роликоподшипник наружный | |
| Н-2847/2867 | Н-2847/2867 | Конический роликоподшипник внутренний | |
| 507-0210 | 507-0210 | Кольцо упорное сальника | |
| 507-029 | 507-029 | Кольцо сальника ступицы |
Содержащиеся в справочниках-каталогах запасные части и детали не предлагаются к продаже, а носят исключительно информационный характер