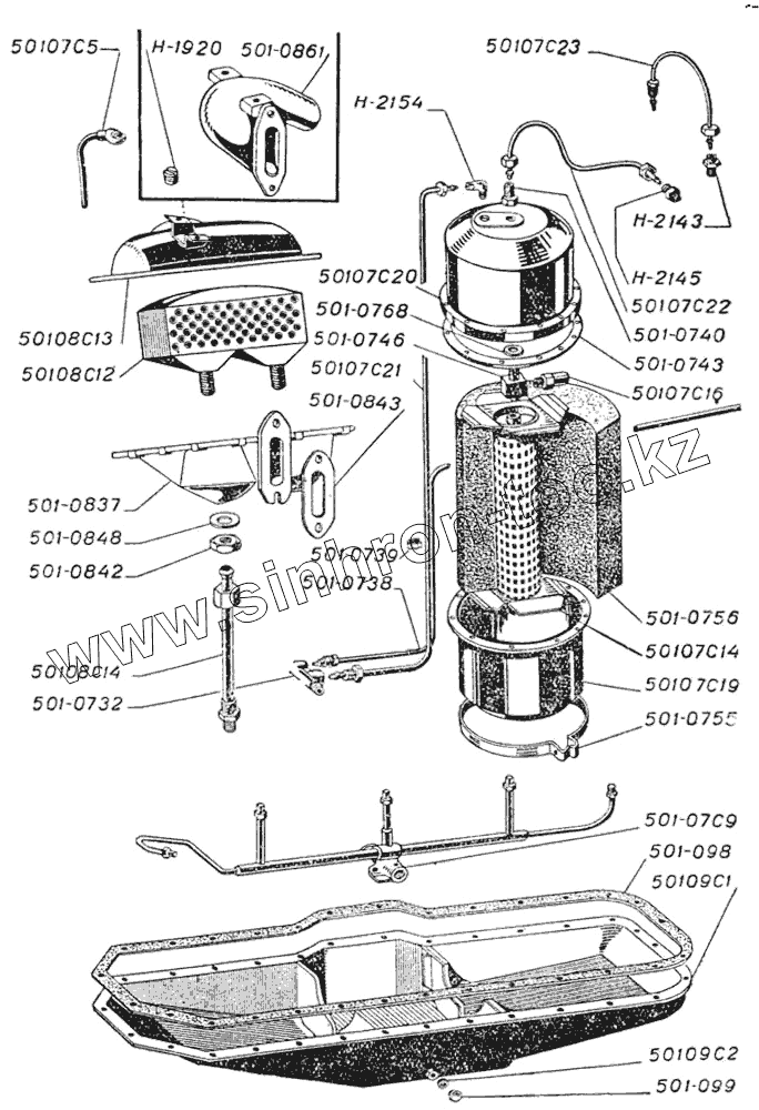
Каталог запасных частей к технике: ЗИЛ ЗИС-101. Масляный радиатор и картер двигателя
501-07С22
501-0743
501-0739
501-0732
501-0861
501-0738
501-08С14
501-07С5
501-07С23
501-098
501-07С21
Н-2154
501-0755
501-07С20
501-07С19
501-0768
501-0740
501-08С13
501-09С1
501-07С14
501-0837
501-09С2
501-0848
501-08С12
501-0746
501-07С16
501-0842
501-07С9
Н-2143
Н-2145
501-0756
Н-1920
501-099
501-0843
| Позиция на иллюстрации | Заводской номер детали | Название детали | |
|---|---|---|---|
| 501-07С22 | 501-07С22 | Трубка маслопровода к масляному фильтру в сборе | |
| 501-0743 | 501-0743 | Прокладка масляного фильтра | |
| 501-0739 | 501-0739 | Скобка крепления трубки масляного манометра | |
| 501-0732 | 501-0732 | Тройник маслопровода к фильтру и манометру | |
| 501-0861 | 501-0861 | Труба водоотводящая | |
| 501-0738 | 501-0738 | Трубка к масляному манометру | |
| 501-08С14 | 501-08С14 | Трубка к масляному радиатору в сборе | |
| 501-07С5 | 501-07С5 | Трубка маслоотводящая клапанного механизма в сборе | |
| 501-07С23 | 501-07С23 | Трубка маслоподводящая клапанного механизма | |
| 501-098 | 501-098 | Прокладка картера двигателя | |
| 501-07С21 | 501-07С21 | Трубка маслопровода от масляного фильтра к блоку цилиндров в сборе | |
| Н-2154 | Н-2154 | Угольник | |
| 501-0755 | 501-0755 | Хомутик масляного фильтра | |
| 501-07С20 | 501-07С20 | Чашка масляного фильтра верхняя с усилительной пластиной в сборе | |
| 501-07С19 | 501-07С19 | Чашка масляного фильтра нижняя с кольцом в сборе | |
| 501-0768 | 501-0768 | Шайба | |
| 501-0740 | 501-0740 | Штуцер масляного фильтра | |
| 501-08С13 | 501-08С13 | Крышка корпуса масляного радиатора в сборе | |
| 501-09С1 | 501-09С1 | Картер двигателя в сборе | |
| 501-07С14 | 501-07С14 | Катушка масляного фильтра в сборе | |
| 501-0837 | 501-0837 | Корпус масляного радиатора | |
| 501-09С2 | 501-09С2 | Кольцо медно-асбестовое | |
| 501-0848 | 501-0848 | Кольцо прокладочное | |
| 501-08С12 | 501-08С12 | Коробка сот масляного радиатора в сборе | |
| 501-0746 | 501-0746 | Корпус входного тройника масляного фильтра | |
| 501-07С16 | 501-07С16 | Корпус перепускного клапана масляного фильтра, с шариком, пружиной и шайбой в сборе | |
| 501-0842 | 501-0842 | Гайка | |
| 501-07С9 | 501-07С9 | Маслопровод коренных подшипников в сборе | |
| Н-2143 | Н-2143 | Ниппель концевой | |
| Н-2145 | Н-2145 | Ниппель концевой | |
| 501-0756 | 501-0756 | Обмотка катушки масляного фильтра | |
| Н-1920 | Н-1920 | Пробка | |
| 501-099 | 501-099 | Пробка спускная картера двигателя | |
| 501-0843 | 501-0843 | Прокладка |
Содержащиеся в справочниках-каталогах запасные части и детали не предлагаются к продаже, а носят исключительно информационный характер