Вернуться на главную
Поиск
Каталоги запчастей к технике
Легковые автомобили
ЗАЗ
ZAZ Sens
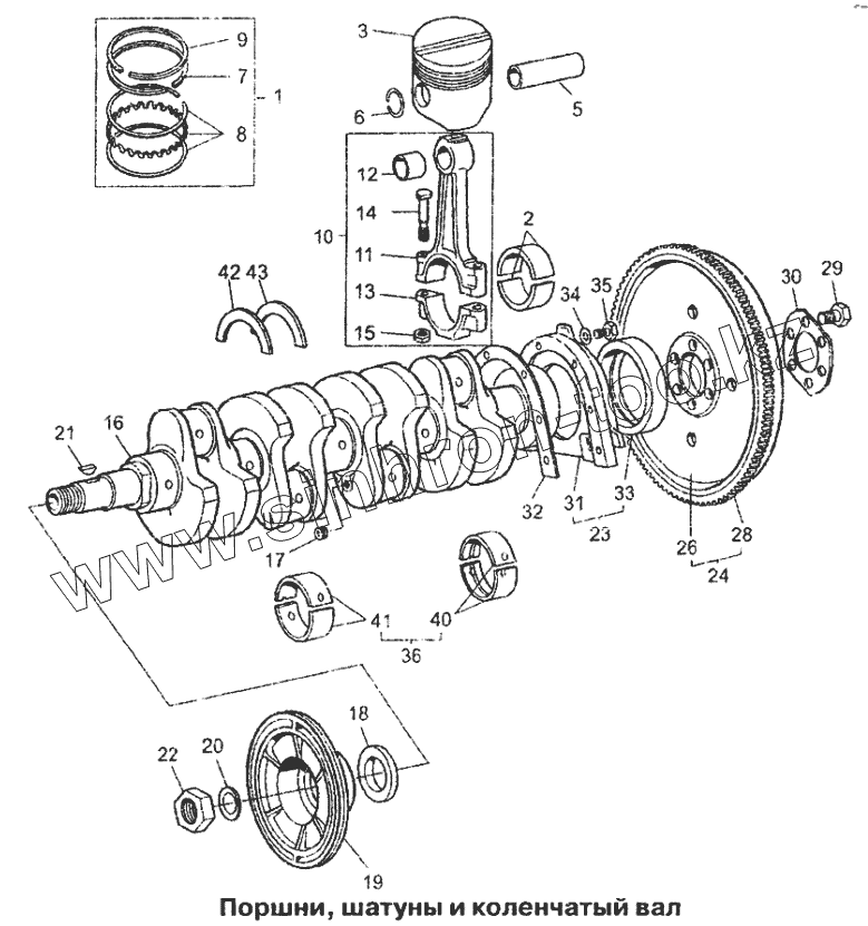
Поршни, шатуны и коленчатый вал
Каталог запасных частей к технике: ЗАЗ ZAZ Sens. Поршни, шатуны и коленчатый вал
zoom-in
zoom-out
enlarge
shrink
circle-right
circle-left
file-text2
info
cart
Тип техники
Не выбрано
Легковые автомобили
Грузовые автомобили и прицепы
Автобусы
Сельхозтехника
Спецтехника
Двигатели
Мототехника
Марка
Не выбрано
BYD
Chevrolet
Daewoo
Geely
Great Wall
Hyundai
Lifan
Tata
АЗЛК
ВАЗ
ГАЗ
ЗАЗ
ЗИЛ
ИЖ
ЛуАЗ
РАФ
УАЗ
Модель
Не выбрано
ZAZ Sens (2007)
ЗАЗ 1102 (Таврия) (1997)
ЗАЗ 965
ЗАЗ 968 (1998)
ЗАЗ 968М
ЗАЗ- 966, 966В (1972)
ЗАЗ-1102 (Таврия Нова) (2002)
ЗАЗ-1103 (Славута) (2002)
ЗАЗ-1105 (Дана) (2002)
Схема
>
Не выбрано
Кузов обитый в сборе, декоративные надписи, крепление номерных знаков
Замки под ключ
Передний пол
Задний пол
Балки, лонжероны, брусья кузова
Напольный ковер
Звукоизоляционный материал
Коврик багажника и знак опознавательный газобаллонного автомобиля
Стекло I
Стекло II
Стеклоочиститель ветрового стекла
Стеклоочиститель двери задка
Стеклоомыватель ветрового стекла
Щит передка и панель воздухопритока
Панель приборов
Накладка панели приборов и переключатели
Детали средней части панели приборов
Консоль
Панель боковины кузова (4-х дверный)
Панель боковины кузова (5-ти дверный)
Панель боковины кузова (3-х дверный)
Обивка боковых стоек (4-х дверный)
Обивка боковых стоек (5-ти дверный)
Обивка боковых стоек (3-х дверный)
Крепление малого бокового окна
Крышка заливной горловины топливного бака
Накладки боковины кузова
Полка задняя (4-х дверный)
Полка задняя (3-х/5-ти дверный)
Обивка стойки задка (4-х дверный)
Обивка стойки задка (3-х/5-ти дверный)
Крышка багажника
Замок капота багажника
Панель крыши
Обивка крыши
Люк в крыше
Крепление люка в крыше
Передняя дверь
Замок передней двери
Стеклоподъемник передней двери
Уплотнители передней двери
Обивка передней двери
Задняя боковая дверь
Замок задней боковой двери
Стеклоподъемник задней боковой двери
Уплотнители задней боковой двери
Обивка задней боковой двери
Панель двери задка
Замок двери задка
Переднее сиденье
Детали переднего сиденья
Салазки для выдвижения сиденья
Заднее сиденье (II)
Воздуховоды
Кондиционер
Вентилятор
Испаритель
Конденсор
Компрессор
Крепление компрессора (II)
Крепление компрессора (III)
Трубопроводы кондиционера (I)
Трубопроводы кондиционера (II)
Переключатели кондиционера
Солнцезащитный козырек и внутреннее зеркало
Ремни безопасности переднего сиденья
Ремни безопасности заднего сиденья
Наружные зеркала
Декоративные детали и надписи
Таблички заводских данных
Задний спойлер
Панель капота мотоотсека
Передняя панель
Панель крыла и брызговик
Облицовка передка
Накладки арок колес
Двигатель в сборе (FAM I SOHC)
Двигатель в сборе (FAM I DOHC)
Крепление силового агрегата
Блок цилиндров в сборе (FAM I)
Система ремней
Ремонтный комплект для двигателя (FAM I SOHC)
Ремонтный комплект для двигателя (FAM I DOHC)
Блок двигателя (FAM I)
Коленвал и поршни (FAM I)
Система вентиляции картера двигателя (FAM I)
Головка блока цилиндров (FAM I SOHC)
Головка блока цилиндров (FAM I DOHC)
Крышка и распределительный вал (FAM I SOHC)
Крышки и распределительный вал (FAM I DOHC)
Система приводов (FAM I SOHC)
Система приводов (FAM I DOHC)
Масляный поддон и масляный насос (FAM I)
Впрыск топлива (FAM I SOHC)
Впрыск топлива (FAM I DOHC)
Впускной коллектор (FAM I SOHC)
Впускной коллектор (FAM I DOHC)
Топливный бак
Трубопровод подачи топлива
Бачок паров топлива и топливопроводы (I)
Система воздухозаборника (I)
Система воздухозаборника (II)
Воздушные шланги (FAM I SOHC)
Воздушные шланги (FAM I DOHC)
Привод дроссельной заслонки
Выпускной коллектор (FAM I SOHC)
Выпускной коллектор (FAM I DOHC)
Система выпуска отработавших газов (I)
Система выпуска отработавших газов (II)
Термостат (FAM I SOHC)
Термостат (FAM I DOHC)
Радиатор
Вентилятор системы охлаждения
Трубопровод системы охлаждения двигателя (FAM I)
Трубопровод системы охлаждения двигателя (FAM I)
Трубопровод масляного радиатора АКП (GMPT)
Силовой агрегат МеМЗ-301 и его крепление
Силовой агрегат МеМЗ-307 и его крепление
Облицовка двигателя МеМЗ-301
Облицовка двигателя МеМЗ-307
Блок и головка цилиндров
Поршни, шатуны и коленчатый вал
Детали распределительного механизма
Детали системы смазки
Впускной коллектор, рампа форсунок, трубки подвода и отвода топлива и их крепления для двигателя МеМЗ-307
Элементы системы распределительного впрыска топлива, привод дроссельной заслонки для двигателя МеМЗ-307
Детали системы питания двигателя МеМЗ-301
Детали топливного насоса и привода двигателя МеМЗ-301
Привод дроссельной заслонки двигателя МеМЗ-301
Шланг впускной ресивера, трубки подогрева дроссельного патрубка, шланг вакуумного усилителя тормозов для двигателя МеМЗ-307
Кронштейн, шланги, клапан продувки
Фильтр воздушный и его детали двигателя МеМЗ-301
Редуктор, клапан газовый, трубопровод, кронштейны
Смеситель, клапан электромагнитный, шланги
Баллон газовый, кожух вентиляционный, блок арматуры, выносное заправочное устройство, трубопроводы
Детали редуктора G79 SE
Полный комплект 8960167 редуктора G79 SE
Впускной и выпускной коллекторы, трубы, резонатор и глушитель
Система выпуска отработавших газов с нейтрализатором
Радиатор и электровентилятор системы охлаждения
Трубопроводы системы охлаждения
Насос водяной 245.1307010-01-С, 245.1307010-02
Насос водяной 245.1307010-03
Крышка картера и диски сцепления
Гидравлический привод сцепления
Педаль сцепления
Механическая коробка передач
Детали коробки передач
Ведомый вал коробки передач
Ведущий вал и шестерня заднего хода
Опора подшипников
Механизм переключения передач и корпус коробки передач
Дифференциал
Автоматическая коробка передач
Картер и сопряженные детали
Внутренние детали коробки передач
Муфта включения заднего хода
Муфта включения прямой передачи и торможения двигателем
Муфта включения переднего хода
Муфта включения переднего хода
Муфта ведомой звездочки в сборе
Парковочный замок и стопорный рычаг
Механизм управления переключением передач (МКПП)
Механизм управления переключением передач (АКПП)
Полуоси
Детали полуосей (МКПП)
Детали полуосей (АКПП)
Механизм управления сцеплением
Привод управления сцеплением
Картер сцепления и коробки передач
Детали коробки передач (1,2,3,4-ая передачи и задний ход)
Детали коробки передач (пятая и главная передача)
Механизм переключения передач
Привод управления механизмом переключения передач
Главная передача и дифференциал
Детали шарнирных валов
Передний буфер
Задний буфер I
Поворотный кулак и ступица передней подвески
Амортизатор передней подвески
Передняя подвеска
Задняя подвеска
Амортизатор задней подвески
Кулак и ступица задней подвески
Диск колеса, шина, колпак колеса
Рулевое колесо
Чехлы рулевой колонки
Рулевая колонка (нерегулируемая)
Рулевая колонка (регулируемая)
Рулевой механизм
Детали рулевого механизма (механическая К/П)
Детали рулевого механизма (с усилителем)
Поперечная рулевая тяга
Трубопроводы рулевого управления с усилителем
Тормозная педаль (I)
Тормозная педаль (II)
Передний тормоз (DAC)
Передний тормоз (TEVES)
Задний тормоз
Стояночный тормоз
Узел главного тормозного цилиндра
Главный тормозной цилиндр и усилитель
Опора главного тормозного цилиндра
Тормозные трубки (без АБС)
Тормозные трубки (с АБС)
Антиблокировочная тормозная система
Гидравлический модулятор
Шланг вакуумного усилителя тормозов для двигателя МеМЗ-301, МеМЗ-307
Система зажигания (FAM I SOHC)
Система зажигания (FAM I DOHC)
Генератор(85А)
Крепление генератора (FAM I SOHC)
Крепление генератора (FAM I DOHC)
Стартер (0,8 кВт)
Управляющие электронные блоки
Крепление управляющих электронных блоков (I)
Крепление управляющих электронных блоков (II)
Крепление управляющих электронных блоков (III)
Генератор, аккумуляторной батареи и их крепление
Детали генератора
Детали системы зажигания двигателя, свечи зажигания МеМЗ-301
Крышка головки цилиндров задняя, модуль зажигания, жгут высоковольтных проводов двигателя, свечи зажигания МеМЗ-307
Стартер, звуковой сигнал, жгут проводов, приборы электрооборудования
Жгут проводов, приборы электрооборудования двигателя МеМЗ-307 (оригинальные детали и узлы)
Электропроводка
Передние фары
Задние фонари (4-дверный)
Задние фонари (3/5-дверный)
Детали электрооборудования
Система сигнализации автомобиля и противоугонная система
Система воздушной подушки безопасности
Аккумуляторная батарея
Предохранители и реле
Электрические замки дверей
Жгут проводов: датчик кислорода, управления установкой "газ-бензин" и симулятор, блок управления, лямбда-датчик
Комбинация приборов
Аудиосистема
Антенна
Инструмент водителя и приспособления
1
2
3
3
5
6
7
8
9
10
11
12
13
14
15
16
17
18
18
18
19
20
21
22
23
24
24
26
26
28
29
30
31
32
33
33
33
34
35
36
36
36
36
40
41
42
42
43
43
Позиция на иллюстрации
Заводской номер детали
Название детали
1
301.1000101
Кольца поршневые (комплект) на один двигатель
2
245.1000104
Вкладыши шатунные (комплект)
3
307.1004015
Поршень
3
301.1004015
Поршень
5
245.1004020
Палец
6
965-1004022-10
Кольцо стопорное
7
301.1004025
Кольцо поршневое компрессионное нижнее
8
301.1004027
Кольцо поршневое маслосъемное комплект в одну канавку
9
301.1004030
Кольцо поршневое компрессионное верхнее
10
245.1004045
Шатун в сборе
11
245.1004050
Шатун
12
245.1004052
Втулка
13
245.1004055
Крышка шатуна
14
2101-1004062
Болт шатуна
15
1/25550/20
Гайка
16
2457.1005015
Вал коленчатый
17
245.1005024-01
Пробка
18
245.1005034-01
Манжета передняя
18
245.1005034-03
Манжета передняя
18
UKX00010
Манжета передняя
19
245.1005060
Шкив
20
245.1005062
Шайба
21
[Шпонка]
Шпонка
22
[Гайка]
Гайка
23
245.1005151
Держатель в сборе
24
245.1005115
Маховик в сборе
24
307.1005115
Маховик в сборе
26
307.1005120
Маховик
26
245.1005120
Маховик
28
245.1005125
Обод зубчатый
29
2101-1005127
Болт
30
245.1005128
Шайба
31
245.1005153-01
Держатель
32
245.1005155
Прокладка
33
2101-1005160-03
Манжета задняя
33
245.1005160-01
Манжета задняя
33
UKX00007
Манжета задняя
34
245.1702095
Шайба
35
[Болт]
Болт
36
245.1000102-01
Вкладыши коренные — комплект
36
245.1000102-Р1
Вкладыши коренные —ремонтный комплект (-0,125)
36
245.1000102-Р2
Вкладыши коренные — ремонтный комплект (-0,25)
36
245.1000102-Р3
Вкладыши коренные — ремонтный комплект (-0,50)
40
245.1005170
Вкладыш подшипника
41
245.1005174
Вкладыш среднего подшипника
42
245.1005183
Шайба упорная
42
245.1005183-01
Шайба упорная
43
245.1005183-Р1
Шайба упорная ремонтная
43
245.1005183-01-Р1
Шайба ремонтная
Содержащиеся в справочниках-каталогах запасные части и детали не предлагаются к продаже, а носят исключительно информационный характер
Дополнительная информация
×
Название:
Номер:
Примечание: