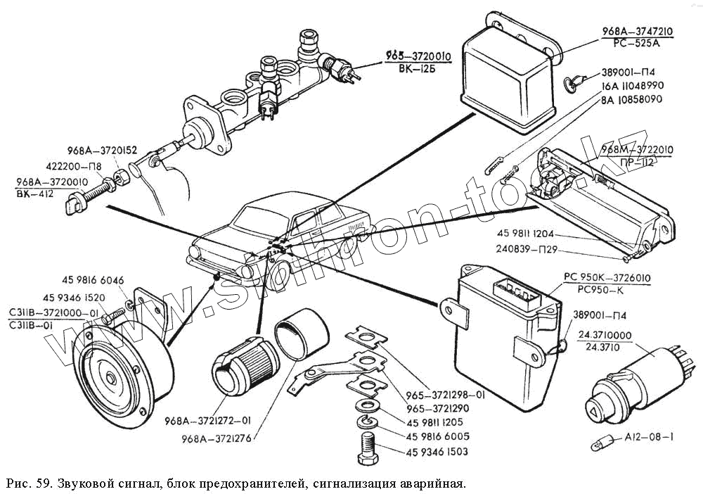
Каталог запасных частей к технике: ЗАЗ 968М. Звуковой сигнал, блок предохранителей, сигнализация аварийная
968А-3720152
45 9811 1204
45 9811 1205
45 9816 6005
45 9816 6046
968А-3747210 РС-525А
965-3721298-01
РС950К-3726010 РС950-К
16А 11048990
8А 10858090
968-3721290
389001-П4
968М-3722010 ПР-112
А 12-0,8-1
С311В-3721000-01 С-311В-01
422200-П8
24.3710000 24.3710
968А-3721276
968А-3721272-01
968А-3720010 ВК-412
965-3720010 ВК-12Б
240839-П29
45 9346 1520
45 9346 1503
| Позиция на иллюстрации | Заводской номер детали | Название детали | |
|---|---|---|---|
| 968А-3720152 | 968А-3720152 | Наконечник выключателя | |
| 45 9811 1204 | 45 9811 1204 | Шайба | |
| 45 9811 1205 | 45 9811 1205 | Шайба | |
| 45 9816 6005 | 45 9816 6005 | Шайба | |
| 45 9816 6046 | 45 9816 6046 | Шайба | |
| 968А-3747210 РС-525А | 968А-3747210 РС-525А | Реле аварийной сигнализации тормозов | |
| 965-3721298-01 | 965-3721298-01 | Прокладка | |
| РС950К-3726010 РС950-К | РС950К-3726010 РС950-К | Прерыватель | |
| 16А 11048990 | 16А 11048990 | Предохранитель | |
| 8А 10858090 | 8А 10858090 | Предохранитель | |
| 968-3721290 | 968-3721290 | Пластина | |
| 389001-П4 | 389001-П4 | Пистон | |
| 968М-3722010 ПР-112 | 968М-3722010 ПР-112 | Блок предохранителей | |
| А 12-0,8-1 | А 12-0,8-1 | Лампа | |
| С311В-3721000-01 С-311В-01 | С311В-3721000-01 С-311В-01 | Звуковой сигнал | |
| 422200-П8 | 422200-П8 | Гайка | |
| 24.3710000 24.3710 | 24.3710000 24.3710 | Выключатель | |
| 968А-3721276 | 968А-3721276 | Втулка | |
| 968А-3721272-01 | 968А-3721272-01 | Втулка | |
| 968А-3720010 ВК-412 | 968А-3720010 ВК-412 | Включатель стоп-сигнала | |
| 965-3720010 ВК-12Б | 965-3720010 ВК-12Б | Включатель аварийной сигнализации | |
| 240839-П29 | 240839-П29 | Винт | |
| 45 9346 1520 | 45 9346 1520 | Болт | |
| 45 9346 1503 | 45 9346 1503 | Болт |
Содержащиеся в справочниках-каталогах запасные части и детали не предлагаются к продаже, а носят исключительно информационный характер