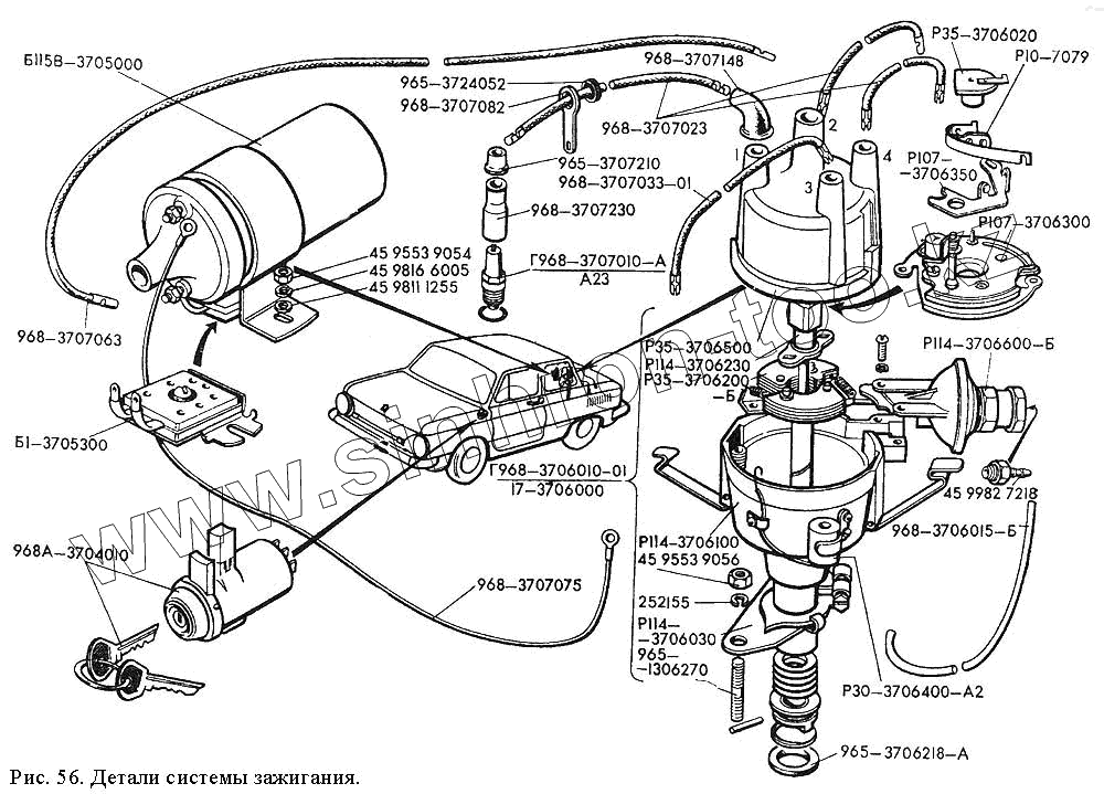
Каталог запасных частей к технике: ЗАЗ 968М. Детали системы зажигания
Р107-3706350
968-3707023
968-3707033-01
Г968-3706010-01 17-3706000
Р114-3706600-Б
Б1-3705300
Р114-3706030
Р10-7079
Г968-3707010-А А23
968-3707063
968-3706015-Б
965-3706218-А
252155
45 9811 1255
45 9816 6005
965-1306270
45 9982 7218
Р30-3706400-А2
Р35-3706200-Б
965-3724052
45 9553 9054
45 9553 9056
968А-3704010
Б115В-3705000
965-3707210
968-3707148
Р35-3706020
Р114-3706100
968-3707082
Р35-3706500
Р114-3706230
968-3707230
Р107-3706300
968-3707075
| Позиция на иллюстрации | Заводской номер детали | Название детали | |
|---|---|---|---|
| Р107-3706350 | Р107-3706350 | Стойка | |
| 968-3707023 | 968-3707023 | Провод первого, второго и четвертого цилиндров | |
| 968-3707033-01 | 968-3707033-01 | Провод третьего цилиндра | |
| Г968-3706010-01 17-3706000 | Г968-3706010-01 17-3706000 | Распределитель зажигания | |
| Р114-3706600-Б | Р114-3706600-Б | Регулятор вакуумный | |
| Б1-3705300 | Б1-3705300 | Резистор | |
| Р114-3706030 | Р114-3706030 | Рычаг | |
| Р10-7079 | Р10-7079 | Рычаг с подушкой | |
| Г968-3707010-А А23 | Г968-3707010-А А23 | Свеча зажигания | |
| 968-3707063 | 968-3707063 | Провод | |
| 968-3706015-Б | 968-3706015-Б | Трубка | |
| 965-3706218-А | 965-3706218-А | Уплотнитель | |
| 252155 | 252155 | Шайба | |
| 45 9811 1255 | 45 9811 1255 | Шайба | |
| 45 9816 6005 | 45 9816 6005 | Шайба | |
| 965-1306270 | 965-1306270 | Шпилька | |
| 45 9982 7218 | 45 9982 7218 | Штуцер | |
| Р30-3706400-А2 | Р30-3706400-А2 | Конденсатор | |
| Р35-3706200-Б | Р35-3706200-Б | Валик с автоматом | |
| 965-3724052 | 965-3724052 | Втулка | |
| 45 9553 9054 | 45 9553 9054 | Гайка | |
| 45 9553 9056 | 45 9553 9056 | Гайка | |
| 968А-3704010 | 968А-3704010 | Замок зажигания | |
| Б115В-3705000 | Б115В-3705000 | Катушка зажигания | |
| 965-3707210 | 965-3707210 | Колпачок | |
| 968-3707148 | 968-3707148 | Колпачок | |
| Р35-3706020 | Р35-3706020 | Бегунок | |
| Р114-3706100 | Р114-3706100 | Корпус | |
| 968-3707082 | 968-3707082 | Кронштейн | |
| Р35-3706500 | Р35-3706500 | Крышка | |
| Р114-3706230 | Р114-3706230 | Кулачок | |
| 968-3707230 | 968-3707230 | Наконечник | |
| Р107-3706300 | Р107-3706300 | Пластина прерывателя | |
| 968-3707075 | 968-3707075 | Провод |
Содержащиеся в справочниках-каталогах запасные части и детали не предлагаются к продаже, а носят исключительно информационный характер