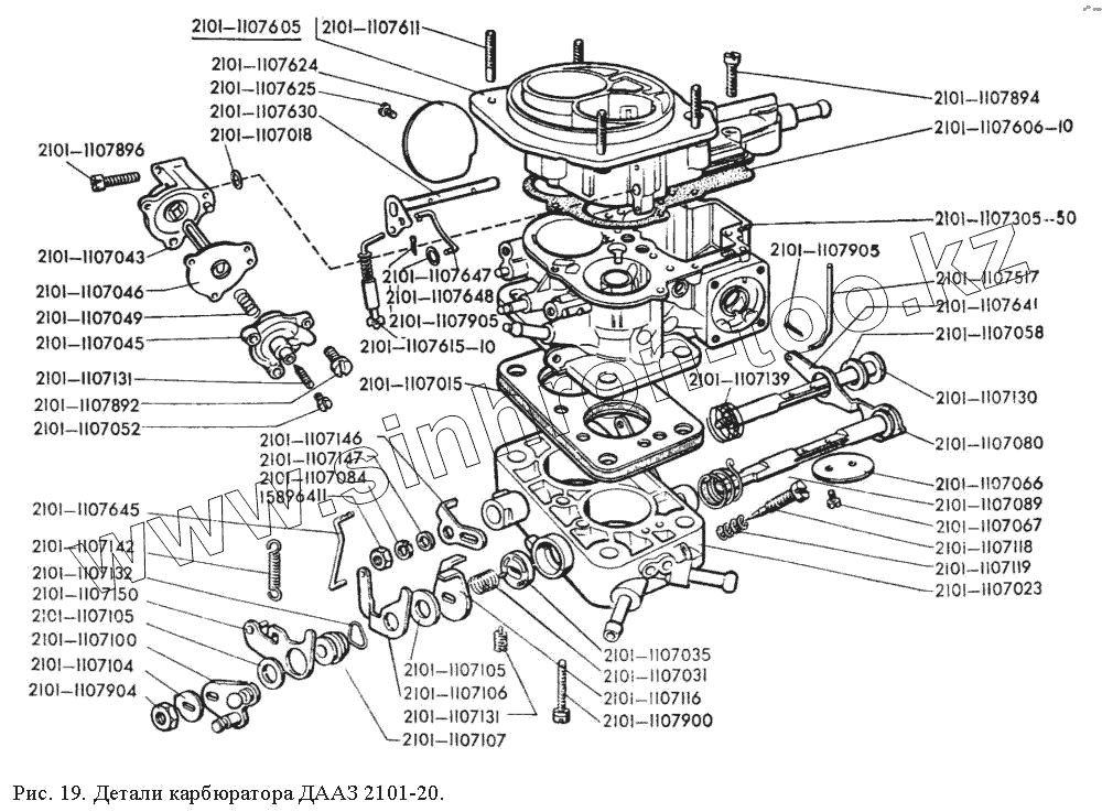
Каталог запасных частей к технике: ЗАЗ 968М. Детали карбюратора ДААЗ-2101-20
2101-1107517
2101-1107139
2101-1107119
2101-1107142
2101-1107089
2101-1107049
2101-1107031
2101-1107116
2101-1107146
2101-1107641
2101-1107106
2101-1107100
2101-1107150
2101-1107023
2101-1107606-10
2101-1107645
2101-1107647
2101-1107615-10
2101-1107147
2101-1107648
2101-1107084
2101-1107104
2101-1107105
2101-1107105
2101-1107132
2101-1107611
2101-1107905
2101-1107035
2101-1107892
2101-1107896
2101-1107894
2101-1107131
2101-1107900
2101-1107067
2101-1107107
15896411
2101-1107904
2101-1107046
2101-1107624
2101-1107066
2101-1107625
2101-1107118
2101-1107058
2101-1107043
2101-1107045
2101-1107605
2101-1107630
2101-1107130
2101-1107080
2101-1107305-50
2101-1107052
2101-1107015
2101-1107018
| Позиция на иллюстрации | Заводской номер детали | Название детали | |
|---|---|---|---|
| 2101-1107517 | 2101-1107517 | Тяга | |
| 2101-1107139 | 2101-1107139 | Пружина | |
| 2101-1107119 | 2101-1107119 | Пружина | |
| 2101-1107142 | 2101-1107142 | Пружина | |
| 2101-1107089 | 2101-1107089 | Пружина | |
| 2101-1107049 | 2101-1107049 | Пружина | |
| 2101-1107031 | 2101-1107031 | Пружина | |
| 2101-1107116 | 2101-1107116 | Рычаг | |
| 2101-1107146 | 2101-1107146 | Рычаг | |
| 2101-1107641 | 2101-1107641 | Рычаг | |
| 2101-1107106 | 2101-1107106 | Рычаг | |
| 2101-1107100 | 2101-1107100 | Рычаг | |
| 2101-1107150 | 2101-1107150 | Рычаг | |
| 2101-1107023 | 2101-1107023 | Смесительная камера | |
| 2101-1107606-10 | 2101-1107606-10 | Прокладка | |
| 2101-1107645 | 2101-1107645 | Тяга | |
| 2101-1107647 | 2101-1107647 | Тяга | |
| 2101-1107615-10 | 2101-1107615-10 | Тяга | |
| 2101-1107147 | 2101-1107147 | Шайба | |
| 2101-1107648 | 2101-1107648 | Шайба | |
| 2101-1107084 | 2101-1107084 | Шайба | |
| 2101-1107104 | 2101-1107104 | Шайба | |
| 2101-1107105 | 2101-1107105 | Шайба | |
| 2101-1107105 | 2101-1107105 | Шайба | |
| 2101-1107132 | 2101-1107132 | Шайба пружинная | |
| 2101-1107611 | 2101-1107611 | Шпилька | |
| 2101-1107905 | 2101-1107905 | Шплинт | |
| 2101-1107035 | 2101-1107035 | Золотник | |
| 2101-1107892 | 2101-1107892 | Винт | |
| 2101-1107896 | 2101-1107896 | Винт | |
| 2101-1107894 | 2101-1107894 | Винт | |
| 2101-1107131 | 2101-1107131 | Винт | |
| 2101-1107900 | 2101-1107900 | Винт | |
| 2101-1107067 | 2101-1107067 | Винт | |
| 2101-1107107 | 2101-1107107 | Втулка | |
| 15896411 | 15896411 | Гайка | |
| 2101-1107904 | 2101-1107904 | Гайка | |
| 2101-1107046 | 2101-1107046 | Диафрагма | |
| 2101-1107624 | 2101-1107624 | Заслонка | |
| 2101-1107066 | 2101-1107066 | Заслонка | |
| 2101-1107625 | 2101-1107625 | Винт | |
| 2101-1107118 | 2101-1107118 | Игла регулировочная | |
| 2101-1107058 | 2101-1107058 | Кольцо опорное | |
| 2101-1107043 | 2101-1107043 | Корпус | |
| 2101-1107045 | 2101-1107045 | Крышка | |
| 2101-1107605 | 2101-1107605 | Крышка в сборе | |
| 2101-1107630 | 2101-1107630 | Ось | |
| 2101-1107130 | 2101-1107130 | Ось | |
| 2101-1107080 | 2101-1107080 | Ось | |
| 2101-1107305-50 | 2101-1107305-50 | Поплавковая камера | |
| 2101-1107052 | 2101-1107052 | Пробка | |
| 2101-1107015 | 2101-1107015 | Прокладка | |
| 2101-1107018 | 2101-1107018 | Прокладка |
Содержащиеся в справочниках-каталогах запасные части и детали не предлагаются к продаже, а носят исключительно информационный характер