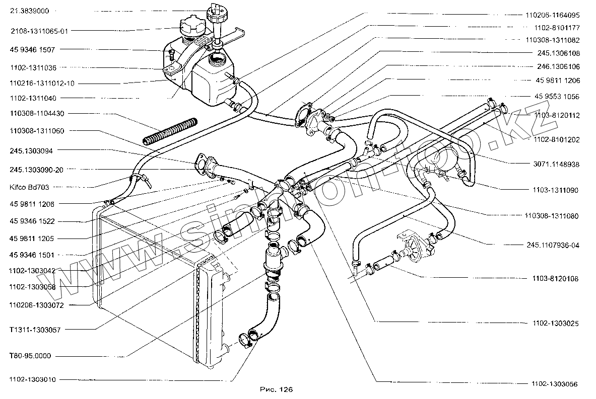
Каталог запасных частей к технике: ЗАЗ-1105 (Дана). Трубопроводы системы охлаждения (МеМЗ-З3071)
1102-1303058
110206-1164095
45 9811 1205
45 9811 1206
45 9811 1206
1103-8120108
110308-1104430
1102-1303056-01
1103-8120112
1102-8101202
1102-8101202-01
1102-8101202-02
110308-1311060
1102-8101177
1102-1303058-01
1102-1303010
1102-1303010-01
1102-1303025
1102-1303025-01
110308-1311082
110308-1311082-01
110308-1311080
110308-1311080-01
Т1311-1303057
1103-1311090
45 9346 1501
45 9346 1522
45 9346 1507
45 9553 1056
21.3839000
1102-1311040
1102-1311036
246.1306106
2108-1311065-01
245.1306108
245.1303094
110216-1311012-10
1103-1311090-01
Т80-950000
1102-1303042
1102-1303056
1102-1303042-10
245.1303090-20
3071.1148938
245.1107936-04
Kifco BD703
110206-1303072
| Позиция на иллюстрации | Заводской номер детали | Название детали | |
|---|---|---|---|
| 1102-1303058 | 1102-1303058 | Шланг радиатора | |
| 110206-1164095 | 110206-1164095 | Хомут | |
| 45 9811 1205 | 45 9811 1205 | Шайба | |
| 45 9811 1206 | 45 9811 1206 | Шайба | |
| 1103-8120108 | 1103-8120108 | Шланг подводящий от двигателя к крану управления отопителем | |
| 110308-1104430 | 110308-1104430 | Шланг защитный | |
| 1102-1303056-01 | 1102-1303056-01 | Шланг от термостата к перепускной трубе | |
| 1103-8120112 | 1103-8120112 | Шланг отводящий | |
| 1102-8101202 | 1102-8101202 | Шланг подводящий от крана управления отопителем к отопителю | |
| 1102-8101202-01 | 1102-8101202-01 | Шланг подводящий | |
| 1102-8101202-02 | 1102-8101202-02 | Шланг подводящий от крана управления отопителем к отопителю | |
| 110308-1311060 | 110308-1311060 | Шланг пароотводящий радиатора | |
| 1102-8101177 | 1102-8101177 | Хомут винтовой червячный | |
| 1102-1303058-01 | 1102-1303058-01 | Шланг радиатора | |
| 1102-1303010 | 1102-1303010 | Шланг отводящий | |
| 1102-1303010-01 | 1102-1303010-01 | Шланг радиатора отводящий | |
| 1102-1303025 | 1102-1303025 | Шланг подводящий | |
| 1102-1303025-01 | 1102-1303025-01 | Шланг радиатора подводящий | |
| 110308-1311082 | 110308-1311082 | Шланг расширительного бачка | |
| 110308-1311082-01 | 110308-1311082-01 | Шланг расширительного бачка | |
| 110308-1311080 | 110308-1311080 | Шланг расширительного бачка передний | |
| 110308-1311080-01 | 110308-1311080-01 | Шланг расширительного бачка передний | |
| Т1311-1303057 | Т1311-1303057 | Шланг тройника | |
| 1103-1311090 | 1103-1311090 | Тройник | |
| 45 9346 1501 | 45 9346 1501 | Болт | |
| 45 9346 1522 | 45 9346 1522 | Болт М8х20 | |
| 45 9346 1507 | 45 9346 1507 | Болт | |
| 45 9553 1056 | 45 9553 1056 | Гайка шестигранная (d=М8х1, s=13) | |
| 21.3839000 | 21.3839000 | Датчик уровня | |
| 1102-1311040 | 1102-1311040 | Лента хомута задняя | |
| 1102-1311036 | 1102-1311036 | Лента хомута передняя | |
| 246.1306106 | 246.1306106 | Патрубок отводящий | |
| 2108-1311065-01 | 2108-1311065-01 | Пробка расширительного бачка | |
| 245.1306108 | 245.1306108 | Прокладка | |
| 245.1303094 | 245.1303094 | Прокладка | |
| 110216-1311012-10 | 110216-1311012-10 | Бачок расширительный | |
| 1103-1311090-01 | 1103-1311090-01 | Тройник | |
| Т80-950000 | Т80-950000 | Термостат | |
| 1102-1303042 | 1102-1303042 | Тройник | |
| 1102-1303056 | 1102-1303056 | Рукав | |
| 1102-1303042-10 | 1102-1303042-10 | Тройник | |
| 245.1303090-20 | 245.1303090-20 | Труба перепускная | |
| 3071.1148938 | 3071.1148938 | Трубка | |
| 245.1107936-04 | 245.1107936-04 | Трубка | |
| Kifco BD703 | Kifco BD703 | Хомут | |
| 110206-1303072 | 110206-1303072 | Хомут червячный |
Содержащиеся в справочниках-каталогах запасные части и детали не предлагаются к продаже, а носят исключительно информационный характер