Вернуться на главную
Поиск
Каталоги запчастей к технике
Легковые автомобили
ЗАЗ
ЗАЗ-1105 (Дана)
Детали системы смазки (МеМЗ-З3071)
Каталог запасных частей к технике: ЗАЗ-1105 (Дана). Детали системы смазки (МеМЗ-З3071)
zoom-in
zoom-out
enlarge
shrink
circle-right
circle-left
file-text2
info
cart
Тип техники
Не выбрано
Легковые автомобили
Грузовые автомобили и прицепы
Автобусы
Сельхозтехника
Спецтехника
Двигатели
Мототехника
Марка
Не выбрано
BYD
Chevrolet
Daewoo
Geely
Great Wall
Hyundai
Lifan
Tata
АЗЛК
ВАЗ
ГАЗ
ЗАЗ
ЗИЛ
ИЖ
ЛуАЗ
РАФ
УАЗ
Модель
Не выбрано
ZAZ Sens (2007)
ЗАЗ 1102 (Таврия) (1997)
ЗАЗ 965
ЗАЗ 968 (1998)
ЗАЗ 968М
ЗАЗ- 966, 966В (1972)
ЗАЗ-1102 (Таврия Нова) (2002)
ЗАЗ-1103 (Славута) (2002)
ЗАЗ-1105 (Дана) (2002)
Схема
>
Не выбрано
Кузов в сборе, детали кузова (ЗАЗ-110550 "ПИКАП")
Кузов в сборе, детали кузова (ЗАЗ-110550 "ПИКАП")
Кузов в сборе, шумоизоляционные прокладки (МеМЗ-З3071)
Детали кузова (ЗАЗ-1105)
Детали кузова (ЗАЗ-1103)
Детали кузова (ЗАЗ-110550 "ПИКАП")
Детали кузова (ЗАЗ-110550 "ПИКАП")
Детали кузова
Детали кузова
Детали кузова
Детали кузова
Детали кузова
Обивка салона
Оригинальные детали обивки салона (ЗАЗ-1103)
Обивка двери задка, перегородка, платформа багажника (ЗАЗ-110240)
Детали боковины, задка кузова, крыша и дверь задка (ЗАЗ-1103)
Детали пола и боковины кузова (ЗАЗ-1103)
Коврики, обивка салона (ЗАЗ-1105, 1103)
Коврики и полка багажника
Стеклоочиститель и стеклоомыватель ветрового стекла
Стеклоочиститель и стеклоомыватель двери задка
Стекла ветрового окна и боковин
Панель приборов 1102-5325016-30
Панели приборов 11021-5325016 и 11021-5325016-10
Панель приборов (МеМЗ-З3071)
Обивка дверей, ручка двери (ЗАЗ-1105, 1103)
Окно двери и стеклоподъемник
Окно передней двери и стеклоподъемник (ЗАЗ-1105, 1103)
Двери, замки, ручки дверей, уплотнитель
Двери передние, замки, ручки дверей, уплотнитель (ЗАЗ-1105, 1103)
Двери задние, ручки дверей, уплотнители (ЗАЗ-1105, 1103)
Стекла задней двери, боковины и стеклоподъемник (ЗАЗ-1105, 1103)
Дверь задка, стекло, уплотнитель (ЗАЗ-110240)
Дверь задка, стекло, уплотнитель, замок
Дверь задка, стекло, уплотнитель, замок, петли, ручка (ЗАЗ-1105)
Полка багажника, окно и уплотнитель двери задка (ЗАЗ-1103)
Замок двери задка (ЗАЗ-1105)
Сиденья передние
Механизм регулирования положения передних сидений
Сиденье заднее
Отопитель и детали отопителя
Кран и блок управления отопителем
Воздуховоды
Зеркала заднего вида наружные
Зеркала заднего вида наружные
Зеркала заднего вида внутренние, поручни, противосолнечные козырьки
Ремни безопасности
Капот передка, петли, замок и привод замка
Платформа
Тент высокий (ЗАЗ-110550 "ПИКАП")
Тент низкий (ЗАЗ-110550 "ПИКАП")
Силовой агрегат и его крепление
Блок и головка цилиндров
Поршни, шатуны и коленчатый вал
Детали газораспределительного механизма
Детали системы смазки
Детали системы питания
Детали крышки карбюратора
Детали корпуса карбюратора
Детали корпуса карбюратора
Детали топливного насоса 2101-1106010-10 и привода
Детали топливного насоса 245.1106010-01 и привода
Акселератор и управление воздушной заслонкой
Фильтр воздушный и его детали (МеМЗ-245)
Фильтр воздушный и его детали (МеМЗ-2457, 3011)
Впускной и выпускной коллекторы, трубы и глушитель
Глушитель выхлопа (ЗАЗ-1103)
Детали системы охлаждения
Насос водяной 245.1307010-01-С
Насос водяной 245.1307010-03
Агрегат силовой в сборе (МеМЗ-246)
Корпус дроссельной заслонки (МеМЗ-246)
Детали системы питания (МеМЗ-246)
Привод акселератора и датчик абсолютного давления (МеМЗ-246)
Детали системы улавливания паров бензина (МеМЗ-246)
Система выпуска отработанных газов и нейтрализатор (МеМЗ-246)
Агрегат силовой в сборе (МеМЗ-З3071)
Блок и головка цилиндров (МеМЗ-З3071)
Поршни, шатуны и коленчатый вал (МеМЗ-З3071)
Детали газораспределительного механизма (МеМЗ-З3071)
Впускной коллектор, рампа форсунок (МеМЗ-З3071)
Элементы системы распределенного впрыска топлива (МеМЗ-З3071)
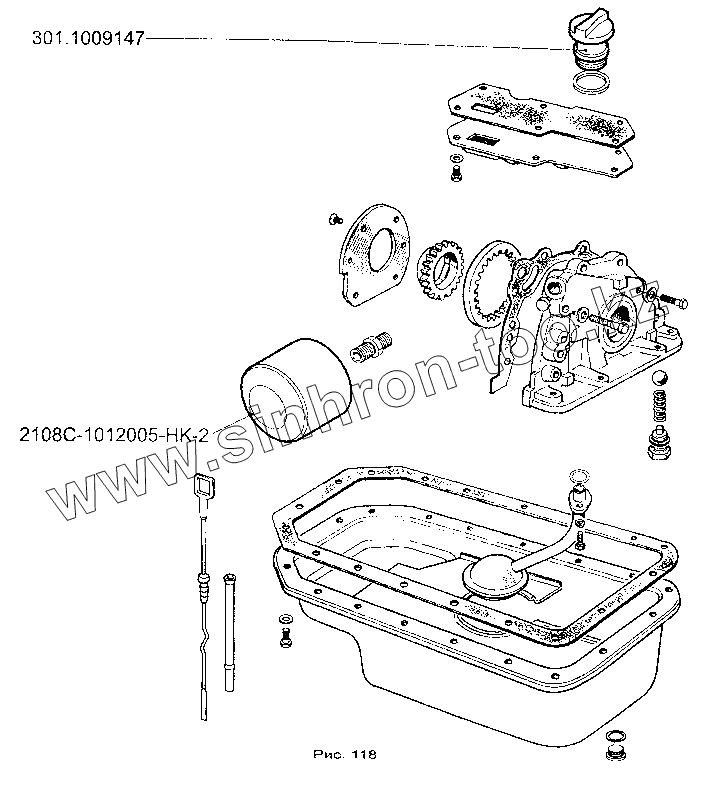
Детали системы смазки (МеМЗ-З3071)
Детали системы топливоподачи (МеМЗ-З3071)
Педаль акселератора и привод дроссельной заслонки (МеМЗ-З3071)
Воздушный фильтр (МеМЗ-З3071)
Кронштейны воздушного фильтра и облицовка двигателя (МеМЗ-З3071)
Система улавливания паров бензина (МеМЗ-З3071)
Система выпуска отработанных газов (МеМЗ-З3071)
Радиатор и электровентилятор системы охлаждения (МеМЗ-З3071)
Трубопроводы системы охлаждения (МеМЗ-З3071)
Механизм и привод управления сцеплением
Картеры сцепления и коробки передач
Диски сцепления (МеМЗ-З3071)
Детали коробки передач (1,2,3,4-я передачи и задний ход)
Деталь коробки передач (пятая и главная передачи)
Механизм переключения передач
Привод управления механизмом переключения передач
Привод управления механизмом переключения передач (МеМЗ-З3071)
Детали шарнирных валов
Детали шарнирных валов
Главная передача и дифференциал
Детали передней подвески и шарнирные валы
Буфер передний, облицовки, орнаменты и декоративные надписи
Буфер задний, облицовки, орнаменты и надписи, фартуки колес, спойлеры
Буфер задний, спойлер, дополнительный сигнал торможения (ЗАЗ-1103)
Буфер задний, задние фонари, обивка, облицовки (ЗАЗ-110550 "ПИКАП")
Детали передней подвески
Детали задней подвески
Колеса и тормозные барабаны заднего колеса
Детали механизма рулевого управления
Кронштейн опоры, опора вала рулевого управления
Рулевое колесо, опора вала
Вал и тяги рулевого управления
Тормоза передние
Тормоза задние
Усилитель вакуумный привода тормозов
Гидропривод тормоза ножного (без вакуумного усилителя)
Детали главного тормозного цилиндра
Трубопроводы гидропривода тормозов
Привод механизма управления стояночным тормозом
Аккумуляторная батарея и генератор
Детали генератора
Детали системы зажигания
Стартер и детали стартера
Детали управления системы зажигания (МеМЗ-246)
Электропровода (МеМЗ-246)
Система зажигания (МеМЗ-З3071)
Жгуты проводов системы зажигания (МеМЗ-З3071)
Жгуты проводов (МеМЗ-З3071)
Переключатели и задние фонари
Фары, указатели поворота, плафон, гидрокорректор, прикуриватель
Электростеклоподъемники передних дверей
Центральный замок боковых дверей с электроблокировкой
Предохранители и электропровода
Приборы электрооборудования
Комбинация приборов
Комбинация приборов (МеМЗ-З3071)
Радиоприемник, антенна, громкоговоритель
Инструмент водителя и приспособления
Манжеты
Подшипники
Подшипники
301.1009147
2108С-1012005-НК-2
Позиция на иллюстрации
Заводской номер детали
Название детали
301.1009147
301.1009147
Крышка маслоналивной горловины
2108С-1012005-НК-2
2108С-1012005-НК-2
Супер фильтр очистки масла
Содержащиеся в справочниках-каталогах запасные части и детали не предлагаются к продаже, а носят исключительно информационный характер
Дополнительная информация
×
Название:
Номер:
Примечание: