Каталог запасных частей к технике: ЗАЗ-1103 (Славута). Детали системы охлаждения
45 9811 1205
1102-1303056
1103-1311080-01
1103-1311080
110206-1311076-11
110206-1311076-10
1103-8120108
1102-1302067
45 9816 6005
45 9816 6005
45 9816 6044
45 9811 1206
45 9811 1206
1102-1303056-01
110206-1164095
110206-1303072
1102-8101177
45 9871 8650
1102-1308024
UKH00007
245.1107936-02
245.1107936
245.1107938-10
110550-1303057
110550-3730010
191.3730000-12
191.3730000-11
191.3730000-10
110206-1308006
110550-1308006
1105-1308006
45 9842 1344
1102-1303057-01
1103-1311060
1102-1303057
1102-1303025-01
1102-1303025
1102-1303010-01
1102-1303010
1102-1303058-01
1102-1303058
1103-1311082-01
1103-1311082
45 9553 9053
1102-1311036
1102-1311040
1102-1308012
1102-1311066-01
110206-1309010
1105-1309010
21.3839000
45 9553 1054
45 9553 1056
45 9553 1054
11021-1302061
1102-1308036
1102-1308034
45 9346 1507
45 9346 1506
45 9346 9522
45 9346 9501
45 9346 1507
1102-1311048-01
110206-1311012
157-1301010
245.1303090-20
1103-1311090-01
1102-1303042-10
1103-1311090
1102-1303042
Т80-950000
Т70-85.00.00
ТН470.2А-3808000
66.3710.000
1103-1311012
110206-1301012-10
110550-1301010-20
110550-1301010
110550-1302068
245.1303094
245.1306108
1102-3808804
1102-1311067
245.1306106-01
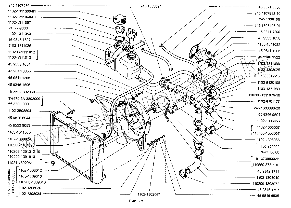
| Позиция на иллюстрации | Заводской номер детали | Название детали | |
|---|---|---|---|
| 45 9811 1205 | 45 9811 1205 | Шайба | |
| 1102-1303056 | 1102-1303056 | Рукав | |
| 1103-1311080-01 | 1103-1311080-01 | Шланг от перепускной трубы к тройнику | |
| 1103-1311080 | 1103-1311080 | Шланг от перепускной трубы к тройнику | |
| 110206-1311076-11 | 110206-1311076-11 | Шланг от перепускной трубы к расширительному бачку | |
| 110206-1311076-10 | 110206-1311076-10 | Шланг от перепускной трубы к расширительному бачку | |
| 1103-8120108 | 1103-8120108 | Шланг подводящий от двигателя к крану управления отопителем | |
| 1102-1302067 | 1102-1302067 | Шайба | |
| 45 9816 6005 | 45 9816 6005 | Шайба | |
| 45 9816 6044 | 45 9816 6044 | Шайба | |
| 45 9811 1206 | 45 9811 1206 | Шайба | |
| 1102-1303056-01 | 1102-1303056-01 | Шланг от термостата к перепускной трубе | |
| 110206-1164095 | 110206-1164095 | Хомут | |
| 110206-1303072 | 110206-1303072 | Хомут червячный | |
| 1102-8101177 | 1102-8101177 | Хомут винтовой червячный | |
| 45 9871 8650 | 45 9871 8650 | Хомут | |
| 1102-1308024 | 1102-1308024 | Фиксатор | |
| UKH00007 | UKH00007 | Трубка подогрева карбюратора подводящая | |
| 245.1107936-02 | 245.1107936-02 | Трубка подогрева карбюратора подводящая | |
| 245.1107936 | 245.1107936 | Трубка | |
| 245.1107938-10 | 245.1107938-10 | Трубка подогрева карбюратора отводящая | |
| 110550-1303057 | 110550-1303057 | Шланг тройника | |
| 110550-3730010 | 110550-3730010 | Электродвигатель (110 Вт) | |
| 191.3730000-12 | 191.3730000-12 | Электродвигатель | |
| 191.3730000-11 | 191.3730000-11 | Электродвигатель | |
| 191.3730000-10 | 191.3730000-10 | Электродвигатель | |
| 110206-1308006 | 110206-1308006 | Электровентилятор в сборе | |
| 110550-1308006 | 110550-1308006 | Электровентилятор в сборе | |
| 1105-1308006 | 1105-1308006 | Электровентилятор в сборе | |
| 45 9842 1344 | 45 9842 1344 | Штифт | |
| 1102-1303057-01 | 1102-1303057-01 | Шланг тройника | |
| 1103-1311060 | 1103-1311060 | Трубка пароотводящая | |
| 1102-1303057 | 1102-1303057 | Шланг тройника | |
| 1102-1303025-01 | 1102-1303025-01 | Шланг радиатора подводящий | |
| 1102-1303025 | 1102-1303025 | Шланг подводящий | |
| 1102-1303010-01 | 1102-1303010-01 | Шланг радиатора отводящий | |
| 1102-1303010 | 1102-1303010 | Шланг отводящий | |
| 1102-1303058-01 | 1102-1303058-01 | Шланг радиатора | |
| 1102-1303058 | 1102-1303058 | Шланг радиатора | |
| 1103-1311082-01 | 1103-1311082-01 | Шланг от тройника к расширительному бачку | |
| 1103-1311082 | 1103-1311082 | Шланг от тройника к расширительному бачку | |
| 45 9553 9053 | 45 9553 9053 | Гайка | |
| 1102-1311036 | 1102-1311036 | Лента хомута передняя | |
| 1102-1311040 | 1102-1311040 | Лента хомута задняя | |
| 1102-1308012 | 1102-1308012 | Крыльчатка | |
| 1102-1311066-01 | 1102-1311066-01 | Корпус пробки | |
| 110206-1309010 | 110206-1309010 | Кожух электровентилятора | |
| 1105-1309010 | 1105-1309010 | Кожух электровентилятора в сборе | |
| 21.3839000 | 21.3839000 | Датчик уровня | |
| 45 9553 1054 | 45 9553 1054 | Гайка | |
| 45 9553 1056 | 45 9553 1056 | Гайка шестигранная (d=М8х1, s=13) | |
| 45 9553 1054 | 45 9553 1054 | Гайка | |
| 11021-1302061 | 11021-1302061 | Опора подвески радиатора | |
| 1102-1308036 | 1102-1308036 | Втулка | |
| 1102-1308034 | 1102-1308034 | Втулка | |
| 45 9346 1507 | 45 9346 1507 | Болт | |
| 45 9346 1506 | 45 9346 1506 | Болт | |
| 45 9346 9522 | 45 9346 9522 | Болт | |
| 45 9346 9501 | 45 9346 9501 | Болт | |
| 45 9346 1507 | 45 9346 1507 | Болт | |
| 1102-1311048-01 | 1102-1311048-01 | Блок клапанов пробки | |
| 110206-1311012 | 110206-1311012 | Бачок расширительный | |
| 157-1301010 | 157-1301010 | Радиатор | |
| 245.1303090-20 | 245.1303090-20 | Труба перепускная | |
| 1103-1311090-01 | 1103-1311090-01 | Тройник | |
| 1102-1303042-10 | 1102-1303042-10 | Тройник | |
| 1103-1311090 | 1103-1311090 | Тройник | |
| 1102-1303042 | 1102-1303042 | Тройник | |
| Т80-950000 | Т80-950000 | Термостат | |
| Т70-85.00.00 | Т70-85.00.00 | Термостат | |
| ТН470.2А-3808000 | ТН470.2А-3808000 | Термореле включения электровентилятора | |
| 66.3710.000 | 66.3710.000 | Термореле включения электровентилятора | |
| 1103-1311012 | 1103-1311012 | Бачок расширительный | |
| 110206-1301012-10 | 110206-1301012-10 | Радиатор | |
| 110550-1301010-20 | 110550-1301010-20 | Радиатор | |
| 110550-1301010 | 110550-1301010 | Радиатор | |
| 110550-1302068 | 110550-1302068 | Проставка | |
| 245.1303094 | 245.1303094 | Прокладка | |
| 245.1306108 | 245.1306108 | Прокладка | |
| 1102-3808804 | 1102-3808804 | Прокладка | |
| 1102-1311067 | 1102-1311067 | Прокладка | |
| 245.1306106-01 | 245.1306106-01 | Патрубок |
Содержащиеся в справочниках-каталогах запасные части и детали не предлагаются к продаже, а носят исключительно информационный характер