Каталог запасных частей к технике: ЗАЗ-1102 (Таврия Нова). Отопитель и детали отопителя
110308-8101210
17.3729000
17.3729000-01
17.3729000-04
1102-8101034
1102-8101035
1102-8101036-10
1102-8101114
1102-8101258
1102-8101259
2108-8101060
1102-8101210-01
45 9871 0512
45 9811 1255
45 9816 6005
1103-8120112
51.3730000-10
51.3730000-11
51.3730000-12
51.3730000-13
1102-8101097
45 9632 1516
45 9632 1527
1102-8101125
45 9553 1054
45 9553 1054
45 9553 1054
45 9553 1054
1102-8101029
1102-8101026
1102-8101030
1102-8101096
45 9346 1506
1102-8101021
1102-8101020
11022-8101106
110206-8101488
1102-8101010
110206-8101010
1102-8101135-10
1102-8101040
110206-8101060
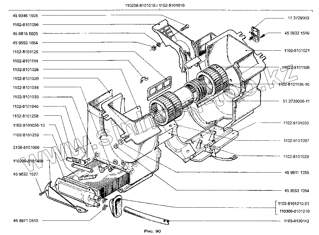
| Позиция на иллюстрации | Заводской номер детали | Название детали | |
|---|---|---|---|
| 110308-8101210 | 110308-8101210 | Уплотнитель | |
| 17.3729000 | 17.3729000 | Резистор | |
| 17.3729000-01 | 17.3729000-01 | Резистор | |
| 17.3729000-04 | 17.3729000-04 | Резистор | |
| 1102-8101034 | 1102-8101034 | Рычаг заслонки | |
| 1102-8101035 | 1102-8101035 | Рычаг заслонки | |
| 1102-8101036-10 | 1102-8101036-10 | Рычаг заслонки | |
| 1102-8101114 | 1102-8101114 | Скоба | |
| 1102-8101258 | 1102-8101258 | Тяга | |
| 1102-8101259 | 1102-8101259 | Тяга | |
| 2108-8101060 | 2108-8101060 | Радиатор | |
| 1102-8101210-01 | 1102-8101210-01 | Уплотнитель | |
| 45 9871 0512 | 45 9871 0512 | Хомут | |
| 45 9811 1255 | 45 9811 1255 | Шайба | |
| 45 9816 6005 | 45 9816 6005 | Шайба | |
| 1103-8120112 | 1103-8120112 | Шланг отводящий | |
| 51.3730000-10 | 51.3730000-10 | Электродвигатель отопителя | |
| 51.3730000-11 | 51.3730000-11 | Электродвигатель отопителя | |
| 51.3730000-12 | 51.3730000-12 | Электродвигатель отопителя | |
| 51.3730000-13 | 51.3730000-13 | Электродвигатель отопителя | |
| 1102-8101097 | 1102-8101097 | Кожух вентилятора нижний | |
| 45 9632 1516 | 45 9632 1516 | Винт | |
| 45 9632 1527 | 45 9632 1527 | Винт | |
| 1102-8101125 | 1102-8101125 | Вставка кожуха | |
| 45 9553 1054 | 45 9553 1054 | Гайка | |
| 45 9553 1054 | 45 9553 1054 | Гайка | |
| 1102-8101029 | 1102-8101029 | Заслонка впускная задняя | |
| 1102-8101026 | 1102-8101026 | Заслонка впускная передняя | |
| 1102-8101030 | 1102-8101030 | Заслонка кожуха | |
| 1102-8101096 | 1102-8101096 | Кожух вентилятора верхний | |
| 45 9346 1506 | 45 9346 1506 | Болт | |
| 1102-8101021 | 1102-8101021 | Кожух левый | |
| 1102-8101020 | 1102-8101020 | Кожух правый | |
| 11022-8101106 | 11022-8101106 | Колесо вентилятора | |
| 110206-8101488 | 110206-8101488 | Накладка защитная | |
| 1102-8101010 | 1102-8101010 | Отопитель в сборе | |
| 110206-8101010 | 110206-8101010 | Отопитель в сборе | |
| 1102-8101135-10 | 1102-8101135-10 | Прокладка электродвигателя | |
| 1102-8101040 | 1102-8101040 | Пружина заслонки | |
| 110206-8101060 | 110206-8101060 | Радиатор |
Содержащиеся в справочниках-каталогах запасные части и детали не предлагаются к продаже, а носят исключительно информационный характер