Каталог запасных частей к технике: ЗАЗ-1102 (Таврия Нова). Детали системы зажигания
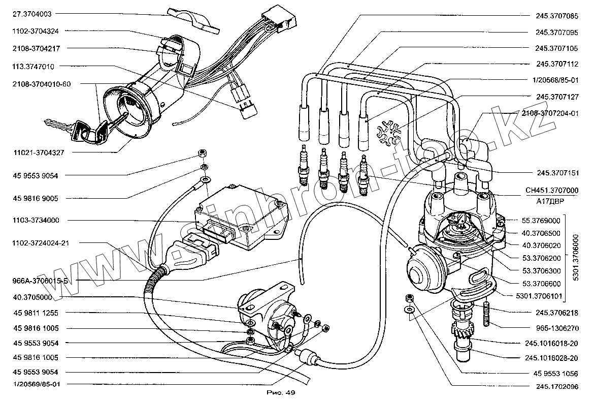
27.3704003
245.3707151
245.3707095
245.3707085
245.3707105
245.3707112
90.3747000-11
113.3747010
UKF50004
А17ДВР
СН451.3707000
2108-3704217
53.3706300
966А-3706015-Б
245.3707127
11021-3704327
45 9811 1255
45 9816 1005
45 9816 1005
45 9816 9005
245.1702096
245.1016028-20
245.1016018-20
965-1306270
3122.3705000
1102-3704324
53.3706600
53.3706200
2108-3704010-60
55820-015,0
45 9553 9054
45 9553 9054
45 9553 9054
45 9553 1056
5301.3706000
55.3769000
1102-3724024-21
40.3705000
40.3706020
27.3705000
27.3705000-01
1/20569/85-01
1/20568/85-01
2108-3707204-01
245.3706218
1103-3734000
1103-3734000-02
5301.3706101
40.3706500
| Позиция на иллюстрации | Заводской номер детали | Название детали | |
|---|---|---|---|
| 27.3704003 | 27.3704003 | Скоба выключателя | |
| 245.3707151 | 245.3707151 | Провод к распределителю зажигания | |
| 245.3707095 | 245.3707095 | Провод к свече второго цилиндра | |
| 245.3707085 | 245.3707085 | Провод к свече первого цилиндра | |
| 245.3707105 | 245.3707105 | Провод к свече третьего цилиндра | |
| 245.3707112 | 245.3707112 | Провод к свече четвертого цилиндра | |
| 90.3747000-11 | 90.3747000-11 | Реле выключателя зажигания | |
| 113.3747010 | 113.3747010 | Реле выключателя зажигания | |
| UKF50004 | UKF50004 | Реле выключателя зажигания | |
| А17ДВР | А17ДВР | Свеча зажигания (АО "ЭЗАС",Россия) | |
| СН451.3707000 | СН451.3707000 | Свеча зажигания (АО "ЭЗАС",Россия) | |
| 2108-3704217 | 2108-3704217 | Скоба выключателя | |
| 53.3706300 | 53.3706300 | Опора промежуточная | |
| 966А-3706015-Б | 966А-3706015-Б | Трубка | |
| 245.3707127 | 245.3707127 | Фиксатор проводов | |
| 11021-3704327 | 11021-3704327 | Чехол выключателя зажигания | |
| 45 9811 1255 | 45 9811 1255 | Шайба | |
| 45 9816 1005 | 45 9816 1005 | Шайба | |
| 45 9816 9005 | 45 9816 9005 | Шайба | |
| 245.1702096 | 245.1702096 | Шайба | |
| 245.1016028-20 | 245.1016028-20 | Шайба упорная | |
| 245.1016018-20 | 245.1016018-20 | Шестерня ведомая распределителя | |
| 965-1306270 | 965-1306270 | Шпилька | |
| 3122.3705000 | 3122.3705000 | Катушка зажигания | |
| 1102-3704324 | 1102-3704324 | Болт | |
| 53.3706600 | 53.3706600 | Вакуумный регулятор | |
| 53.3706200 | 53.3706200 | Валик с автоматом | |
| 2108-3704010-60 | 2108-3704010-60 | Выключатель зажигания | |
| 55820-015,0 | 55820-015,0 | Выключатель зажигания | |
| 45 9553 9054 | 45 9553 9054 | Гайка | |
| 45 9553 1056 | 45 9553 1056 | Гайка шестигранная (d=М8х1, s=13) | |
| 5301.3706000 | 5301.3706000 | Датчик распределитель | |
| 55.3769000 | 55.3769000 | Датчик «Холла» | |
| 1102-3724024-21 | 1102-3724024-21 | Жгут проводов системы зажигания | |
| 40.3705000 | 40.3705000 | Катушка зажигания | |
| 40.3706020 | 40.3706020 | Бегунок с резистором | |
| 27.3705000 | 27.3705000 | Катушка зажигания | |
| 27.3705000-01 | 27.3705000-01 | Катушка зажигания | |
| 1/20569/85-01 | 1/20569/85-01 | Колпачок защитный к распределителю | |
| 1/20568/85-01 | 1/20568/85-01 | Колпачок защитный наконечника | |
| 2108-3707204-01 | 2108-3707204-01 | Колпачок защитный провода | |
| 245.3706218 | 245.3706218 | Кольцо уплотнительное | |
| 1103-3734000 | 1103-3734000 | Коммутатор | |
| 1103-3734000-02 | 1103-3734000-02 | Коммутатор | |
| 5301.3706101 | 5301.3706101 | Корпус датчика-распределителя | |
| 40.3706500 | 40.3706500 | Крышка датчика-распределителя |
Содержащиеся в справочниках-каталогах запасные части и детали не предлагаются к продаже, а носят исключительно информационный характер